Curiosii for ever!: Car repair manuals for everyone.

Variable Valve Timing Solenoid: Service and Repair

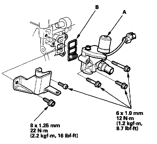
VTEC Solenoid Valve Removal/Inspection
1. Remove the engine cover.
2. Disconnect the 1P connector from the VTEC solenoid valve.





3. Measure resistance between the terminal and body ground.





4. If the resistance is within specifications, remove the VTEC solenoid valve assembly (A) from the cylinder head, and check the VTEC solenoid valve filter/O-ring (B) for clogging. If there is clogging, replace the engine oil filter/O-ring and the engine oil.
5. Install the VTEC solenoid valve in the reverse order of removal.