Curiosii for ever!: Car repair manuals for everyone.

Camshaft Position Sensor: Service and Repair

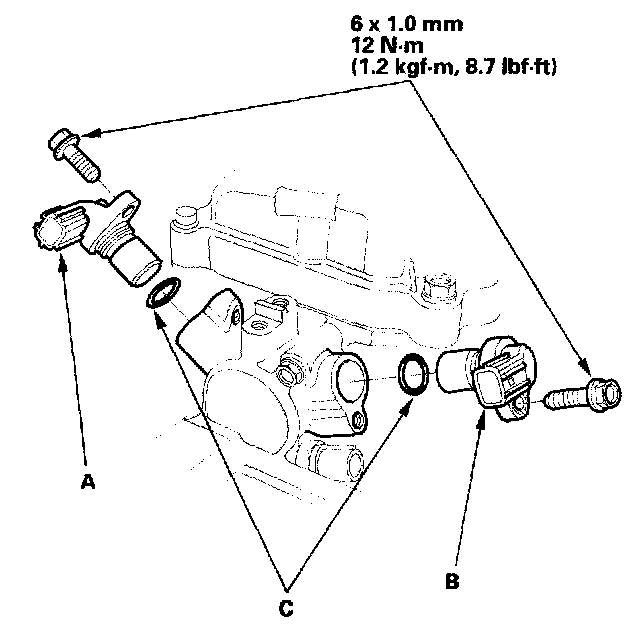
CMP Sensor A/B (TDC Sensor 1/2) Replacement





1. Disconnect connectors from the camshaft position (CMP) sensor A (on the intake side) and CMP sensor B (on the exhaust side). Remove the CMP sensor A and the CMP sensor B.
2. Install the CMP sensor A and the CMP sensor B with new O-rings (C).