Curiosii for ever!: Car repair manuals for everyone.

Heater Core: Service and Repair

Heater Unit/Core Replacement

SRS components are located in this area. Review the SRS component locations, and the precautions and procedures before performing repairs or service.

1. Make sure you have the anti-theft code for the radio, then write down the frequencies for the radio's preset buttons.
2. Disconnect the negative cable from the battery.
3. Disconnect the suction and receiver lines from the evaporator core.




4. From under the hood, open the cable clamp (A), then disconnect the heater valve cable (B) from the heater valve arm (C). Turn the heater valve arm to the fully opened position as shown.
5. When the engine is cool, drain the engine coolant from the radiator.




6. Slide the hose clamps (A) back, then disconnect the inlet heater hose (B) and the outlet heater hose (C) from the heater core. Engine coolant will run out when the hoses are disconnected; drain it into a clean drip pan. Be sure not to let coolant spill on the electrical parts or the painted surfaces. If any coolant spills, rinse it off immediately.




7. Remove the bolt and the heater valve, then remove the mounting nut from the heater unit. Take care not to damage or bend the fuel lines and the brake lines, etc.
8. Remove the dashboard.




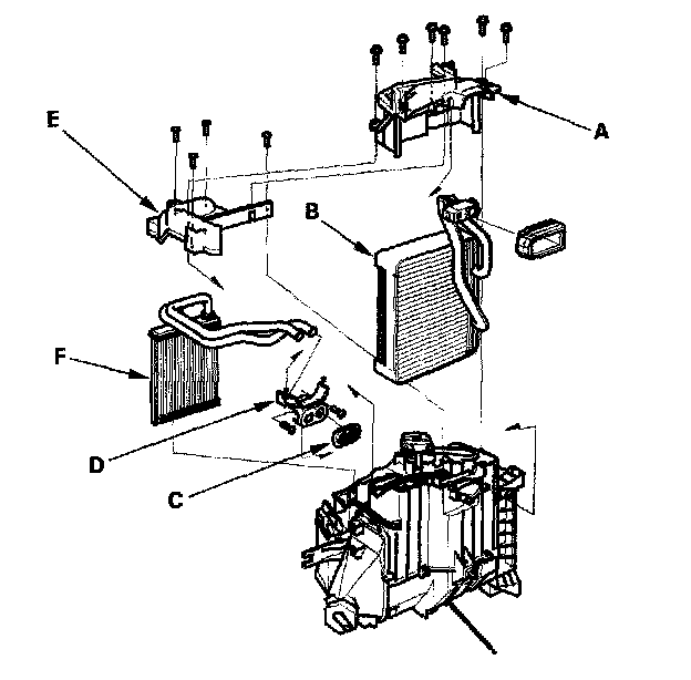
9. Disconnect the connectors (A) from the blower motor, the recirculation control motor, the mode control motor, and the power transistor, then remove the wire harness clips (B) and the connector (C). Remove the self-tapping screws and the bracket (D).




10. Disconnect the connectors (A) from the evaporator temperature sensor and the air mix control motor, then remove the wire harness clips (B) and the connector (C). Remove the self-tapping screw and the cover (D). Disconnect the heater valve cable (E).




11. Remove the mounting bolts, the mounting nuts, and the heater unit.




12. Remove the self-tapping screws and the expansion valve cover (A). Carefully pull out the evaporator core (B) so you don't bend the inlet and outlet pipes. Remove the grommet (C), then remove the self-tapping screws and the flange cover (D). Remove the self-tapping screws and the pipe cover (E), then carefully pull out the heater core (F) so you don't bend the inlet and outlet pipes.
13. Install the heater core and the evaporator core in the reverse order of removal.
14. Install the heater unit in the reverse order of removal, and note these items:
- Do not interchange the inlet and outlet heater hoses, and install the hose clamps securely.
- Refill the cooling system with engine coolant.
- Adjust the heater valve cable.
- Make sure that there is no coolant leakage.
- Make sure that there is no air leakage.
- Refer to evaporator core replacement.
- Do the engine control module (ECM) idle learn procedure.
- Enter the anti-theft code for the radio, then enter the customer's radio station presets.