Curiosii for ever!: Car repair manuals for everyone.

ECM/PCM Electrical Connections

ECM/PCM Electrical Connections Part 1:




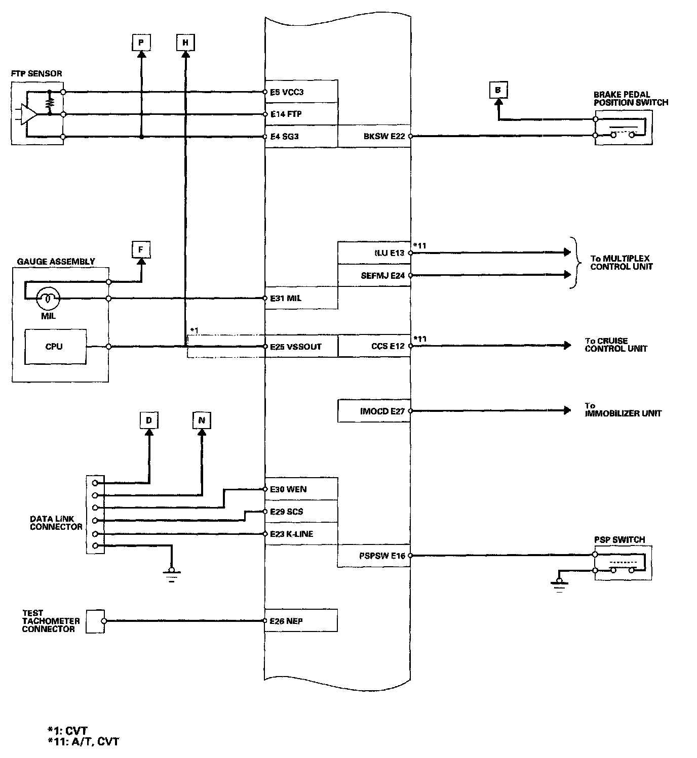
ECM/PCM Electrical Connections Part 2:




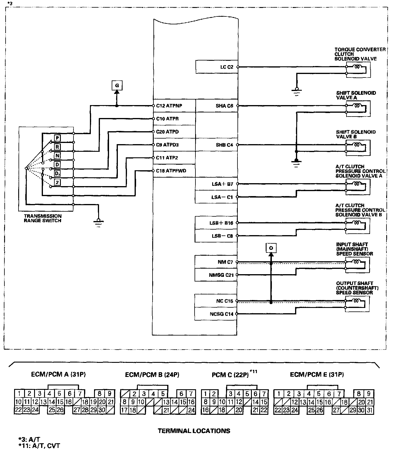
ECM/PCM Electrical Connections Part 3:




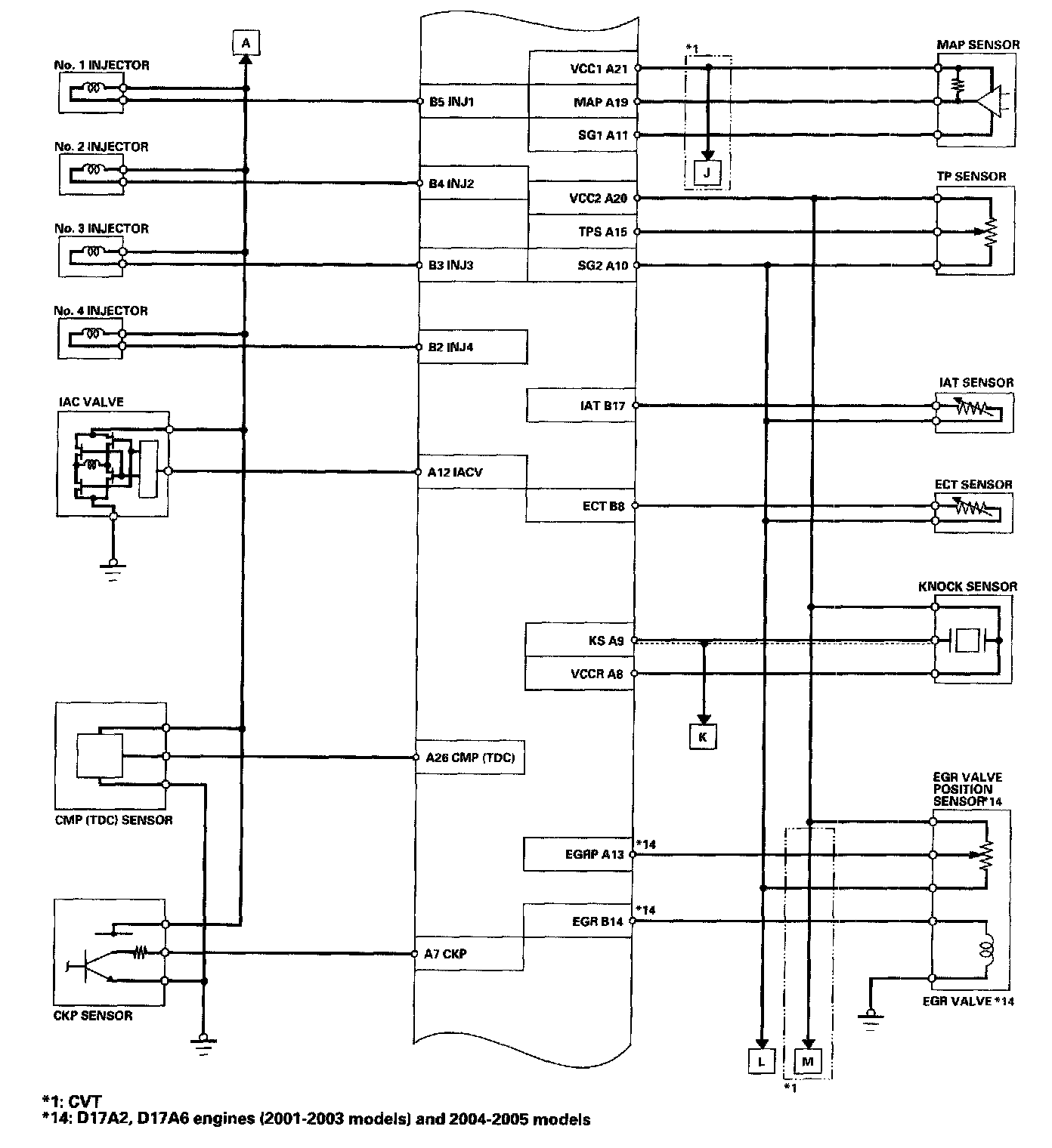
ECM/PCM Electrical Connections Part 4:




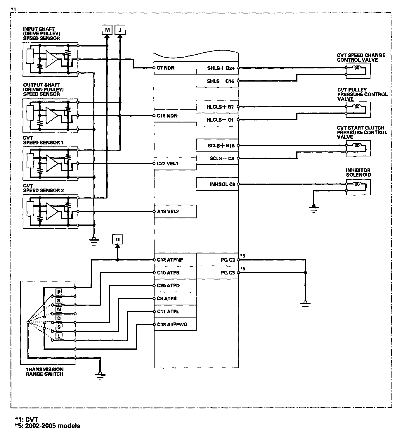
ECM/PCM Electrical Connections Part 5:




ECM/PCM Electrical Connections Part 6: