Curiosii for ever!: Car repair manuals for everyone.

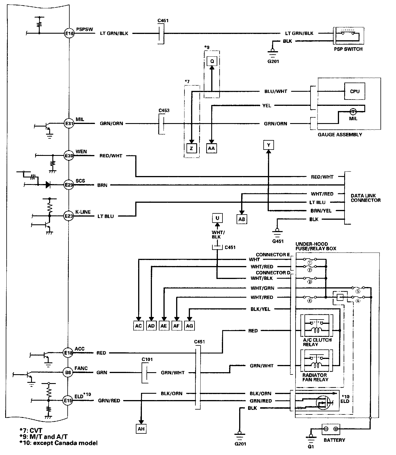
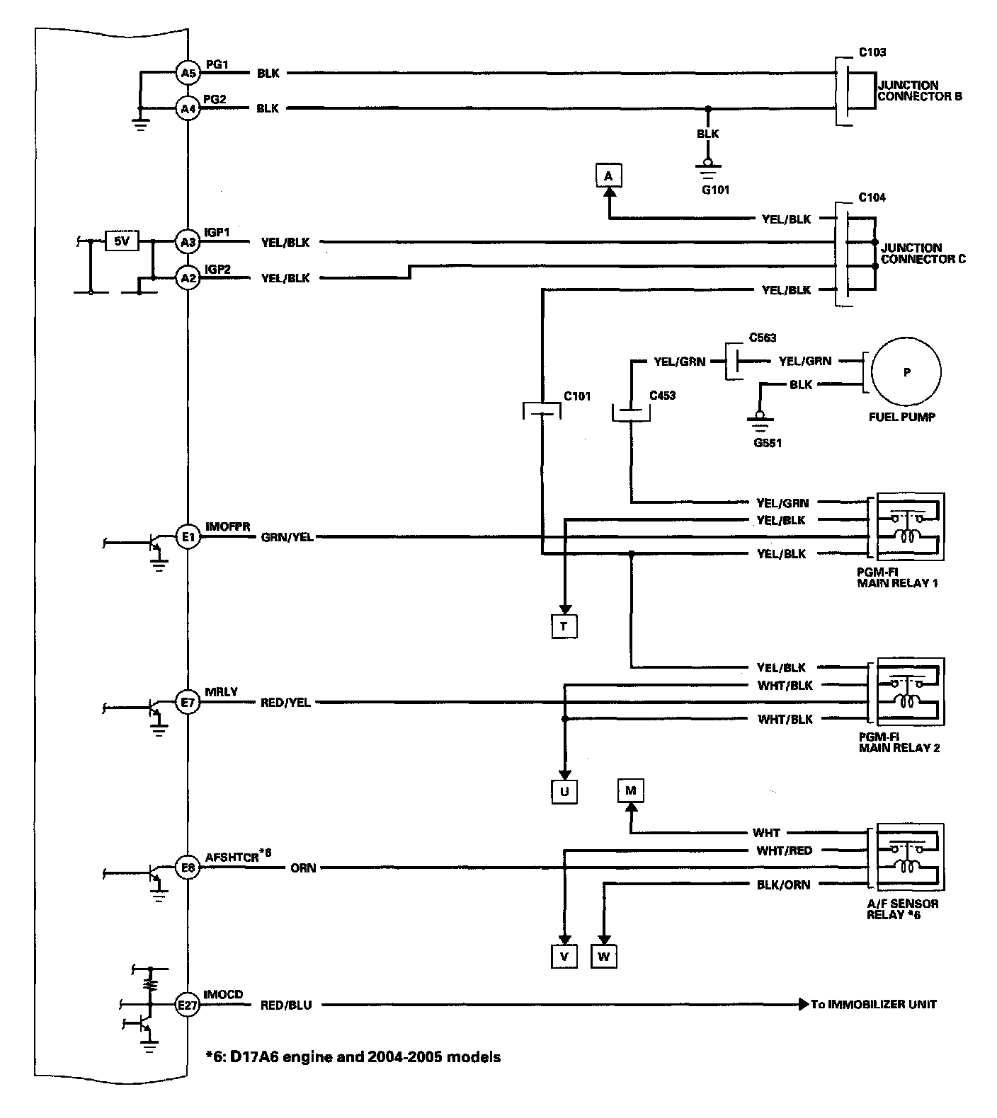
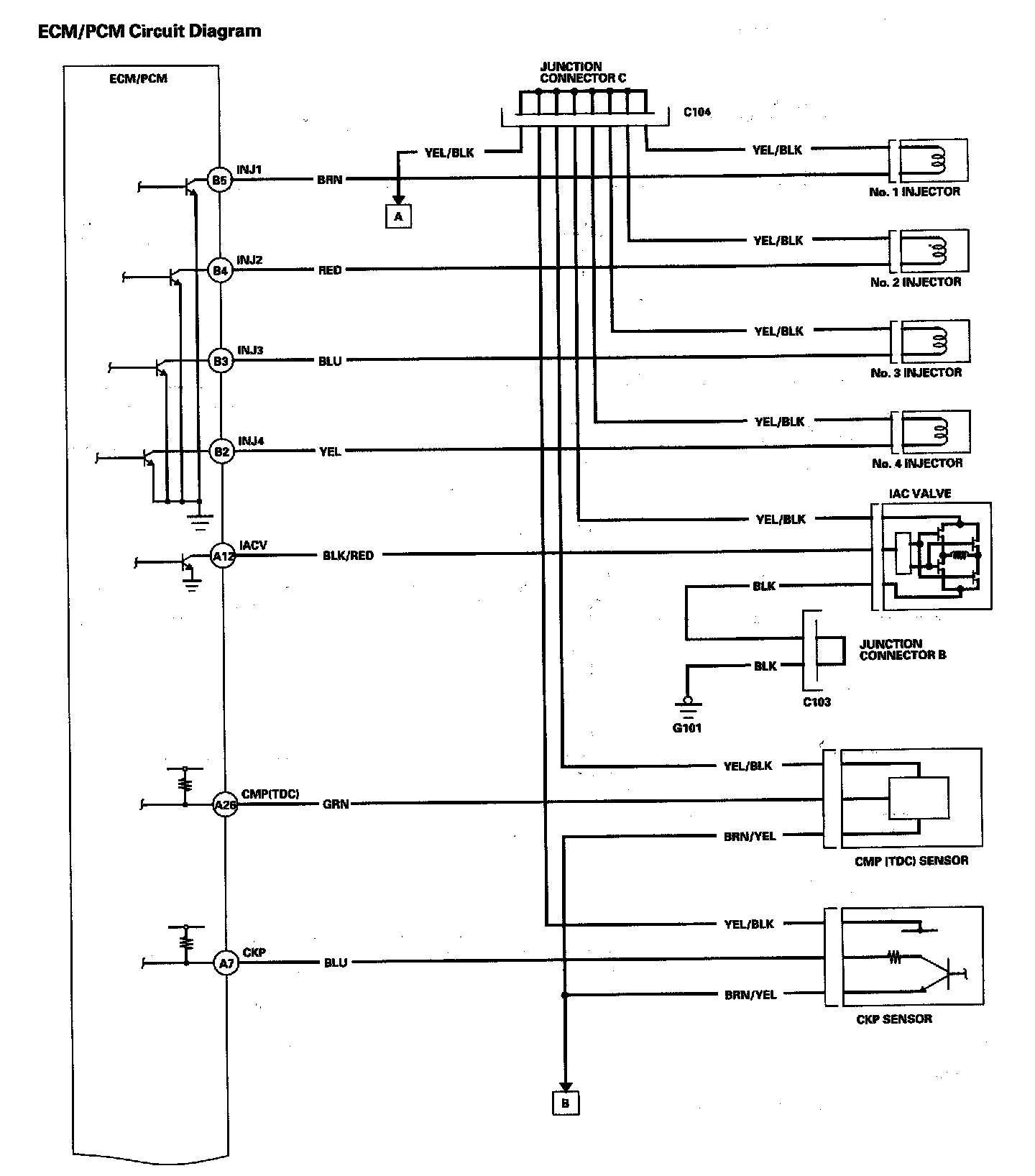
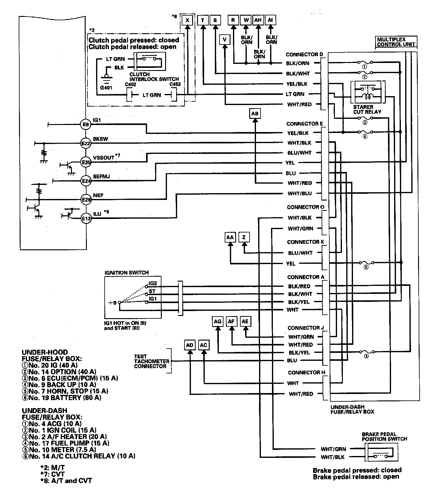
ECM/PCM Circuit Diagrams

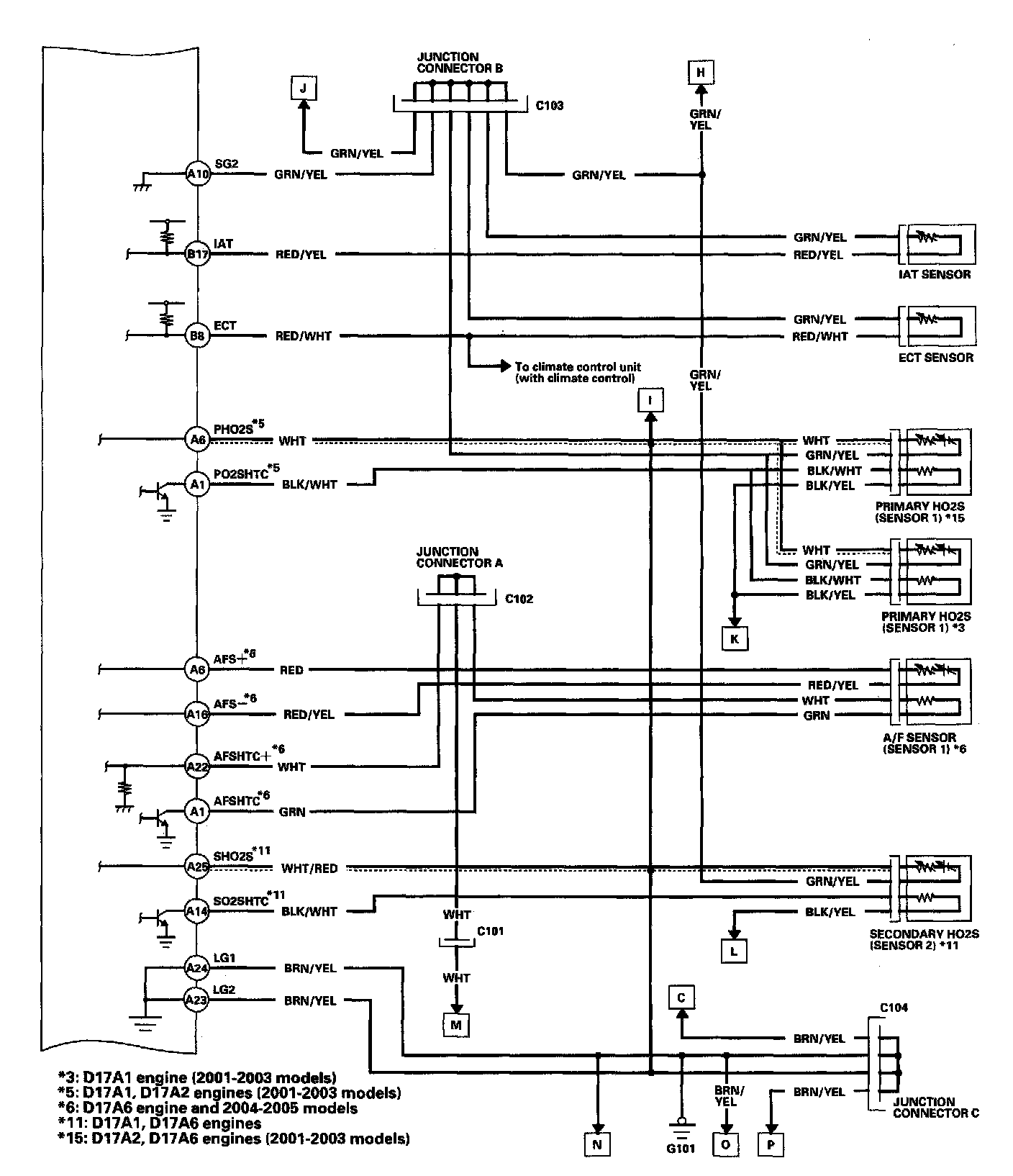
ECM/PCM Circuit Diagram Part 1:




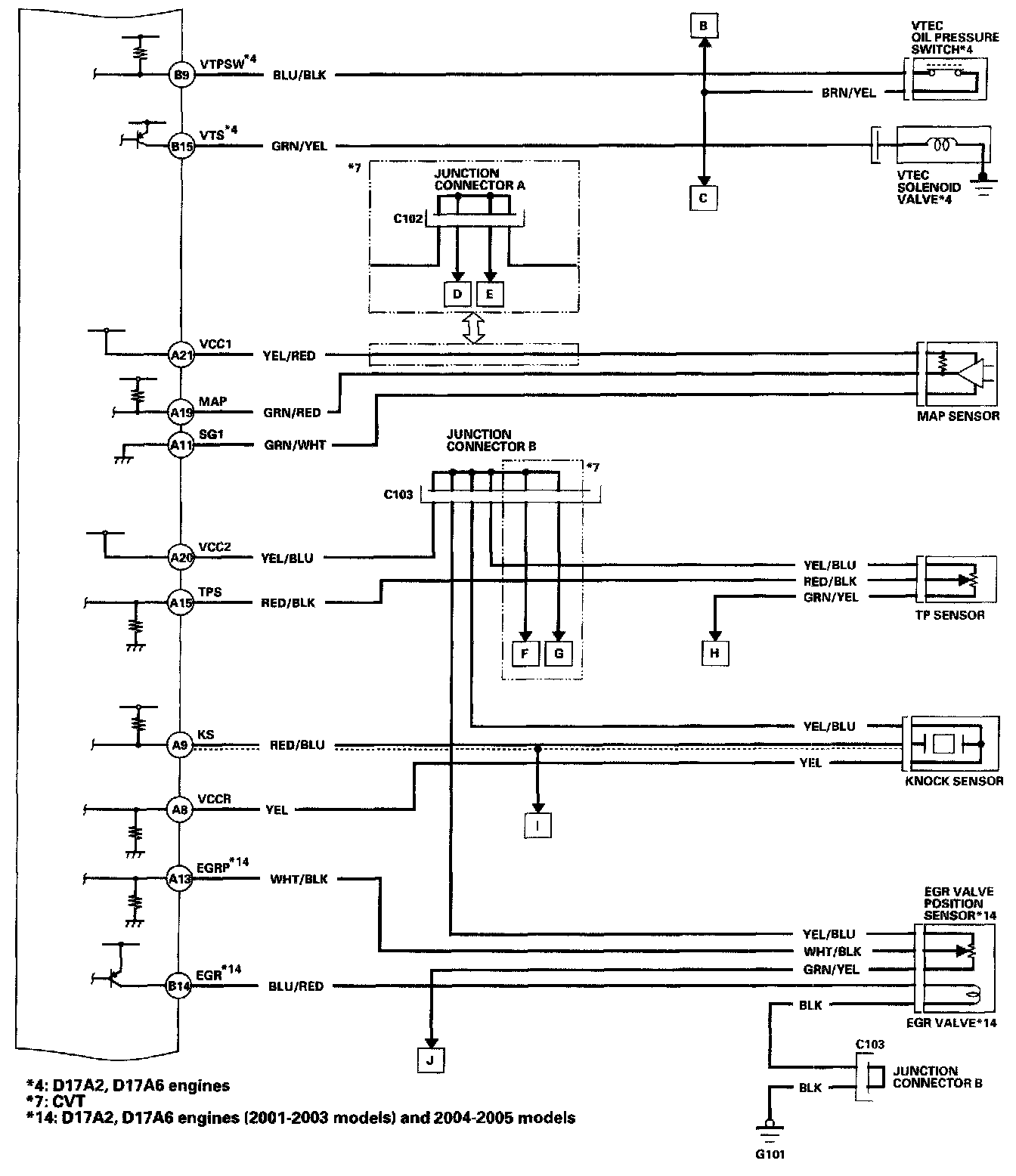
ECM/PCM Circuit Diagram Part 2:




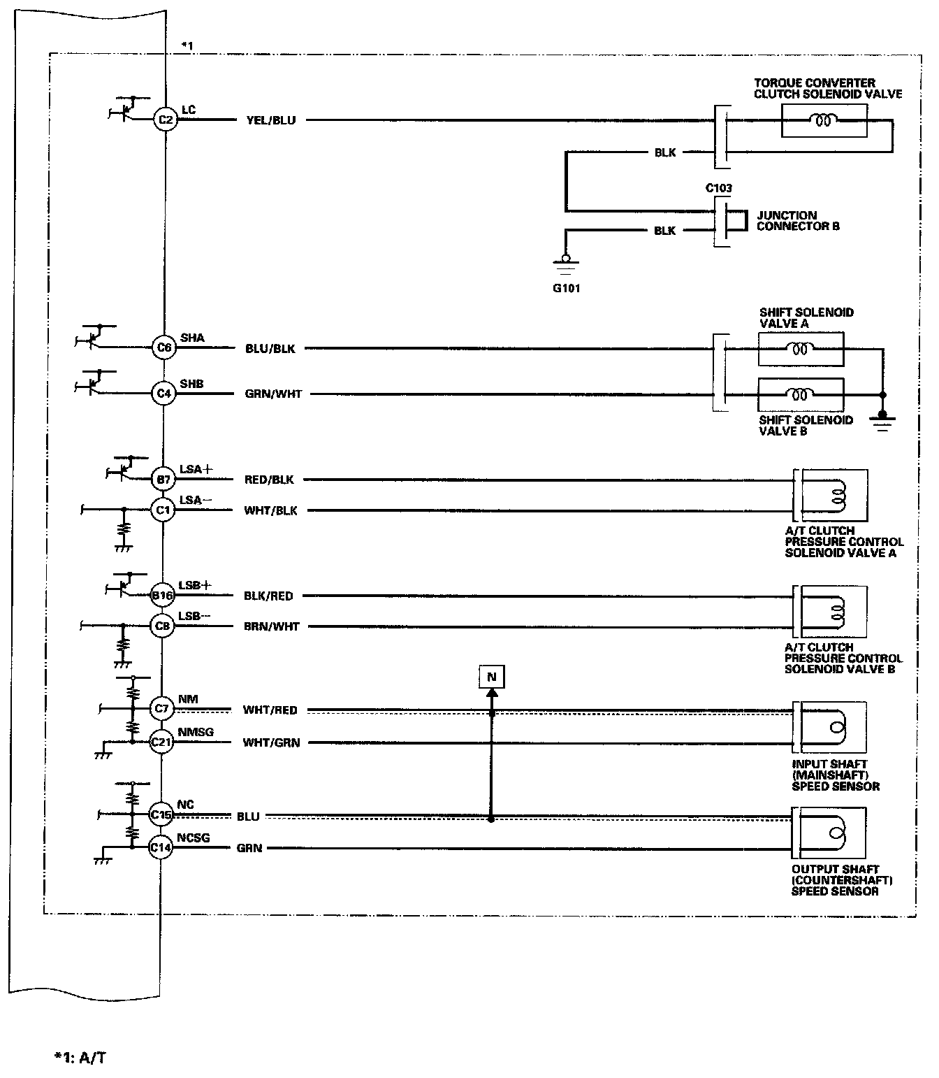
ECM/PCM Circuit Diagram Part 3:




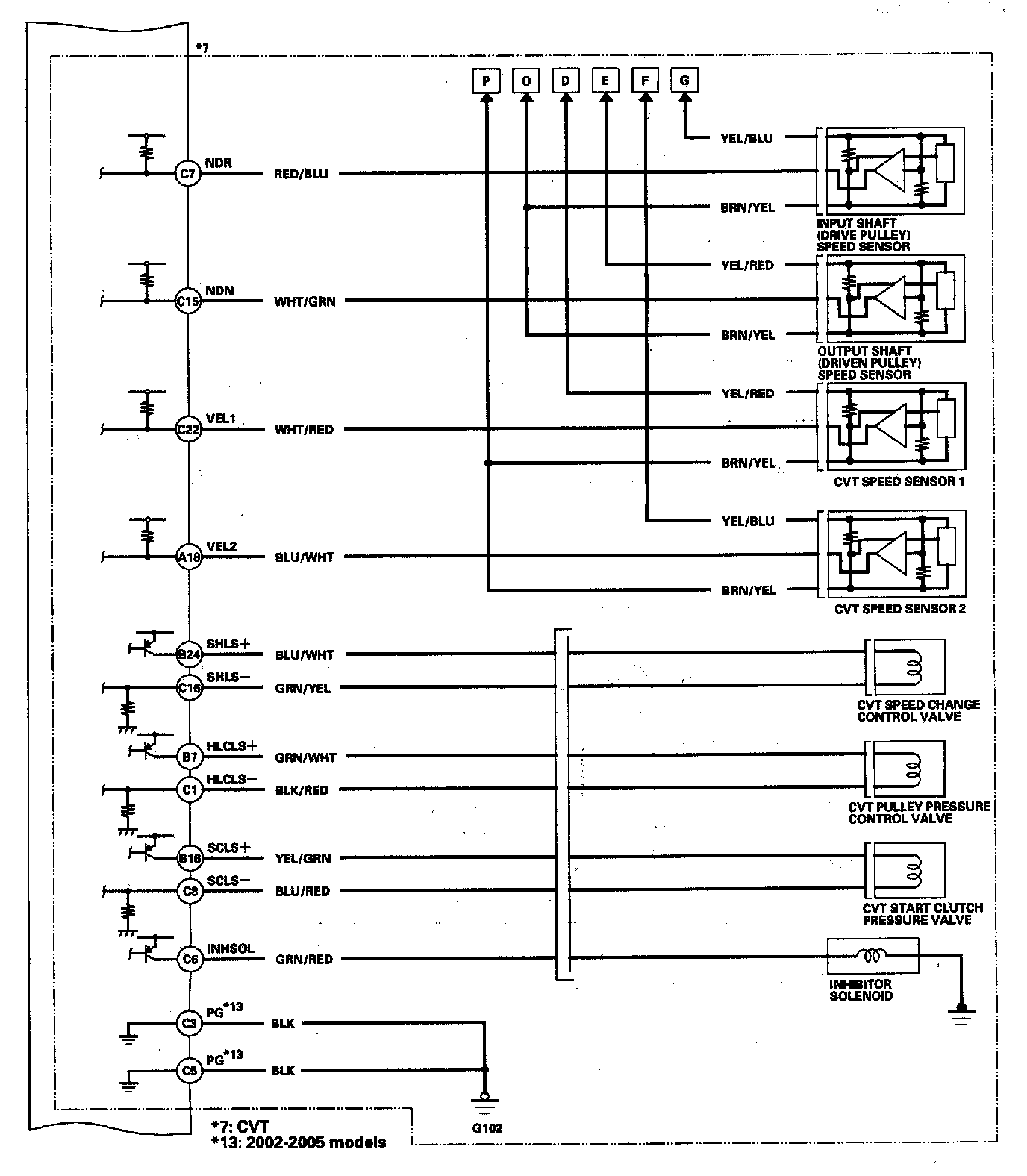
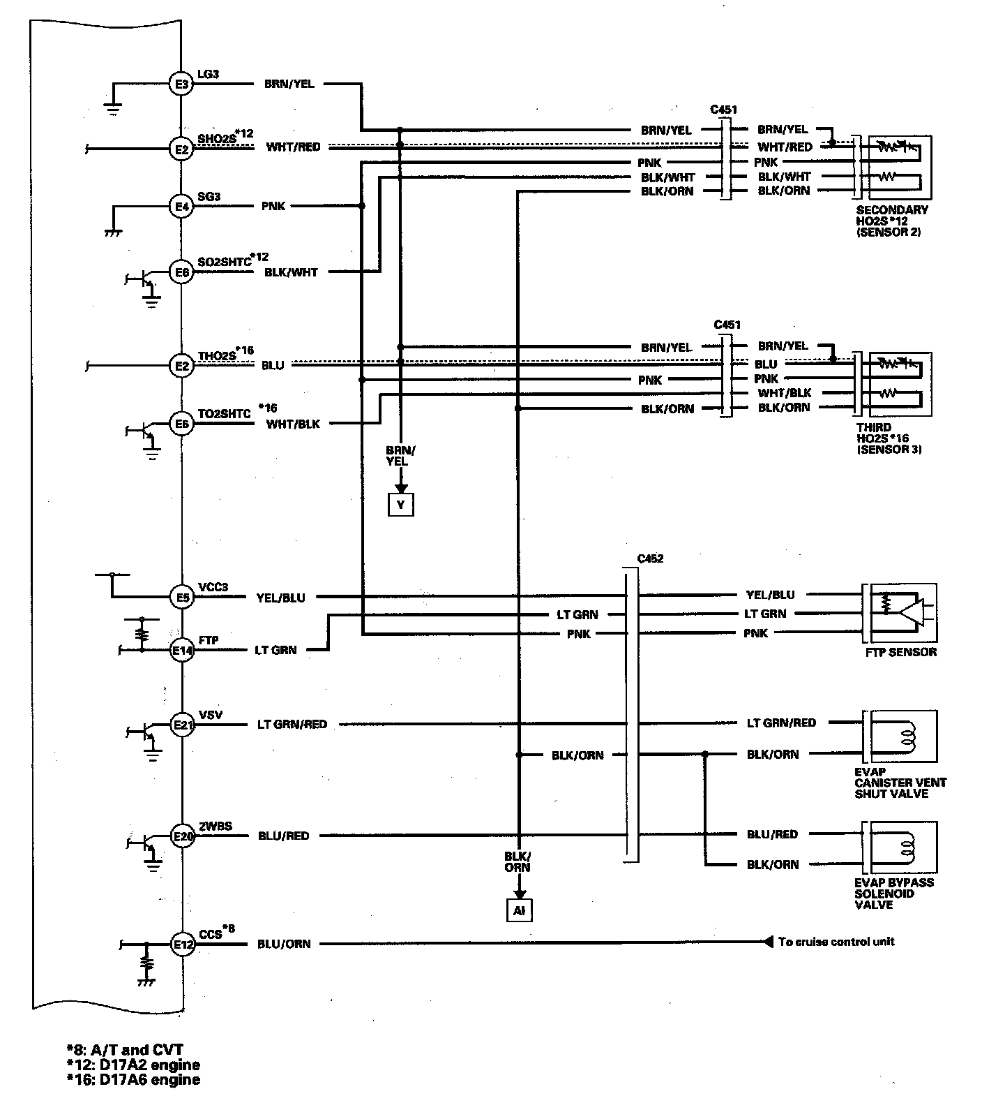
ECM/PCM Circuit Diagram Part 4:




ECM/PCM Circuit Diagram Part 5:




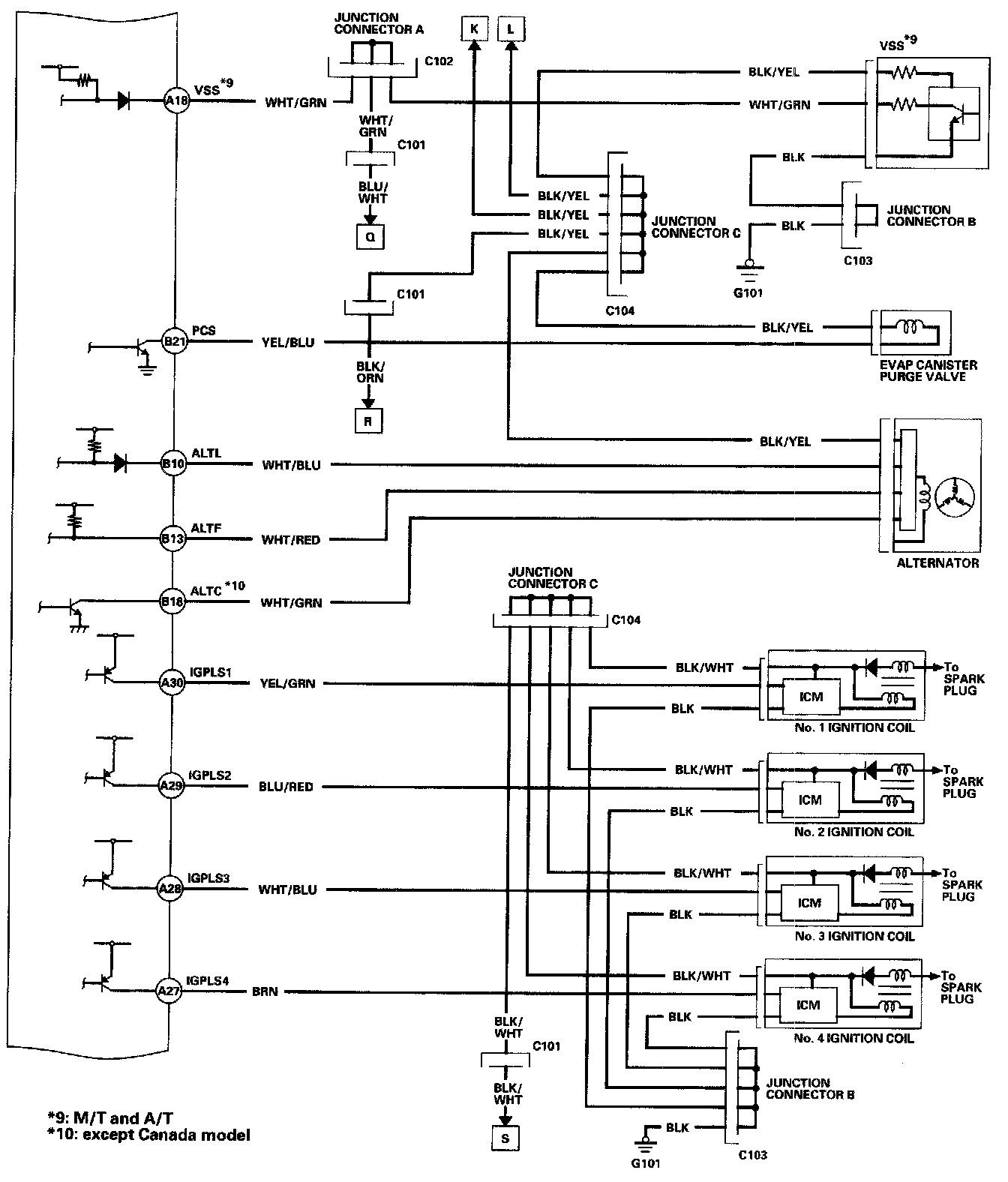
ECM/PCM Circuit Diagram Part 6:




ECM/PCM Circuit Diagram Part 7:




ECM/PCM Circuit Diagram Part 8:




ECM/PCM Circuit Diagram Part 9:




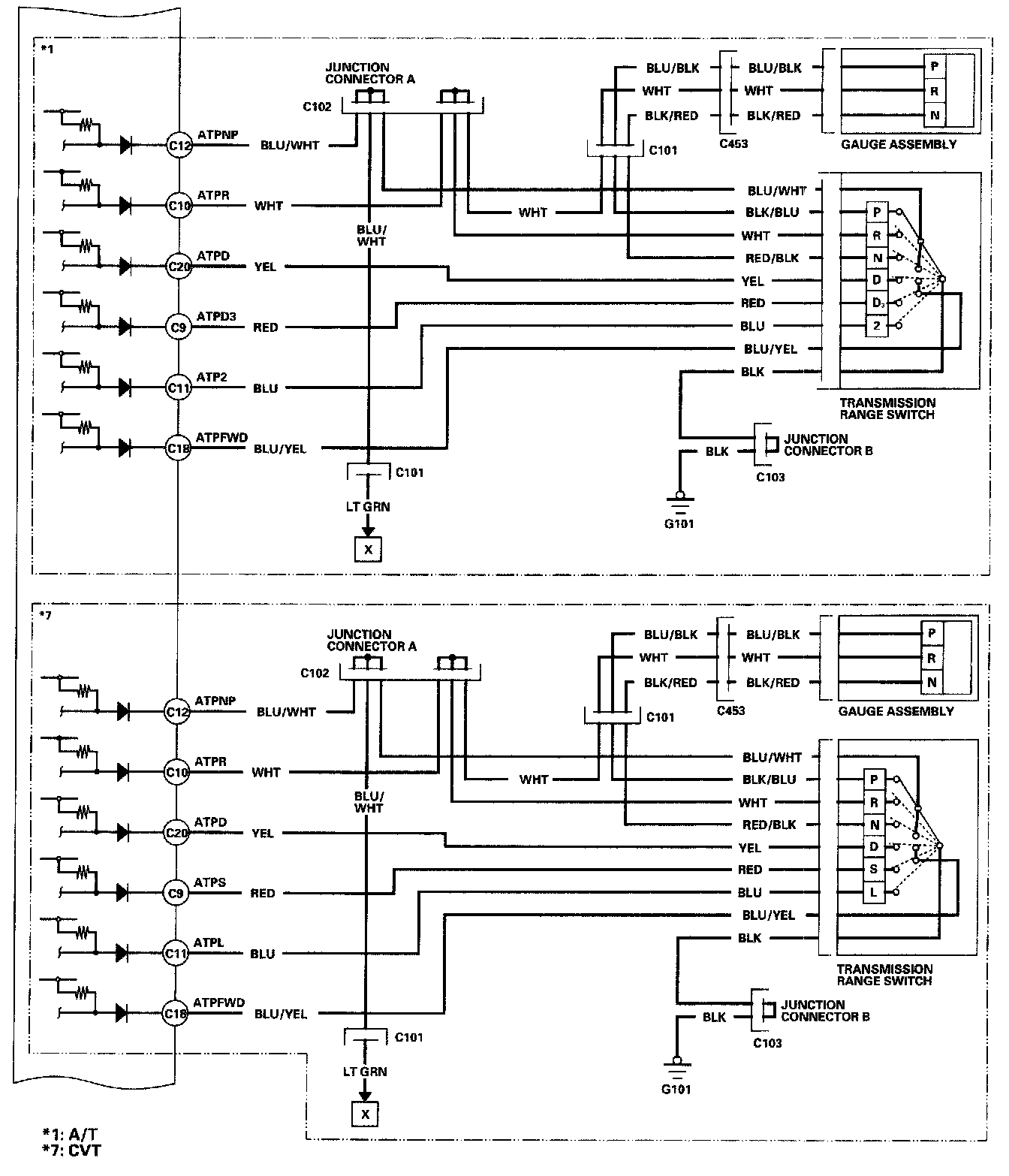
ECM/PCM Circuit Diagram Part 10:




ECM/PCM Circuit Diagram Part 11: