Curiosii for ever!
: Car repair manuals for everyone.
Home
>>
Honda
>>
2005
>>
Civic L4-1.7L SOHC
>>
Repair and Diagnosis
>>
Diagrams
>>
Exploded Views
>>
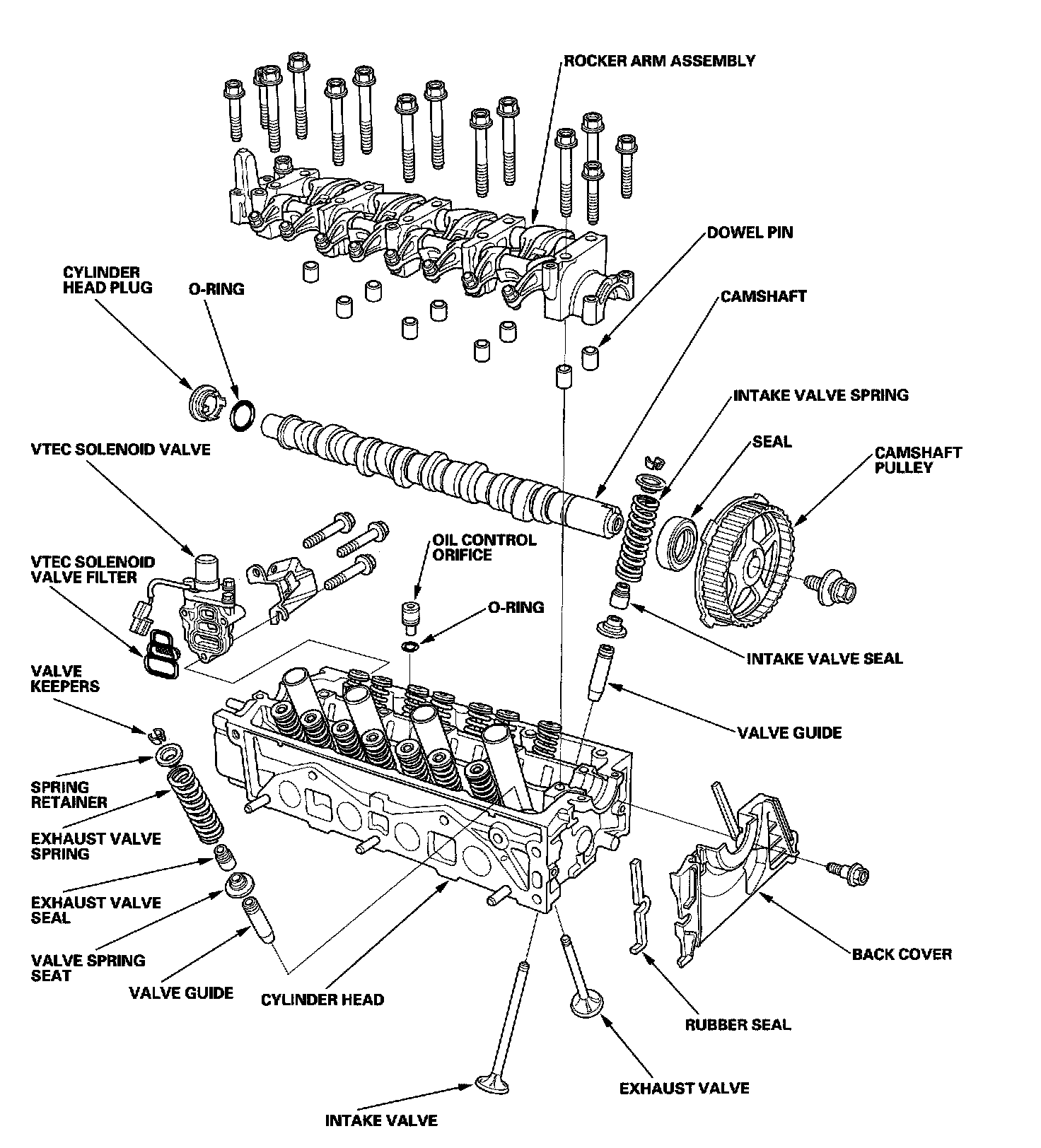
Cylinder Head Assembly
Cylinder Head Assembly
Part 1 Of 2:
Part 2 Of 2:
Component Location Index
D17A2, D17A6 engines
D17A1 engine