Curiosii for ever!: Car repair manuals for everyone.

Air Bag Control Module: Description and Operation

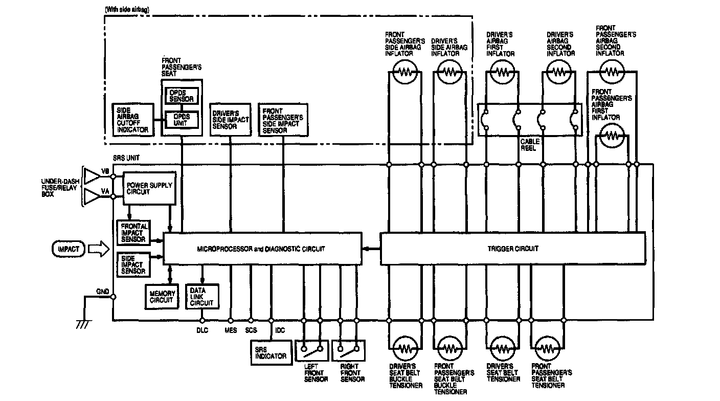
SRS Operation




The main circuit in the SRS unit senses and judges the force of impact and, if necessary, ignites the inflator charges. If battery voltage is too low or power is disconnected due to the impact, the voltage regulator and the back-up power circuit, respectively, will keep voltage at a constant level.

For the SRS to operate:

Driver's and Front Passenger's Airbag(s)

1. The frontal impact sensor must activate, and send electric signals to the microprocessor.
2. The microprocessor must compute the signals, and depending on the severity of the collision and whether the seat belt buckle switch is ON or OFF, it sends the appropriate signals to the airbag inflator(s).
3. The inflators that received signals must ignite and deploy the airbags.

Side Airbag(s)

1. The side impact sensors must activate, and send electric signals to the microprocessor.
2. The microprocessor must compute the signals and send them to the side airbag inflator(s). However, the microprocessor cuts off the signals to the front passenger's side airbag if the SRS unit determines that the front passenger's head is in the deployment path of the side airbag.
3. The inflator that received the signal must ignite and deploy the side airbag.

Self-diagnosis System

A self-diagnosis circuit is built into the SRS unit; when the ignition switch is turned ON (II), the SRS indicator light comes on and goes off after about 6 seconds if the system is operating normally.

If the indicator does not come on, or does not go off after 6 seconds, or if it comes on while driving, it indicates an abnormality in the system. The system must be inspected and repaired as soon as possible.

For better serviceability, the SRS unit memory stores a DTC that relates to the cause of the malfunction, and the unit is connected to the data link connector (DLC). This information can be read with the Honda PGM Tester when it is connected to the DLC (16P).