Curiosii for ever!: Car repair manuals for everyone.

Transmission Position Sensor/Switch: Service and Repair

Transmission Range Switch Replacement
1. Raise the vehicle, and make sure it is securely supported.
2. Shift to the N position.
3. Remove the air cleaner housing and intake air duct.





4. Remove the air cleaner housing bracket (A).





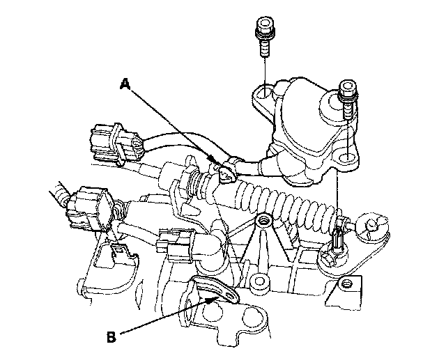
5. Disconnect transmission range switch connector, and remove the harness clamp (A) from the clamp bracket (B).
6. Remove the transmission range switch.





7. Make sure the transmission shift position is in the N position. If necessary, shift to the N position by turning the control lever (A). Do not squeeze the end (B) of the control shaft tips together when turning. If the tips are squeezed together it will cause a faulty control signal or position due to the play between the control shaft and the switch.





8. Set the transmission range switch to the N position. The switch clicks in the N position.





9. Install the transmission range switch (A) gently on the control shaft (B), then tighten the bolts. Do not move the switch when tightening the bolts.
10. Connect the connector securely, then install it on its bracket (C).
11. Install the harness clamp (D) on the clamp bracket (E).
12. Install the control shaft cover (F).





13. Turn the ignition switch ON (II). Move the shift lever through all gear positions, and check the transmission range switch synchronization with the A/T gear position indicator.
14. Check that the engine can start in the P and N positions, and cannot start in any other shift lever position.
15. Check that the back-up lights come on when the shift lever is in the R position.
16. Install the air cleaner housing bracket.
17. Install the air cleaner housing and intake air duct.
18. Allow the wheels to rotate freely, then start the engine, and check the shift lever operation.