Curiosii for ever!
: Car repair manuals for everyone.
Home
>>
Honda
>>
2005
>>
Civic L4-1.3L Hybrid
>>
Repair and Diagnosis
>>
Powertrain Management
>>
Transmission Control Systems
>>
Diagrams
>>
Electrical Diagrams
>>
Circuit Diagrams
>>
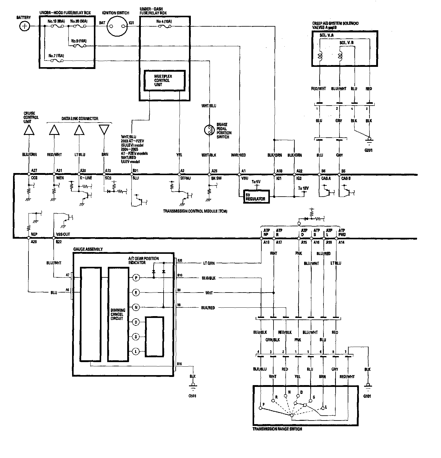
PCM A/T Control System
PCM A/T Control System
CVT Circuit Diagram - Part 1:
CVT Circuit Diagram - Part 2: