Curiosii for ever!: Car repair manuals for everyone.

ECM/PCM Electrical Connections

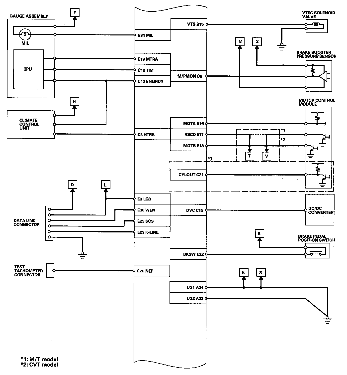
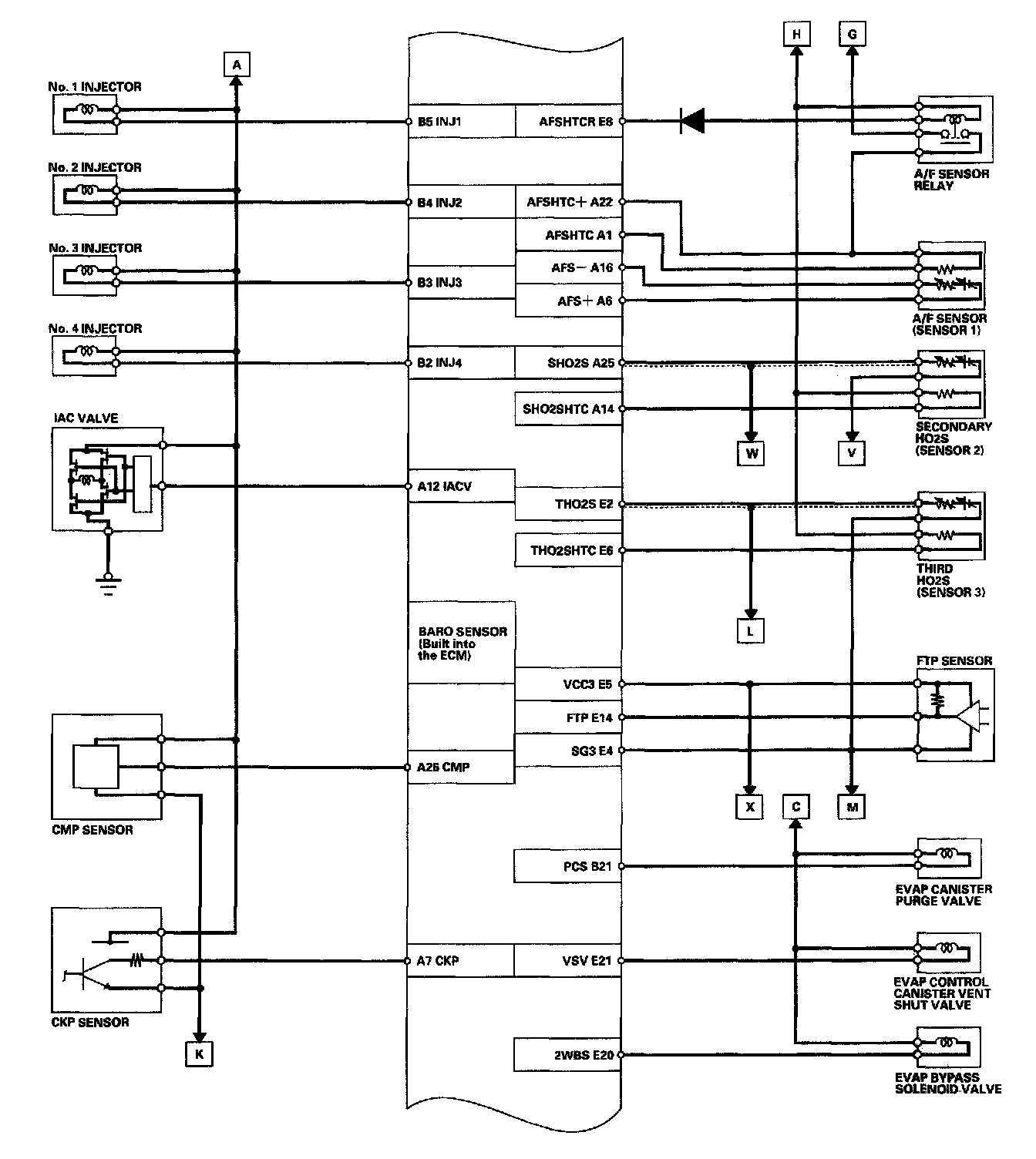
ECM Electrical Connections Part 1 (AT-PZEV (SULEV) Model):




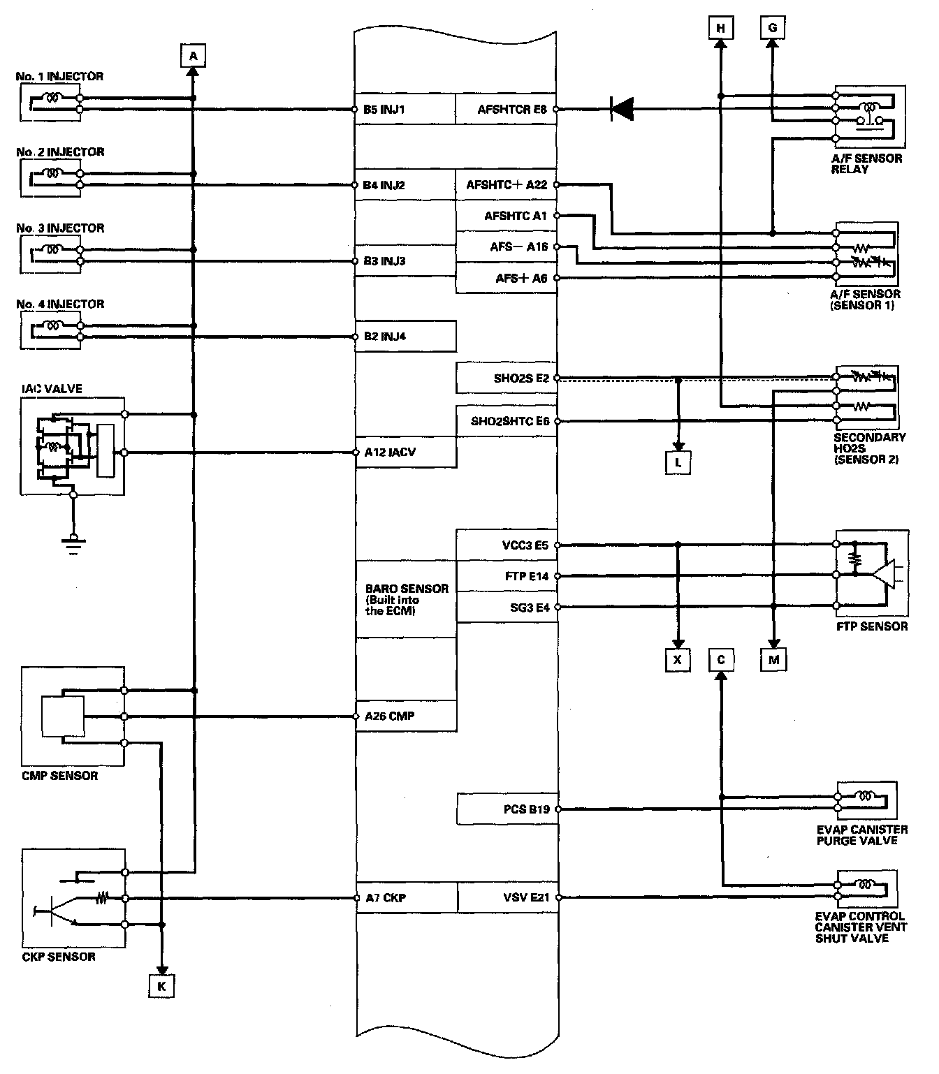
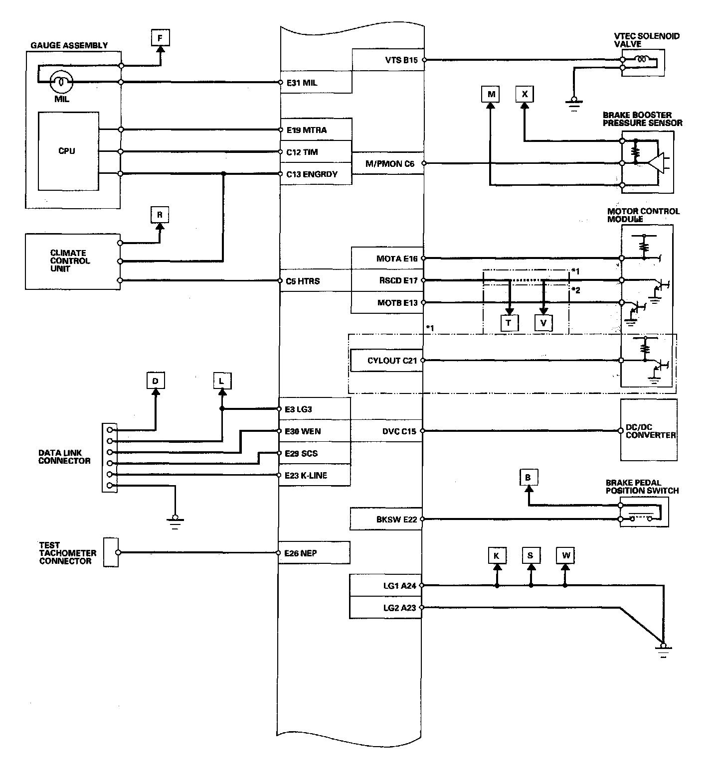
ECM Electrical Connections Part 2 (AT-PZEV (SULEV) Model):




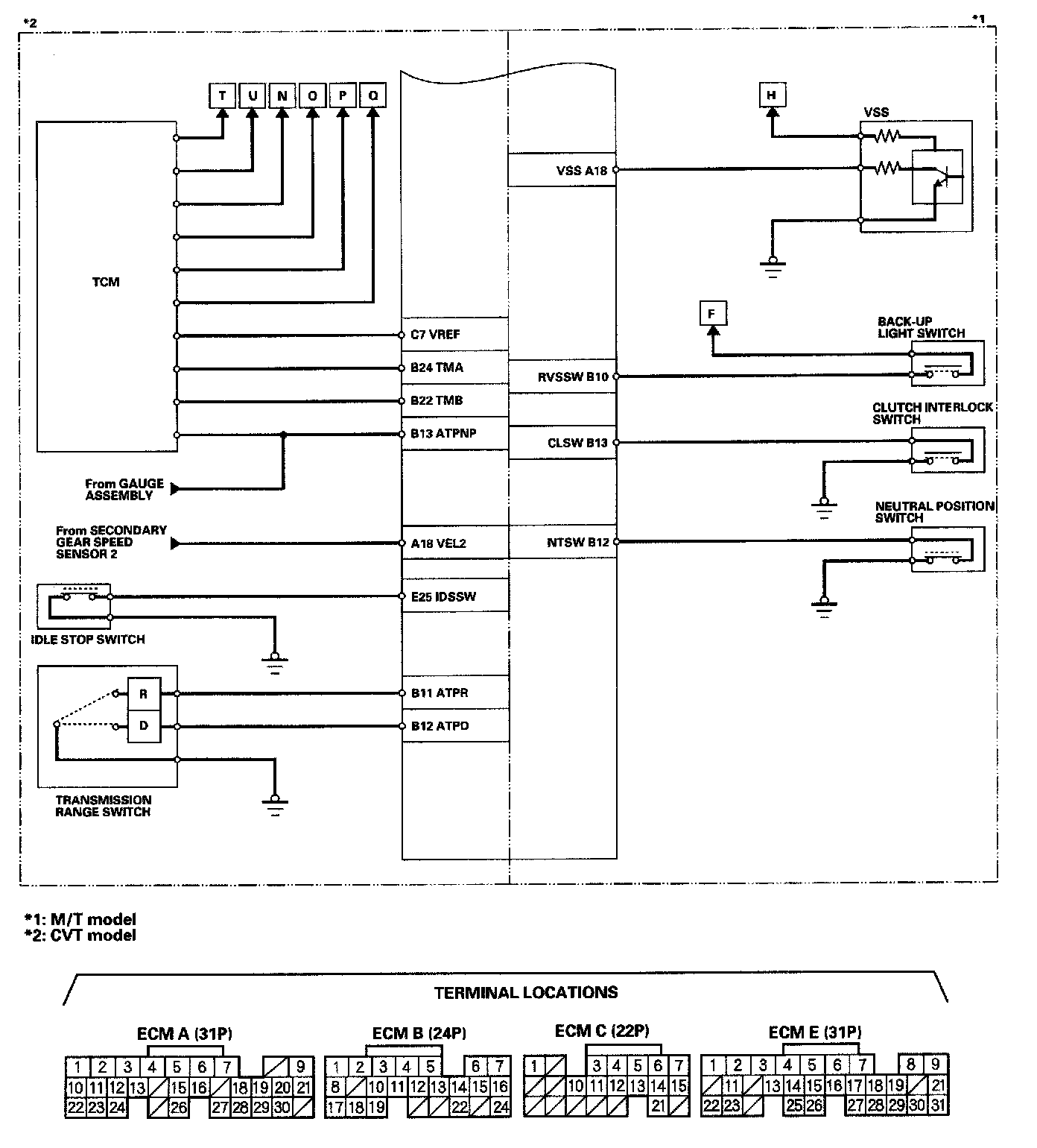
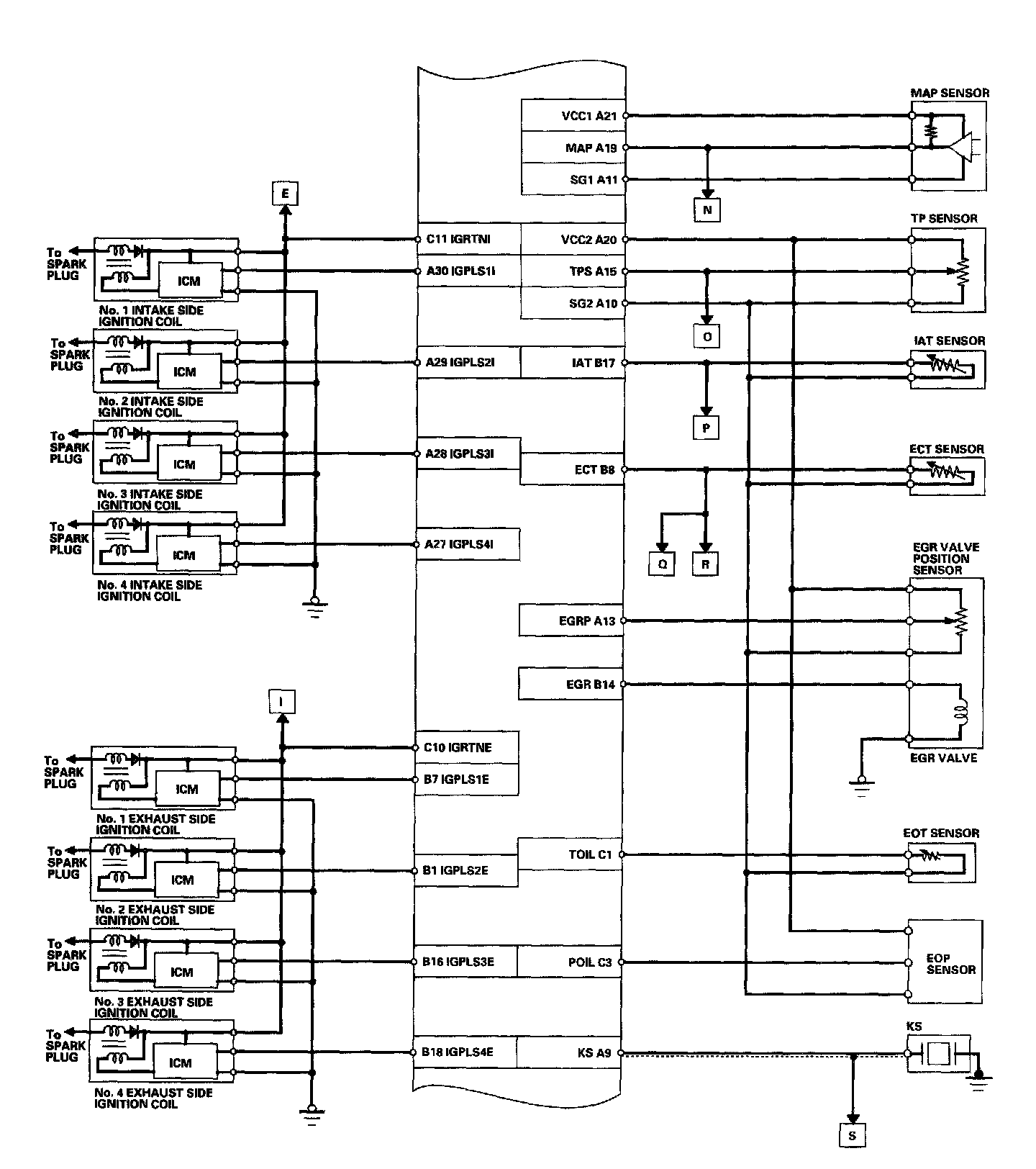
ECM Electrical Connections Part 3 (AT-PZEV (SULEV) Model):




ECM Electrical Connections Part 4 (AT-PZEV (SULEV) Model):




ECM Electrical Connections Part 5 (AT-PZEV (SULEV) Model):




ECM Electrical Connections Part 1 (ULEV Model):




ECM Electrical Connections Part 2 (ULEV Model):




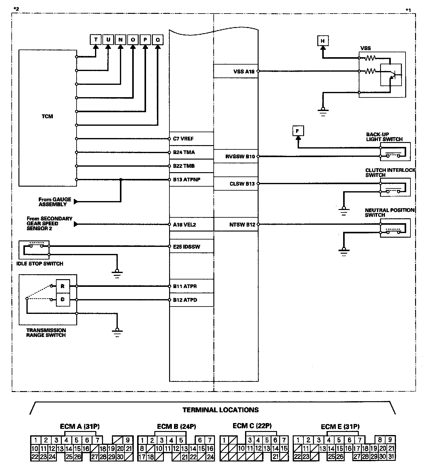
ECM Electrical Connections Part 3 (ULEV Model):




ECM Electrical Connections Part 4 (ULEV Model):




ECM Electrical Connections Part 5 (ULEV Model):