Curiosii for ever!: Car repair manuals for everyone.

ECM/PCM Circuit Diagram

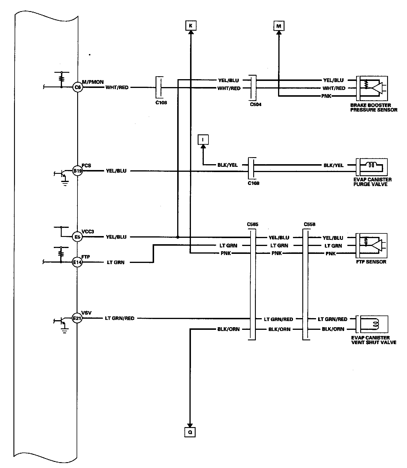
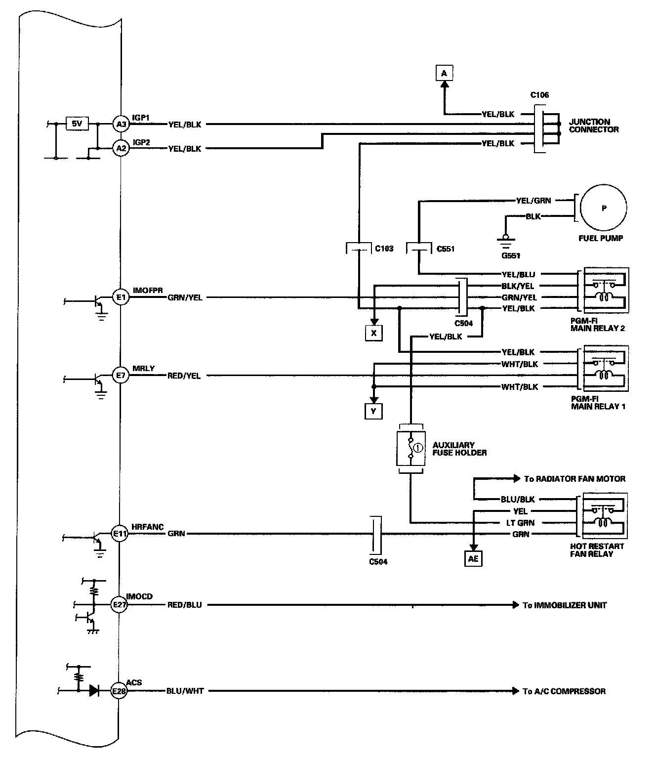
ECM Circuit Diagram - AT-PZEV (SULEV) Model 11-51:




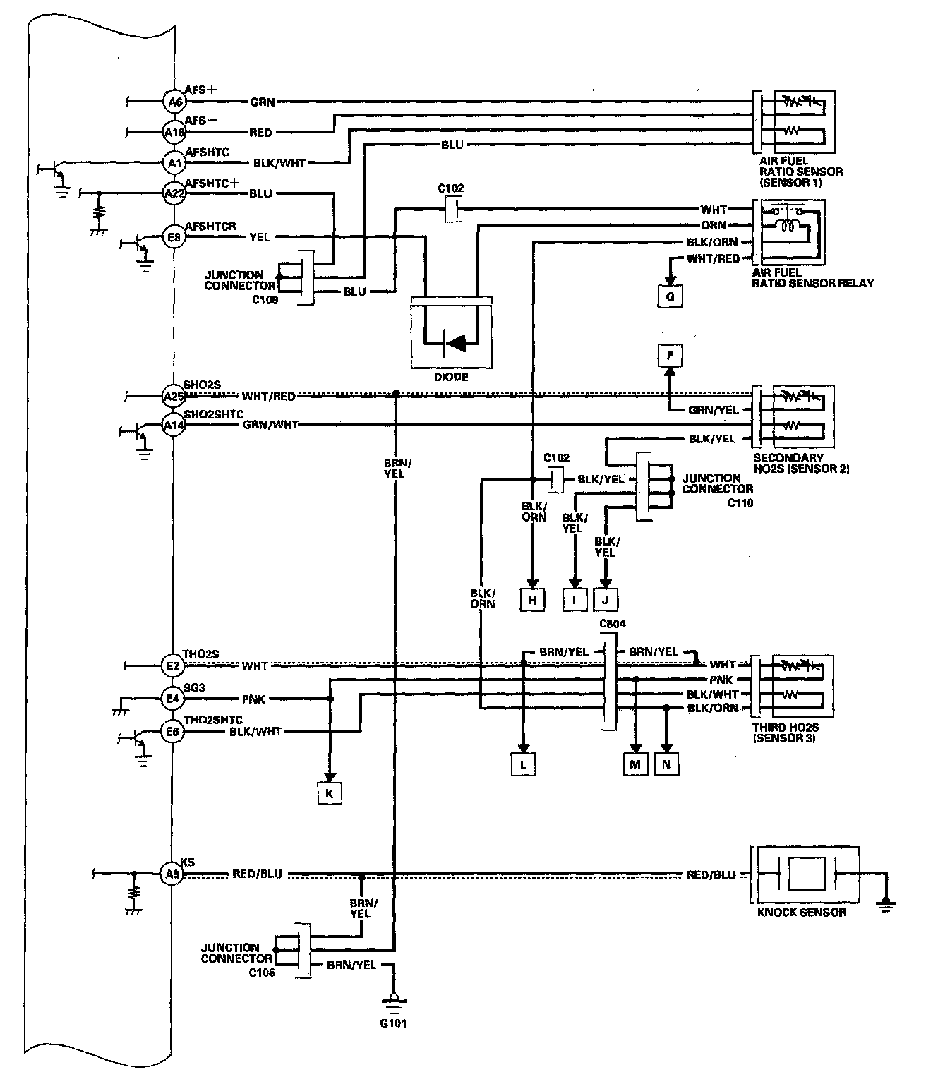
ECM Circuit Diagram - AT-PZEV (SULEV) Model 11-52:




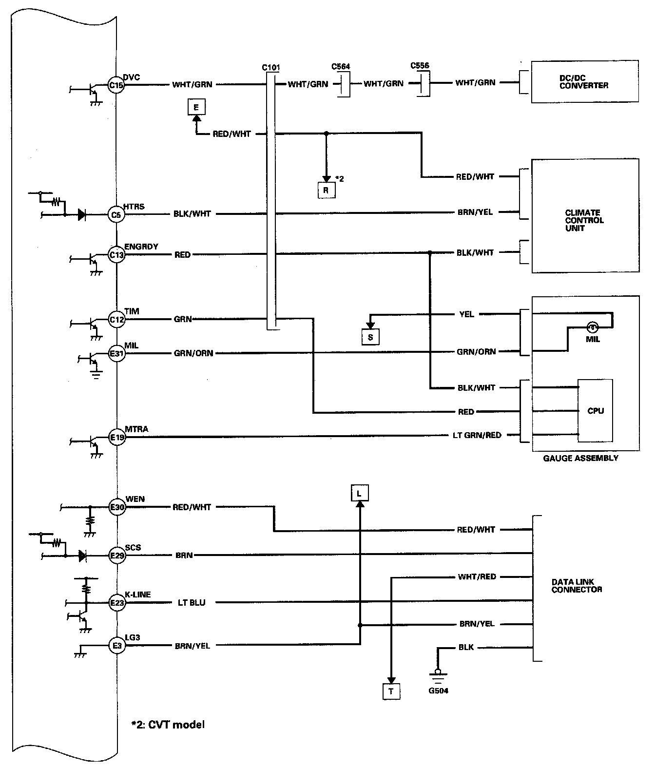
ECM Circuit Diagram - AT-PZEV (SULEV) Model 11-53:




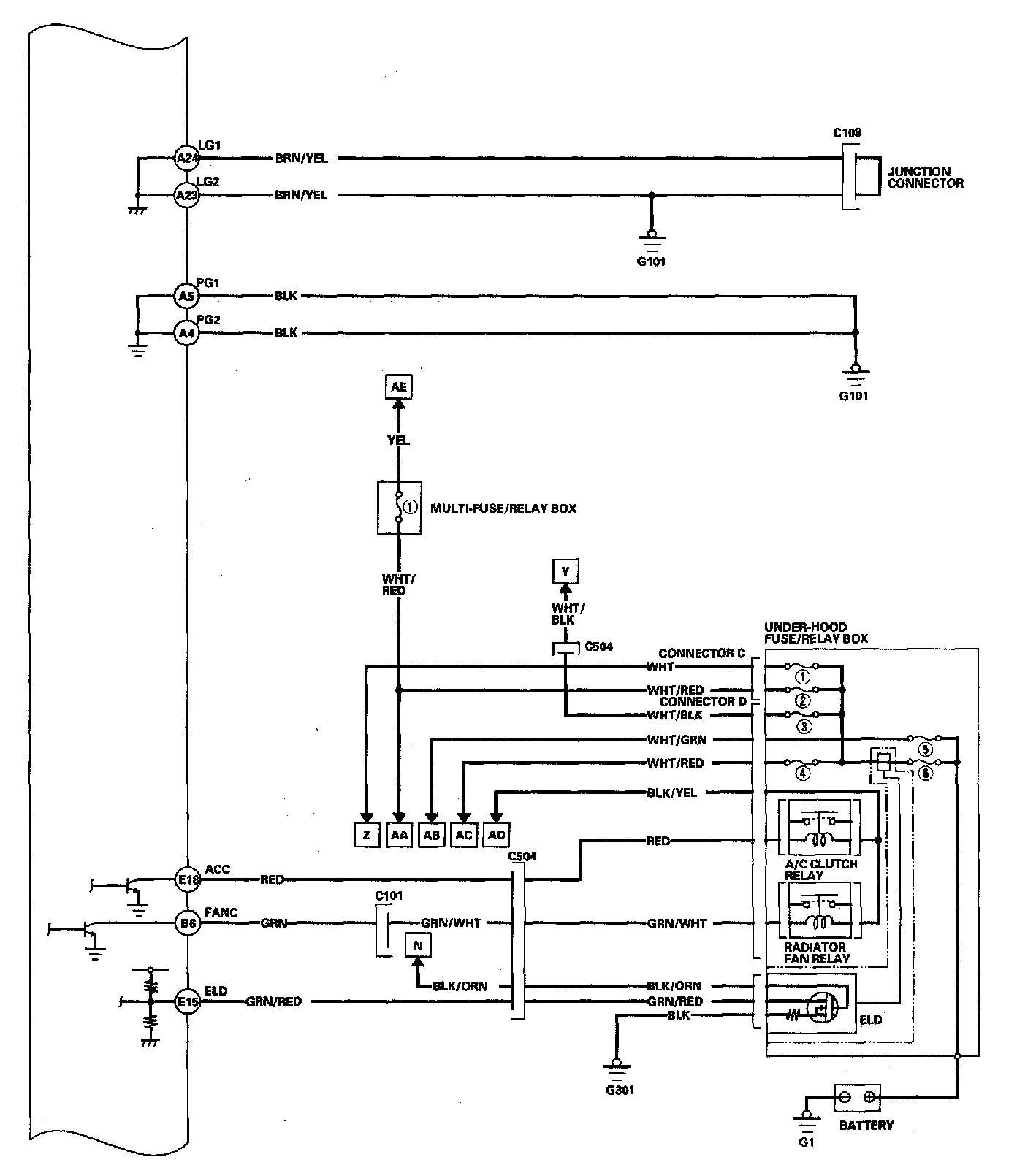
ECM Circuit Diagram - AT-PZEV (SULEV) Model 11-54:




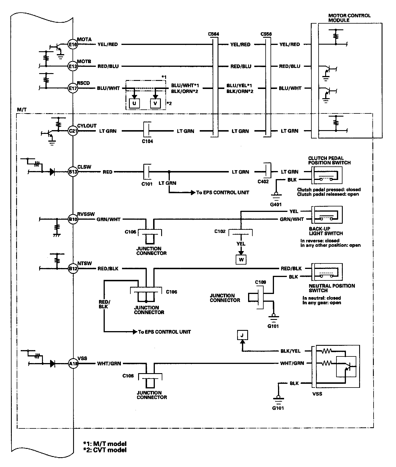
ECM Circuit Diagram - AT-PZEV (SULEV) Model 11-55:




ECM Circuit Diagram - AT-PZEV (SULEV) Model 11-56:




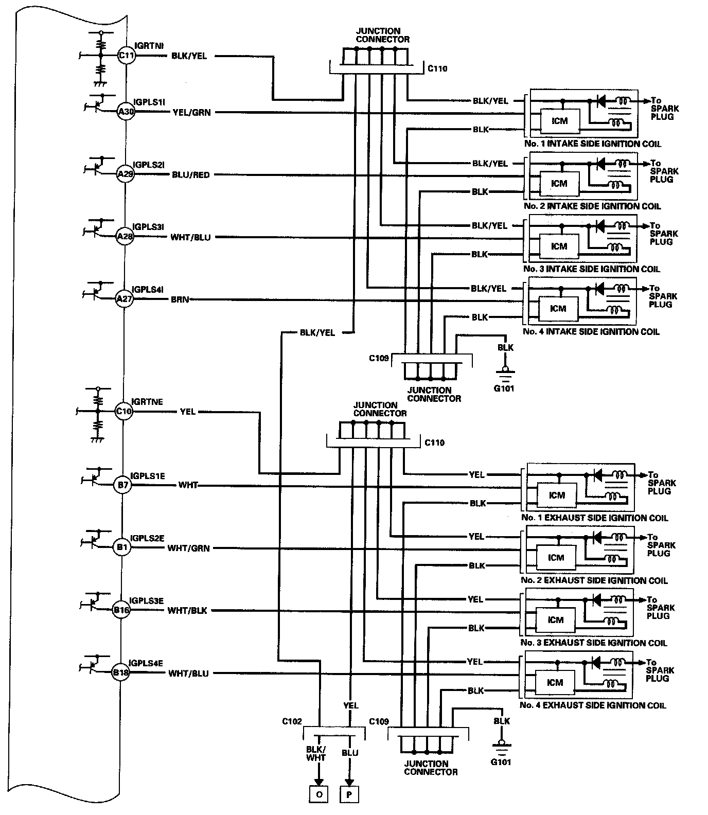
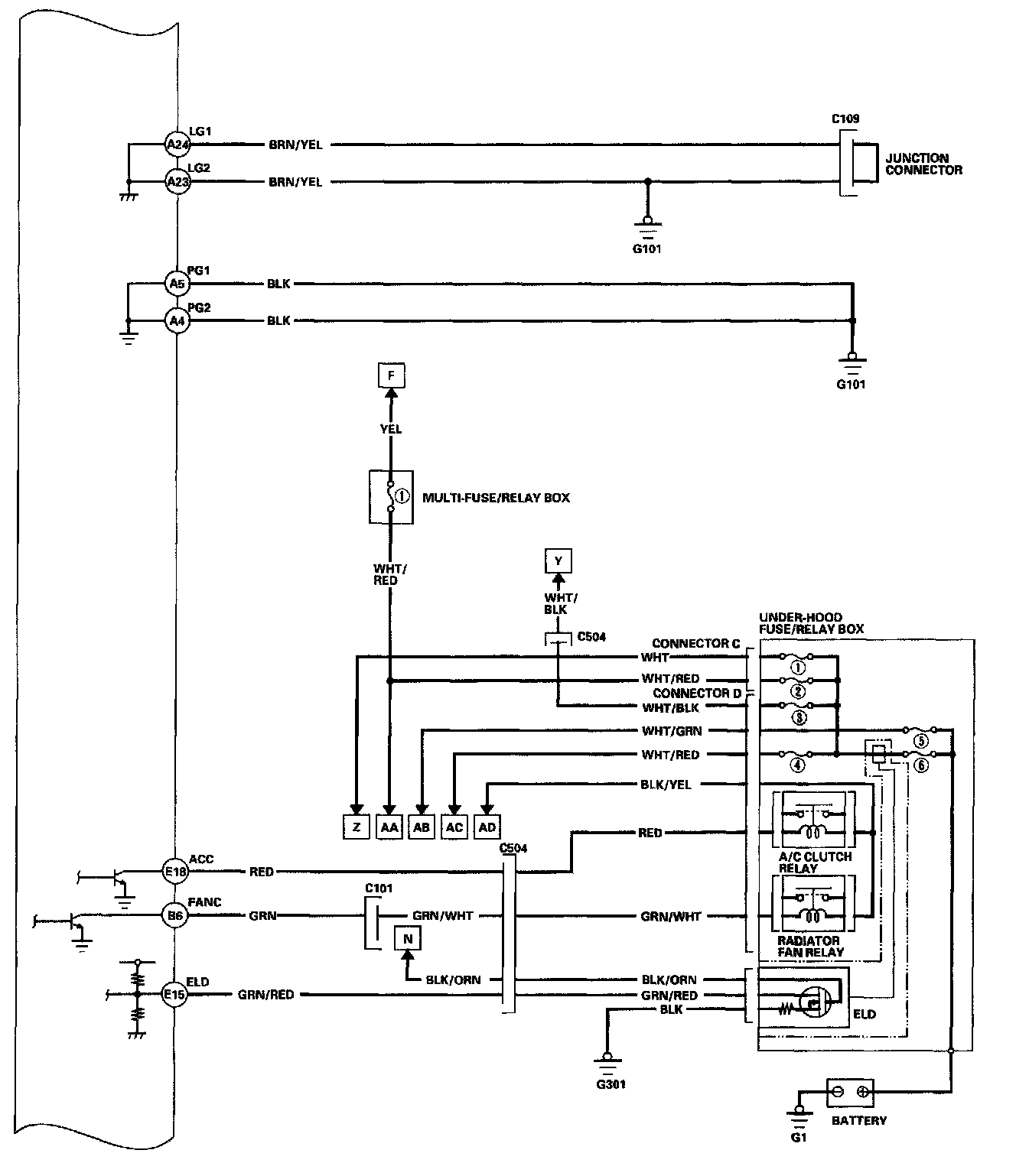
ECM Circuit Diagram - AT-PZEV (SULEV) Model 11-57:




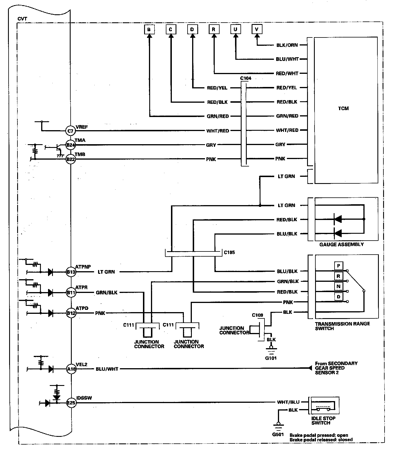
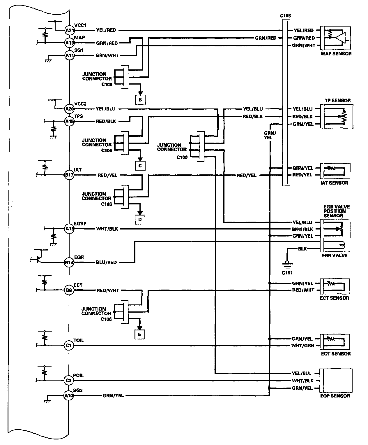
ECM Circuit Diagram - AT-PZEV (SULEV) Model 11-58:




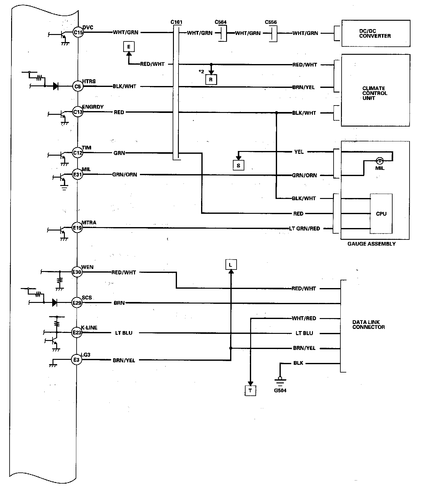
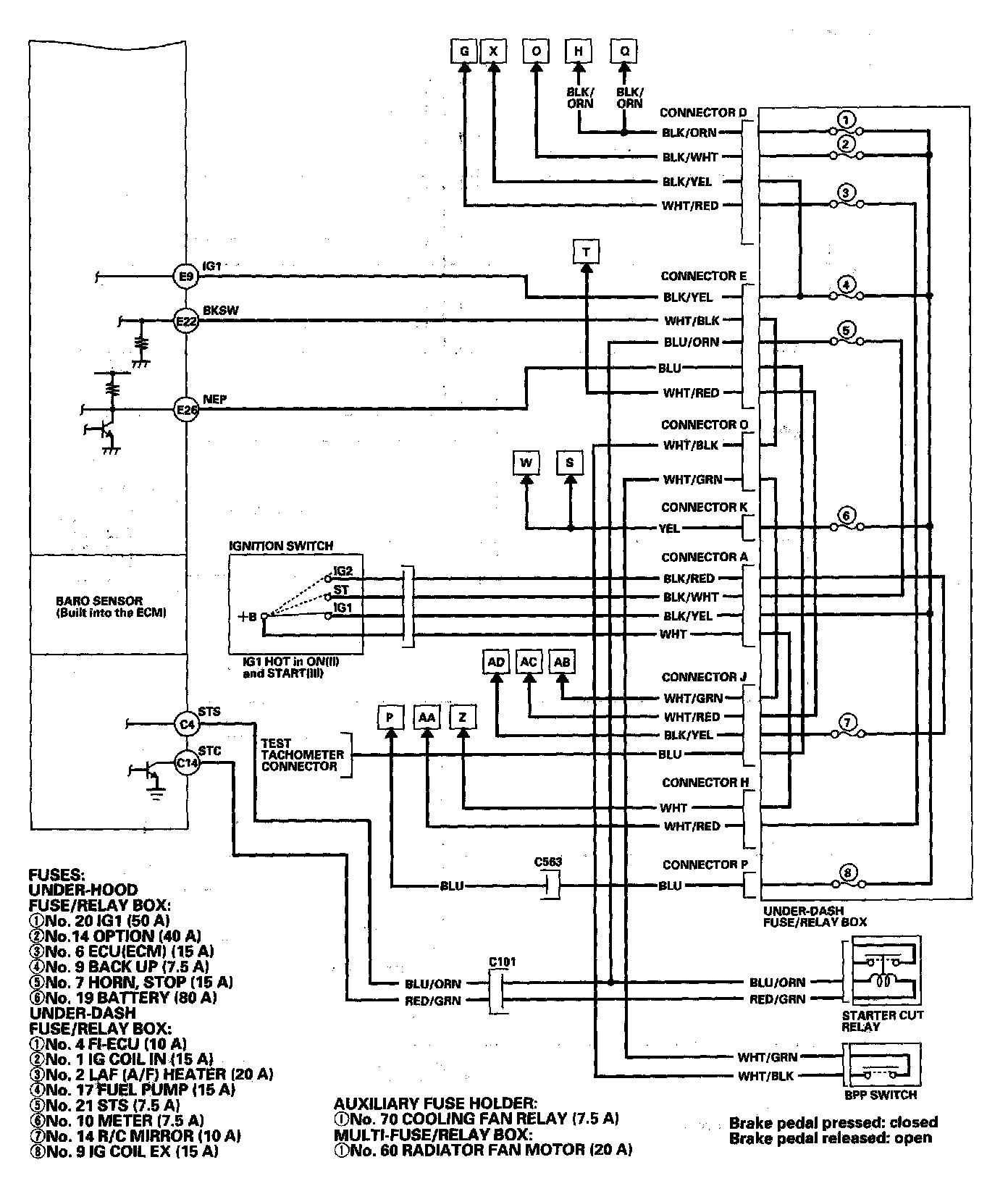
ECM Circuit Diagram - AT-PZEV (SULEV) Model 11-59:




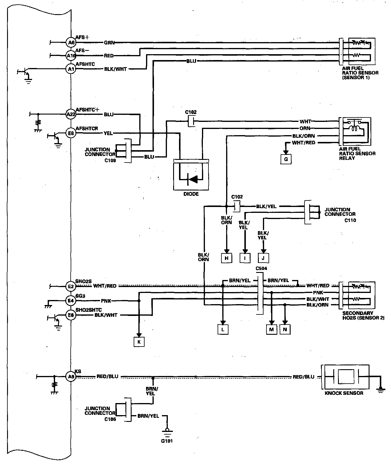
ECM Circuit Diagram - AT-PZEV (SULEV) Model 11-60:




ECM Circuit Diagram - AT-PZEV (SULEV) Model 11-61:




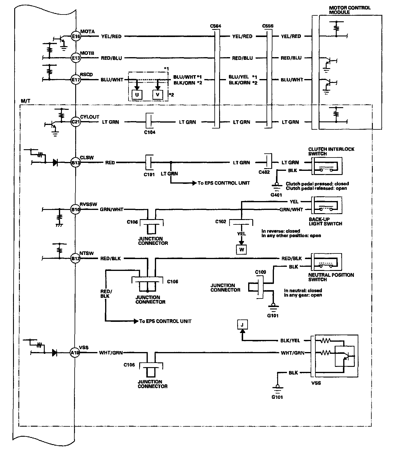
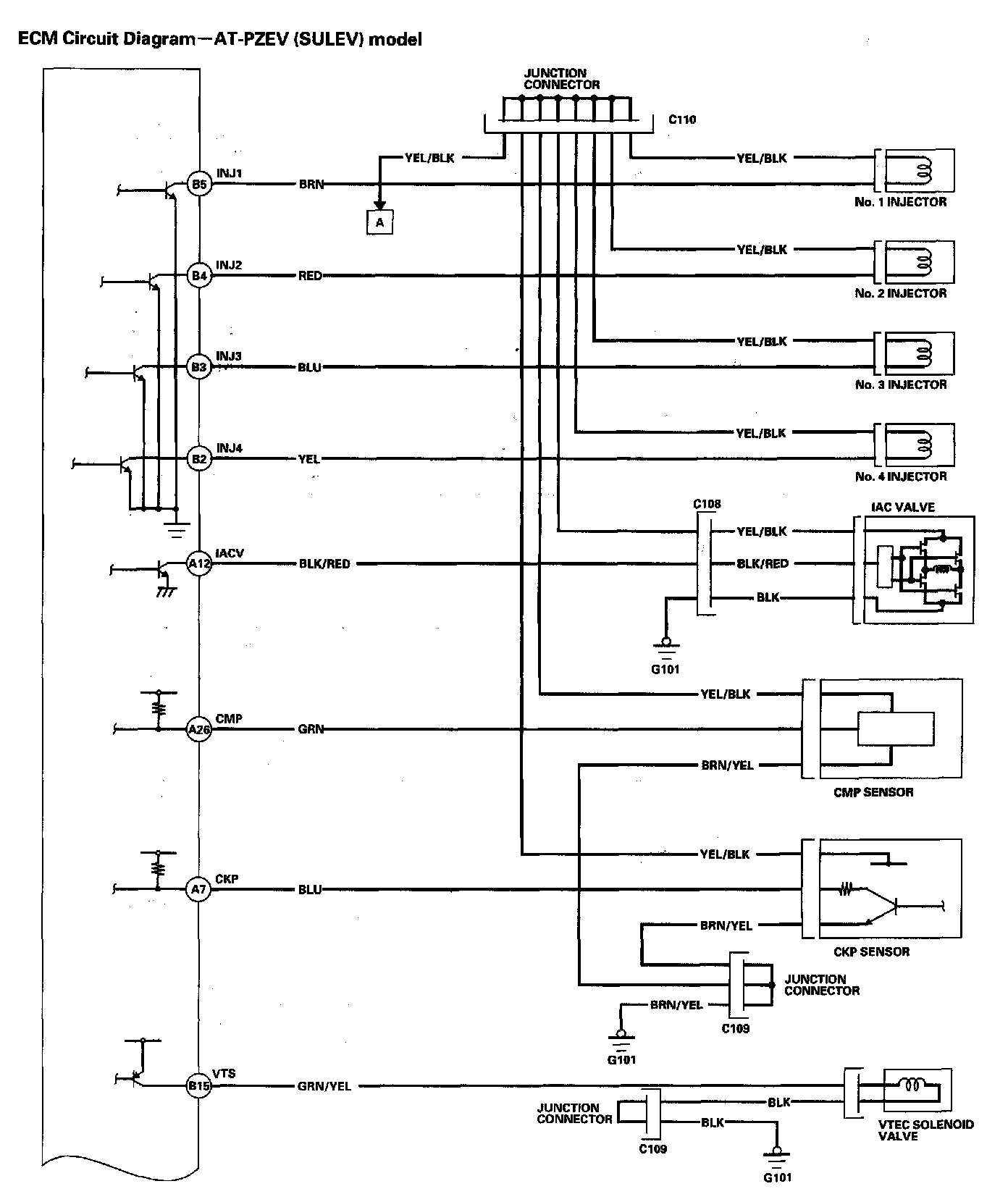
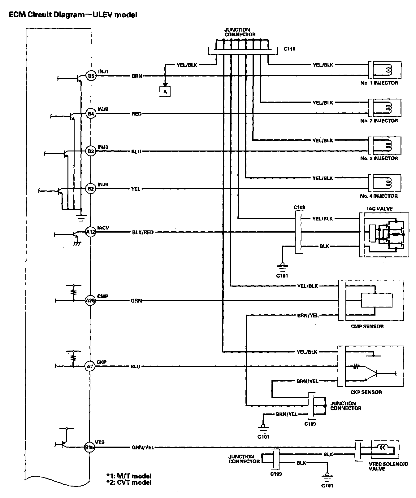
ECM Circuit Diagram - ULEV Model 11-62:




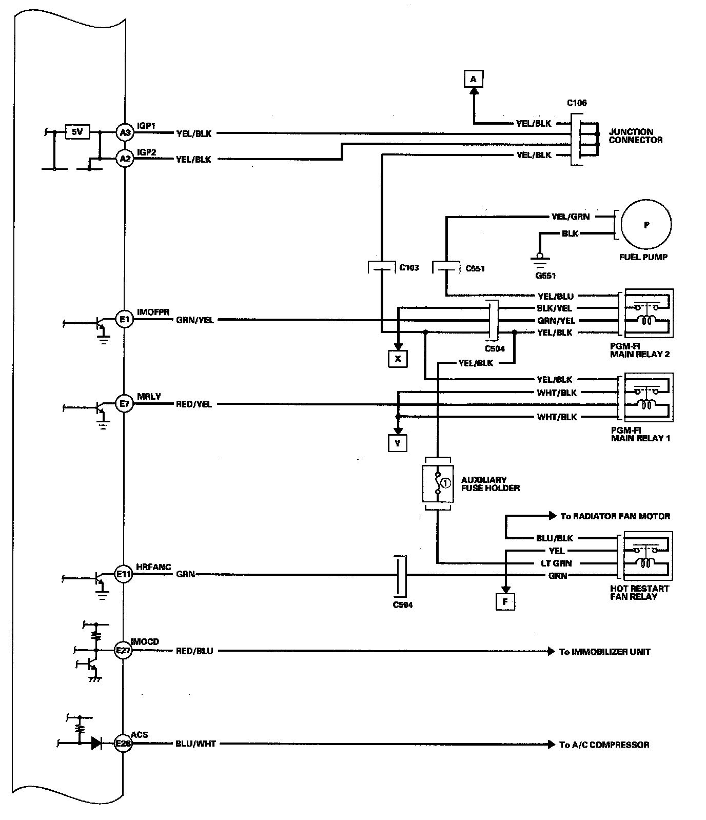
ECM Circuit Diagram - ULEV Model 11-63:




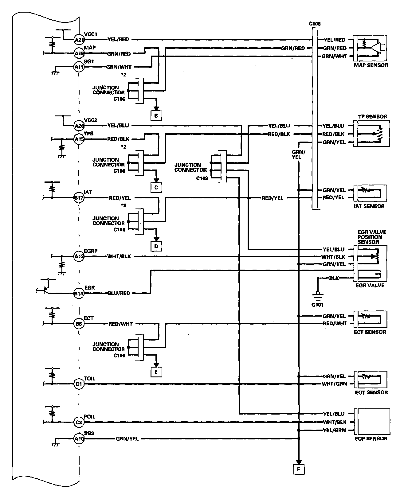
ECM Circuit Diagram - ULEV Model 11-64:




ECM Circuit Diagram - ULEV Model 11-65:




ECM Circuit Diagram - ULEV Model 11-66:




ECM Circuit Diagram - ULEV Model 11-67:




ECM Circuit Diagram - ULEV Model 11-68:




ECM Circuit Diagram - ULEV Model 11-69:




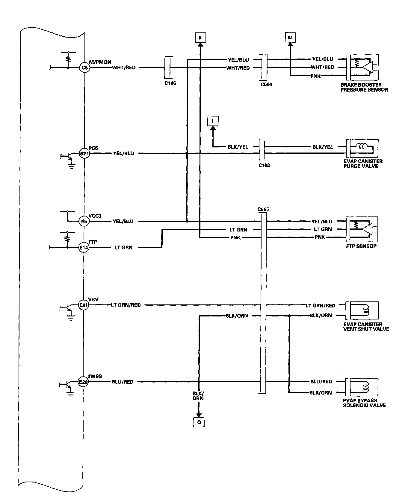
ECM Circuit Diagram - ULEV Model 11-70:




ECM Circuit Diagram - ULEV Model 11-71:




ECM Circuit Diagram - ULEV Model 11-72: