Curiosii for ever!
: Car repair manuals for everyone.
Home
>>
Honda
>>
2005
>>
Accord V6-3.0L Hybrid
>>
Repair and Diagnosis
>>
Diagrams
>>
Electrical Diagrams
>>
Powertrain Management
>>
System Diagram
>>
Control Module Circuit Diagrams
>>
ECM/PCM Circuit Diagrams
ECM/PCM Circuit Diagrams
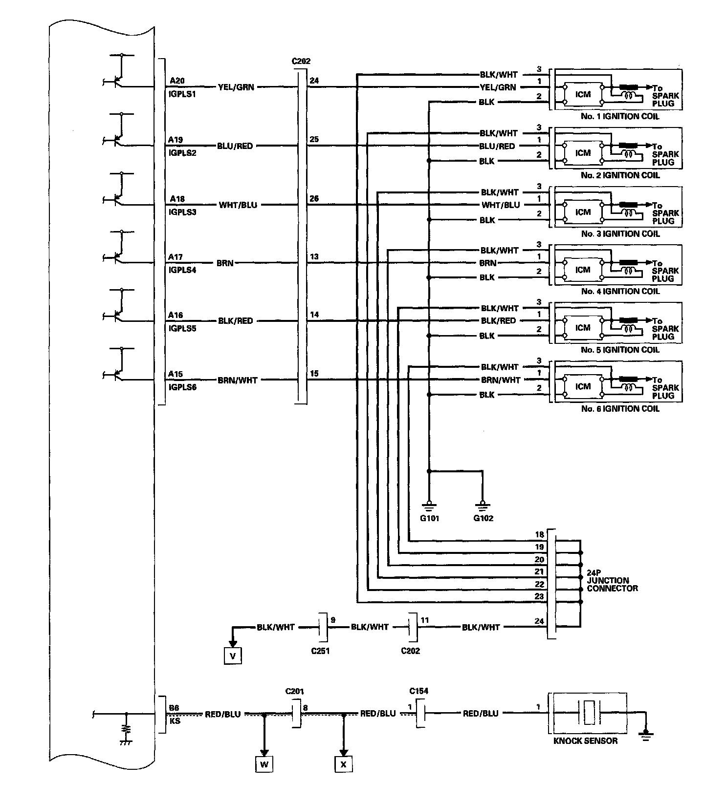
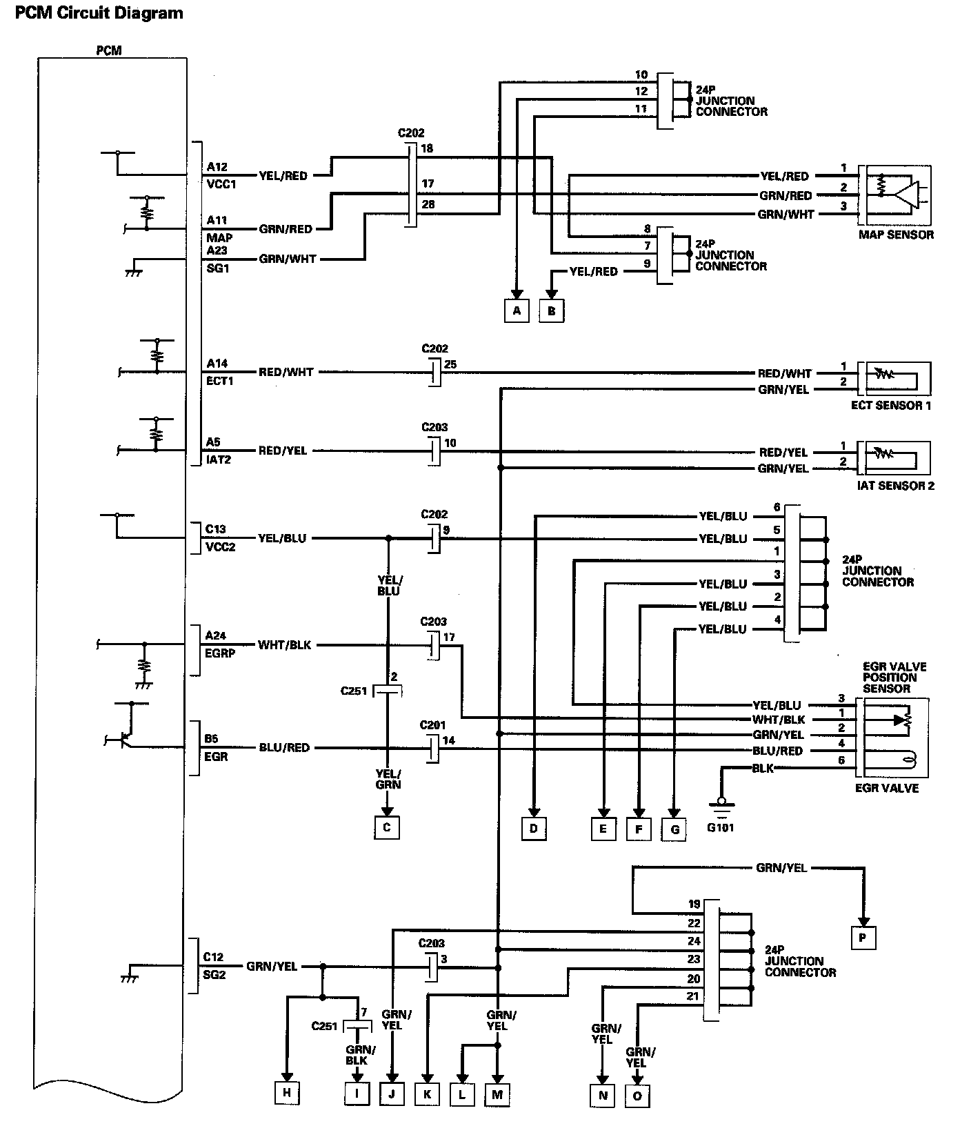
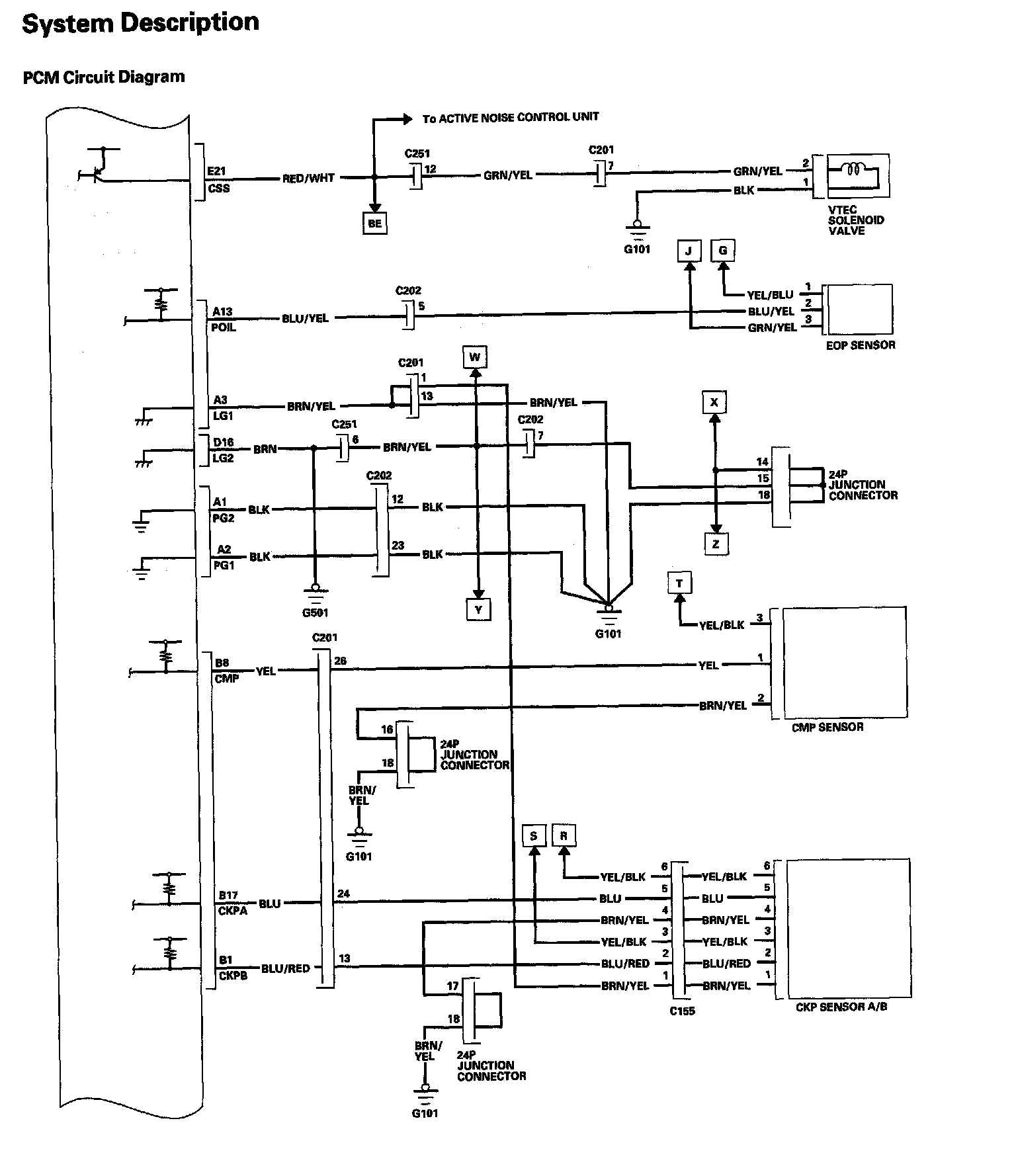
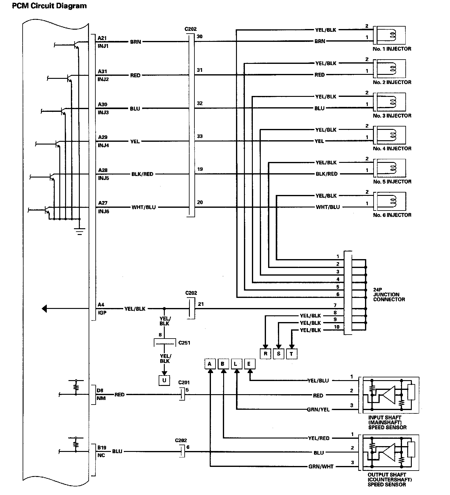
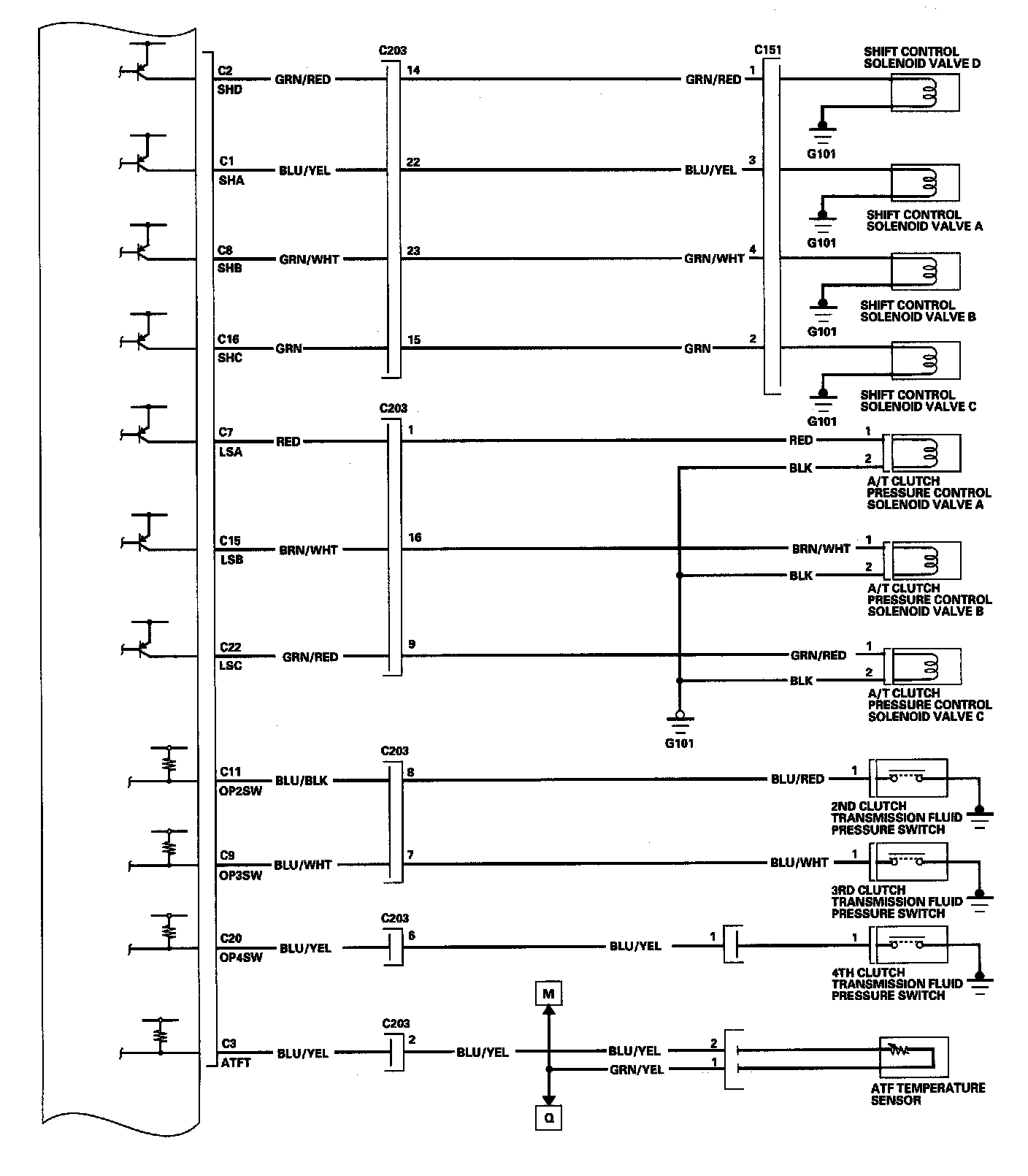
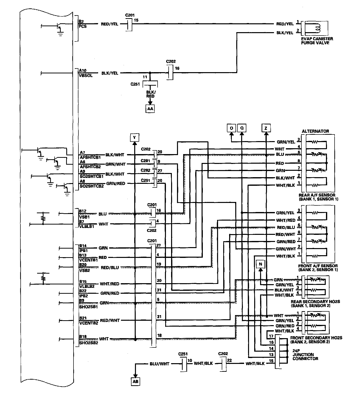
PCM Circuit Diagram Part 1:
PCM Circuit Diagram Part 2:
PCM Circuit Diagram Part 3:
PCM Circuit Diagram Part 4:
PCM Circuit Diagram Part 5:
PCM Circuit Diagram Part 6: