Curiosii for ever!: Car repair manuals for everyone.

Electronic Brake Control Module: Service and Repair

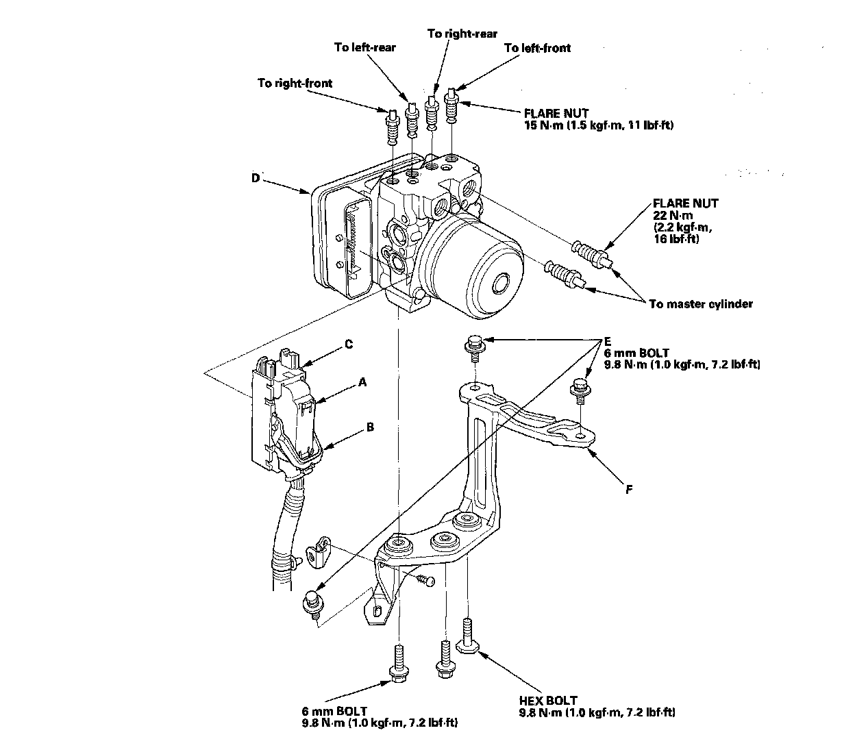
ABS/TCS Modulator-Control Unit Removal and Installation

NOTE:
^ Do not spill brake fluid on the vehicle; it may damage the paint; if brake fluid gets on the paint, wash it off immediately with water.
^ Be careful not to damage or deform the brake lines during removal and installation.
^ To prevent the brake fluid from flowing, plug and cover the hose ends and joints with a shop towel or equivalent material.

Removal





1. Push in on the lock (A), then pull down the lever (B) of the ABS/TCS control unit 47P connector (C), and the connector disconnects itself.
2. Disconnect the six brake lines from the ABS/TCS modulator-control unit (D).
3. Remove the three 6 mm bolts (E).
4. Remove the ABS/TCS modulator-control unit and bracket (F).
5. Remove the two 6 mm bolts and hex bolt, then remove the bracket.

Installation
1. Install the ABS/TCS modulator-control unit to the bracket, then tighten the two 6 mm bolts and the hex bolt.
2. Install the ABS/TCS modulator-control unit/bracket, then tighten the three 6 mm bolts.
3. Reconnect the six brake lines, then tighten the nuts.
4. Align the connecting surface of the ABS/TCS control unit 47P connector.
5. Push in the lock of the ABS/TCS control unit 47P connector until you hear it click into place, then connect the connector.
6. Bleed the brake system, starting with the front wheels.
7. Perform the TCS pressure sensor neutral position memorization.
8. Start the engine, and check that the ABS, TCS and TCS activation indicators goes off.
9. Test-drive the vehicle, and check that the ABS, TCS and TCS activation indicators do not come on.