Curiosii for ever!
: Car repair manuals for everyone.
Home
>>
Honda
>>
2005
>>
Accord V6-3.0L Hybrid
>>
Repair and Diagnosis
>>
Body and Frame
>>
Frame
>>
Specifications
Frame: Specifications
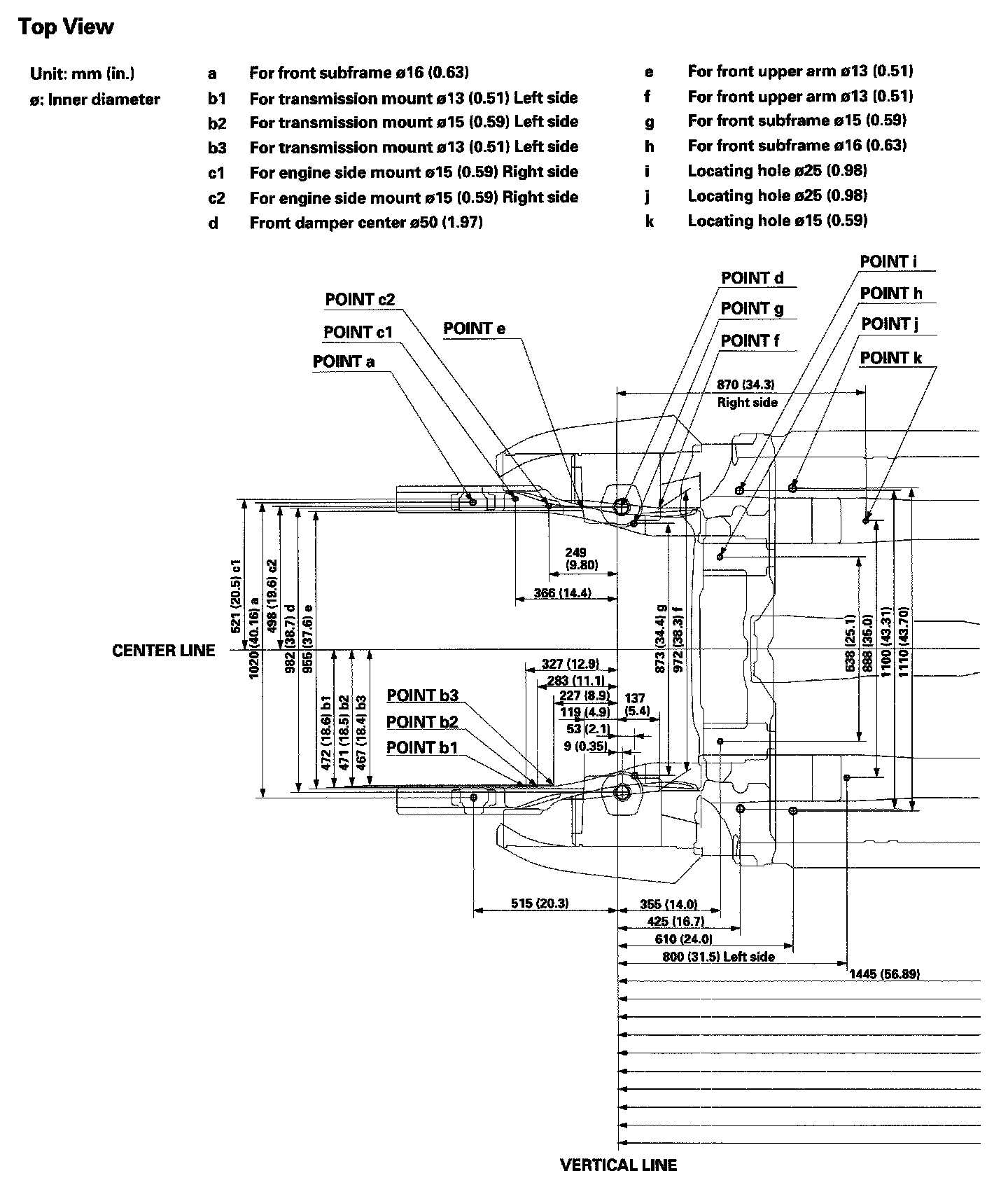
Frame Repair Chart - Top View Part 1 Of 2:
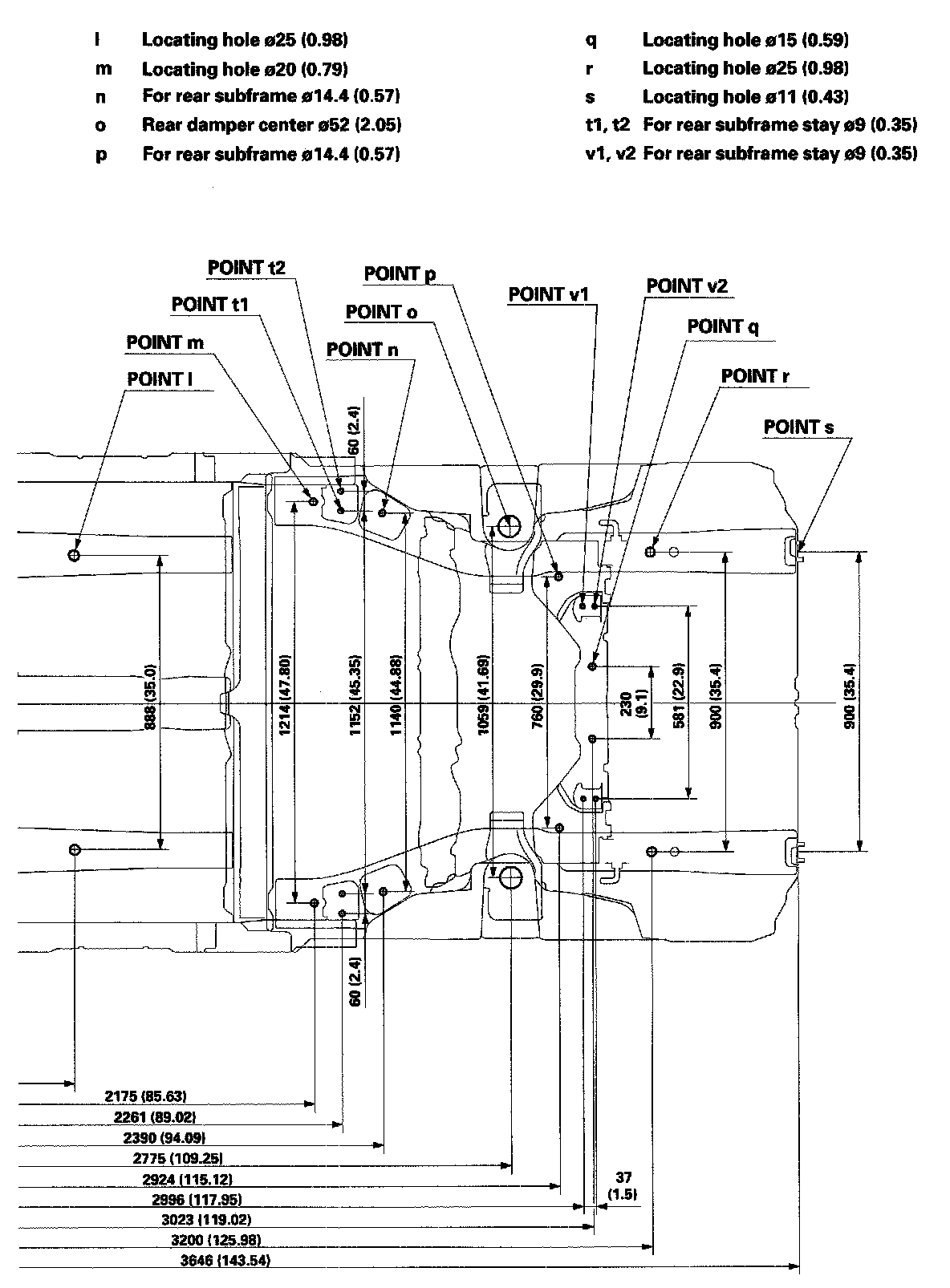
Frame Repair Chart - Top View Part 2 Of 2:
Frame Repair Chart - Side View Part 1 Of 2:
Frame Repair Chart - Side View Part 2 Of 2: