Curiosii for ever!: Car repair manuals for everyone.

Replacement

Starter Replacement

1. Make sure you have the anti-theft code for the radio, and the navigation system, then write down the frequencies for the radio's preset buttons.
2. Disconnect the negative cable from the battery first, then disconnect the positive cable.
3. Remove the intake manifold.







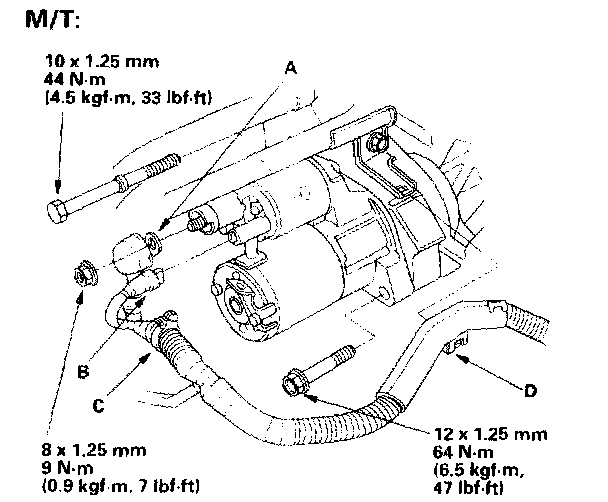
4. Disconnect the starter cable (A) from the B terminal, then disconnect the BLK/WHT wire (B) from the S terminal.
5. Remove the harness clamp (C).
6. Remove the harness holder (D).
7. Remove the two bolts holding the starter, then remove the starter.




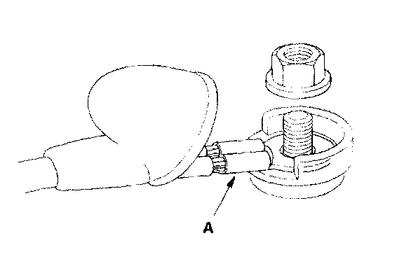
8. Install the reverse order of removal. Make sure the crimped side of the ring terminal (A) is facing out.
9. Connect the battery positive cable and negative cable to the battery.
10. Start the engine to make sure the starter works properly.
11. Enter the anti-theft codes for the radio and the navigation system, then enter the customer's radio station preset.
12. Set the clock.
13. Perform the power window control unit reset procedure.