Curiosii for ever!: Car repair manuals for everyone.

Variable Valve Timing Solenoid: Testing and Inspection

VTEC Solenoid Valve Inspection

1. Disconnect the VTEC solenoid valve connector and the VTEC oil pressure switch connector.
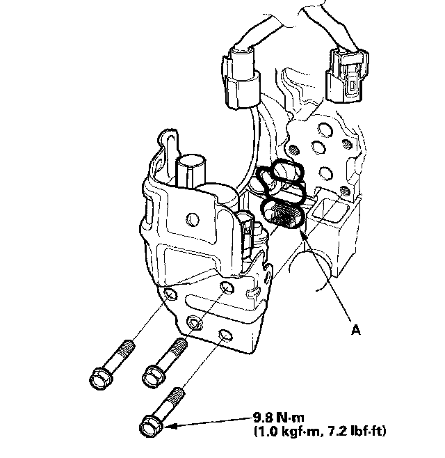
2. Remove the VTEC solenoid valve assembly from the cylinder head assembly.




3. Measure resistance between VTEC solenoid valve connector terminals No.1 and No.2.




4. If the resistance is within specifications, check the solenoid valve filter (A) for clogging. If it is clogged, replace the solenoid valve filter, the engine oil filter, and the engine oil.