Curiosii for ever!: Car repair manuals for everyone.

Wiper Motor: Service and Repair

Wiper Motor Replacement




1. Open the hood, and remove the cap nuts and the wiper arms,
2. Remove the hood seal and cowl cover.




3. Disconnect the 5P connector (A) from the wiper motor (B).
4. Remove the bolts, then remove windshield wiper linkage assembly (C).




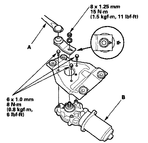
5. Remove the three mounting bolts and nut from the wiper linkage (A) to remove the wiper motor (B).
6. Install in the reverse order of removal, and note these items:
- Grease all moving parts.
- Before reinstalling the wiper arms, turn the wiper switch ON, then OFF to return the wiper shafts to the park position.
- If necessary, replace any damaged clips.
- Check the wiper motor operation.