Curiosii for ever!: Car repair manuals for everyone.

Replacement

Starter Replacement

1. Make sure you have the anti-theft code for the radio, then write down the customer's radio station presets. Make sure the ignition switch is OFF.
2. Disconnect the negative cable from the battery first, then disconnect the positive cable.
3. Disconnect the knock sensor connector.




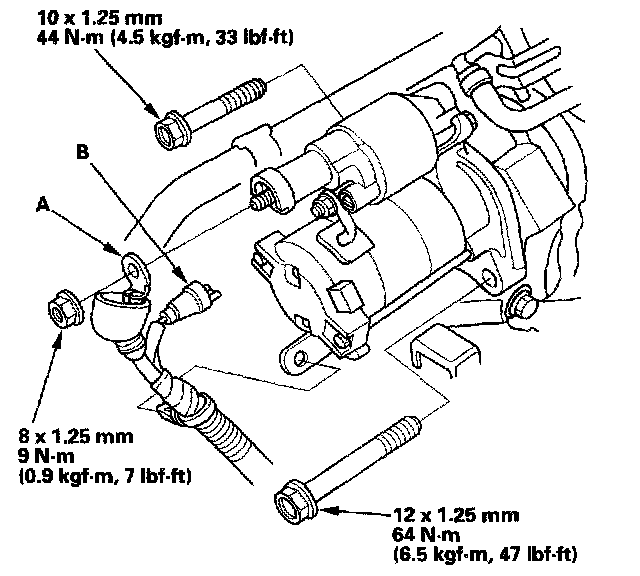
4. Remove the bolt (A) securing the harness bracket, then remove the intake manifold bracket (B).




5. Disconnect the starter cable (A) from the B terminal on the solenoid, then disconnect the BLK/WHT wire (B) from the S terminal.
6. Remove the two bolts holding the starter, then remove the starter.




7. Install the starter in the reverse order of removal. Make sure the crimped side of the ring terminal (A) is facing out.
8. Connect the positive cable to the battery first, then connect the negative cable.
9. Start the engine to make sure the starter operates properly.
10. Enter the anti-theft code for the radio, then enter the customer's radio station presets.
11. Set the clock.
12. Do the engine control module (ECM) idle learn procedure.