Curiosii for ever!: Car repair manuals for everyone.

Air Conditioning Switch: Service and Repair

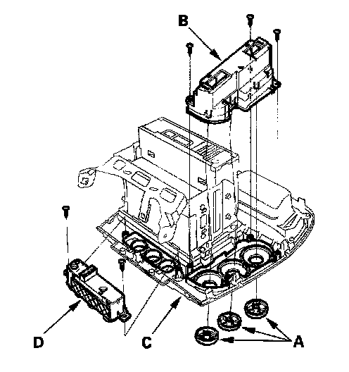
Heater Control Panel and Push Switch Assembly Removal and Installation

1. Remove the center panel.




2. Remove the dials (A), then remove the self-tapping screws and the heater control panel (B) from the center panel (C). Remove the self-tapping screws and the push switch assembly (D) from the center panel.
3. Install the control panel and push switch assembly in the reverse order of removal. After installation, operate the control panel controls to see whether it work properly.
4. Run the self-diagnosis function to confirm that there are no problems in the system.