Curiosii for ever!: Car repair manuals for everyone.

Electronic Brake Control Module: Service and Repair

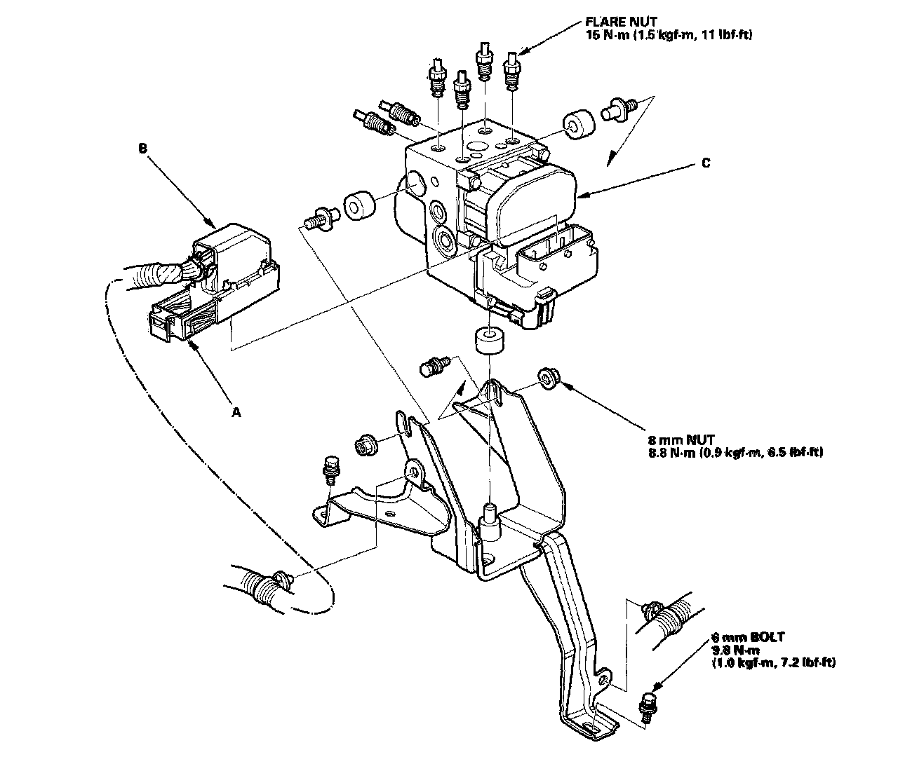
ABS Modulator-Control Unit Removal and Installation

NOTE:
^ Do not spill brake fluid on the vehicle; it may damage the paint; if brake fluid gets on the paint, wash it off immediately with water.
^ Be careful not to damage or deform the brake lines during removal and installation.
^ To prevent the brake fluid from flowing, plug and cover the hose ends and joints with a shop towel or equivalent material.

Removal
1. Turn the ignition switch OFF.





2. Pull up the lock (A) of the ABS control unit 31P connector (B), then disconnect the connector.
3. Disconnect the six brake lines from the ABS modulator-control unit (C).
4. Remove the two 8 mm nuts.
5. Remove the ABS modulator-control unit.

Installation
1. Install the ABS modulator-control unit, then tighten the two 8 mm nuts.
2. Align the connecting surface of the ABS control unit 31P connector.
3. Push in the lock of the ABS control unit 31P connector until you hear it click into place, then connect the connector.
4. Connect the six brake lines.
5. Bleed the brake system, starting with the front wheels.
6. Connect the HDS, and do the solenoid function test for each wheel.
7. Bleed the brake system again, starting with the front wheels.
8. Start the engine, and check that the ABS indicator and brake system indicator go off.
9. Disconnect the HDS. Test-drive the vehicle, and check that the ABS indicator and brake system indicator do not come on.