Electronic Brake Control Module: Service and Repair
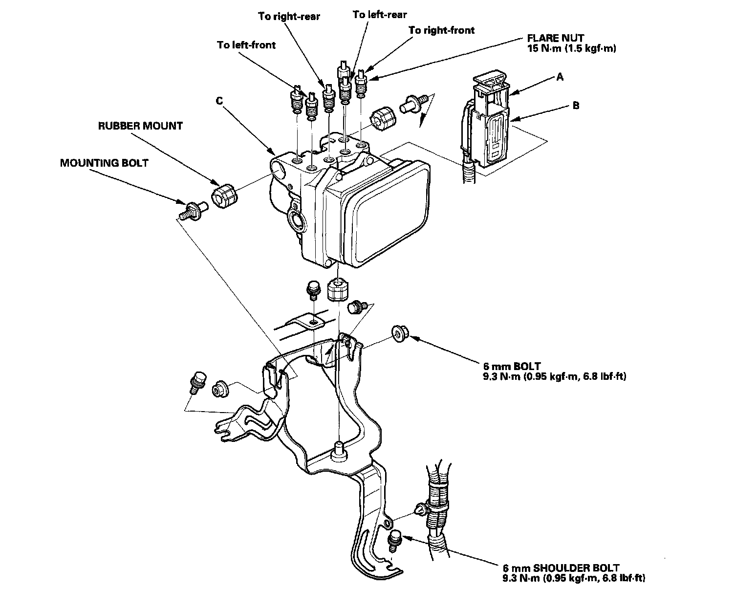
ABS Modulator-Control Unit Removal and InstallationNOTE:
^ Do not spill brake fluid on the vehicle; it may damage the paint; if brake fluid gets on the paint, wash it off immediately with water.
^ Be careful not to damage or deform the brake lines during removal and installation.
^ To prevent the brake fluid from flowing, plug and cover the hose ends and joints with a shop towel or equivalent material.
Removal
1. Turn the ignition switch OFF.
2. Disconnect the negative cable from the battery.
3. Pull up the lock (A) of the ABS control unit 25P connector (B), and the connector disconnects itself.
4. Disconnect the six brake lines.
5. Remove the two 6 mm nuts.
6. Remove the ABS modulator-control unit (C).
Installation
1. Install the ABS modulator-control unit, then tighten the two 6 mm nuts.
2. Reconnect the six brake lines, then tighten the nuts.
3. Align the connecting surface of the ABS control unit 25P connector.
4. Push in the lock of the ABS control unit 25P connector until you hear it click into place, then connect the connector.
5. Reconnect the battery cable.
6. Bleed the brake system, starting with the front wheels.
7. Start the engine, and check that the ABS indicator and brake system indicator go off.
8. Test-drive the vehicle, and check that the ABS indicator and brake system indicator do not come on.