Curiosii for ever!
: Car repair manuals for everyone.
Home
>>
Honda
>>
2003
>>
S2000 L4-1997cc 2.0L DOHC AP1 (VTEC) MFI
>>
Repair and Diagnosis
>>
Diagrams
>>
Electrical Diagrams
>>
Powertrain Management
>>
System Diagram
>>
Control Module Circuit Diagrams
>>
ECM Circuit Diagrams
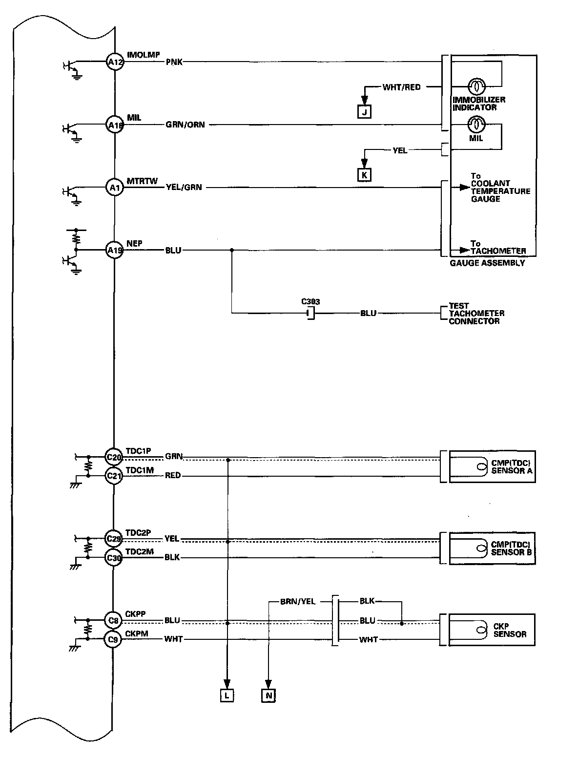
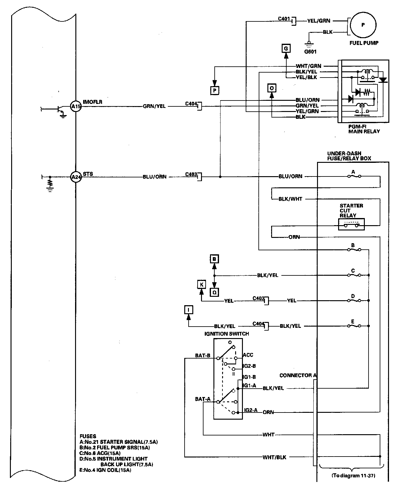
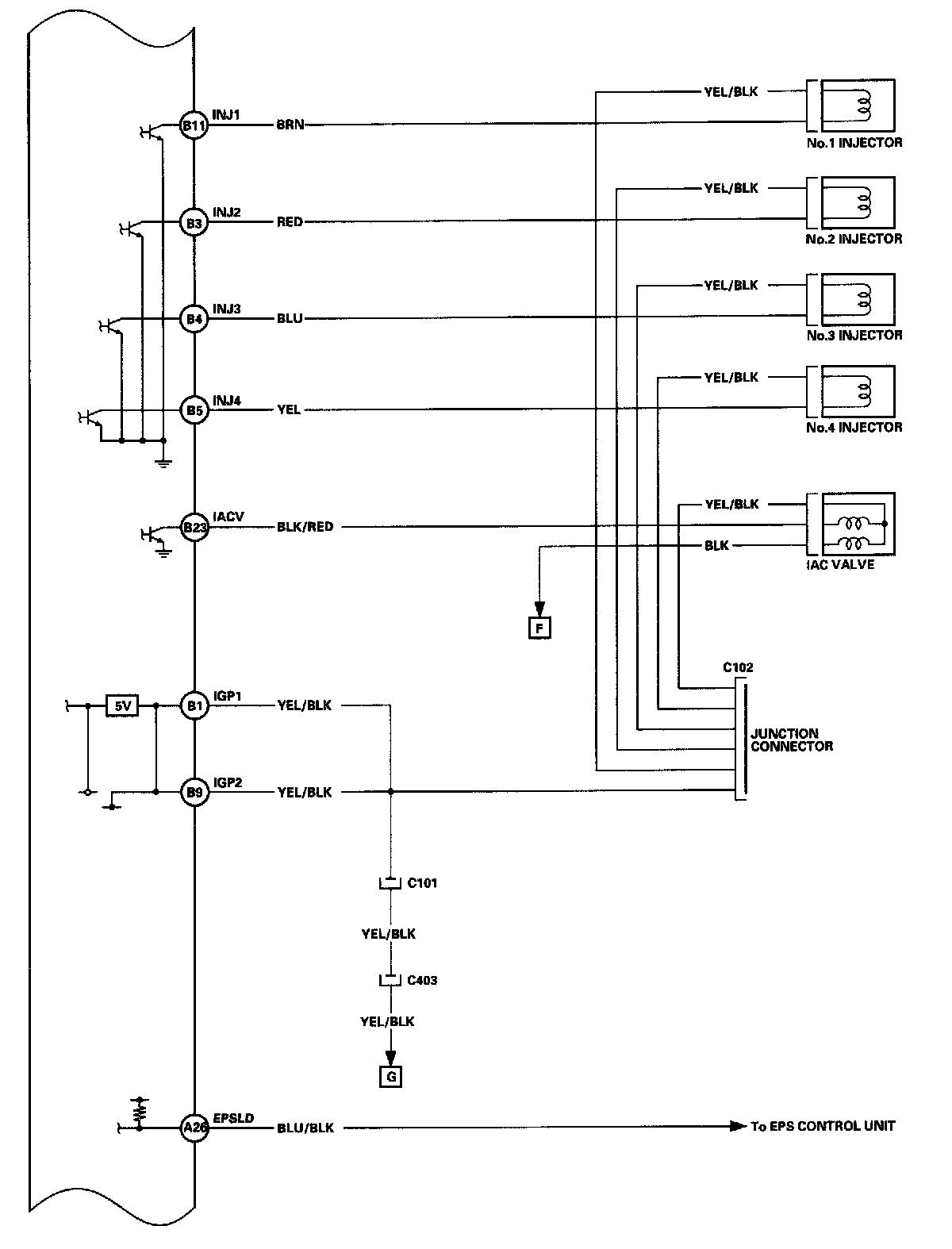
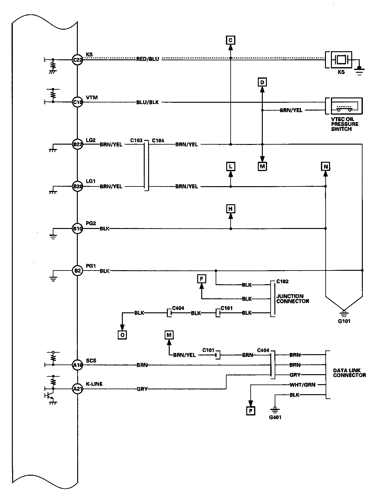
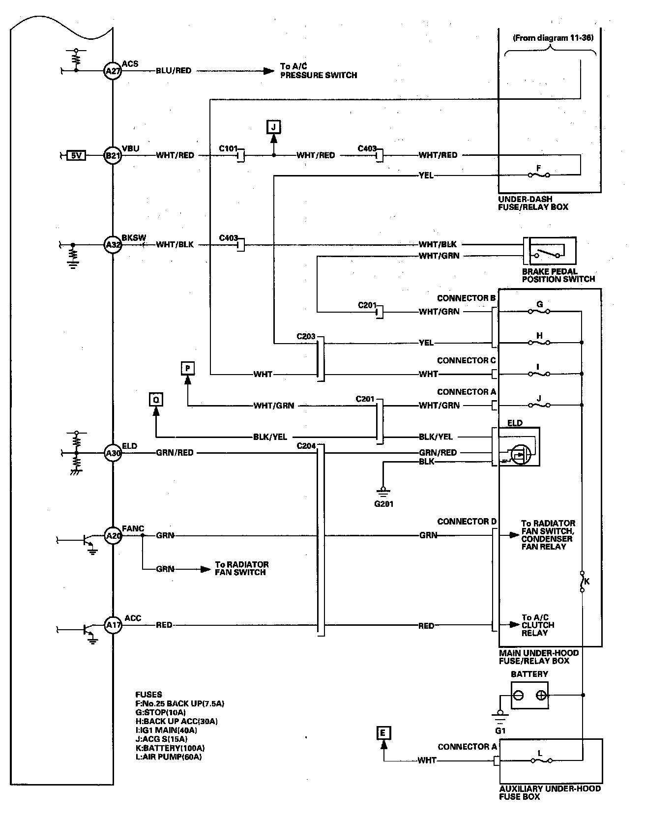
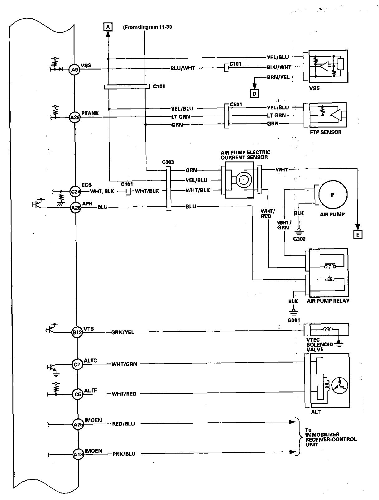
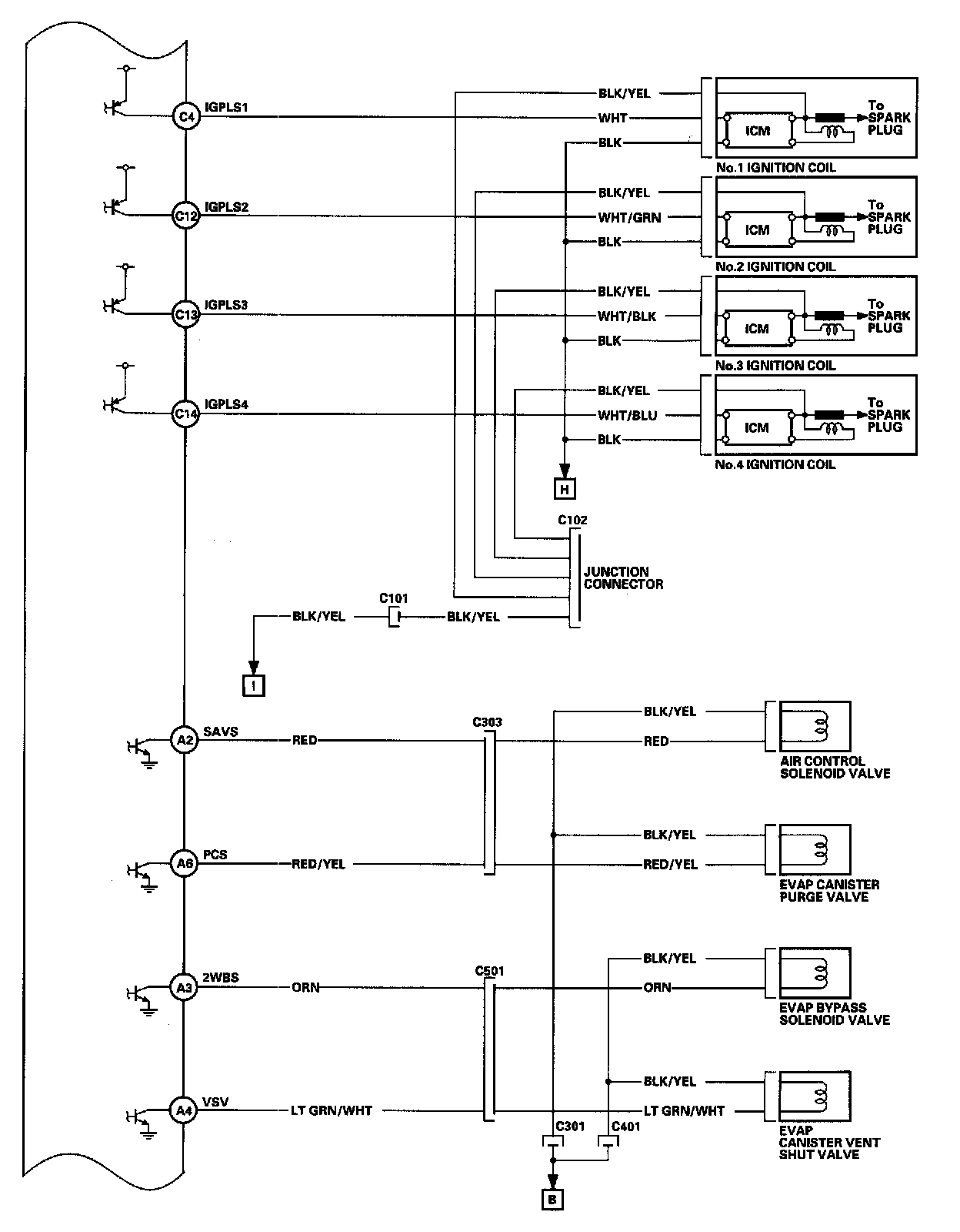
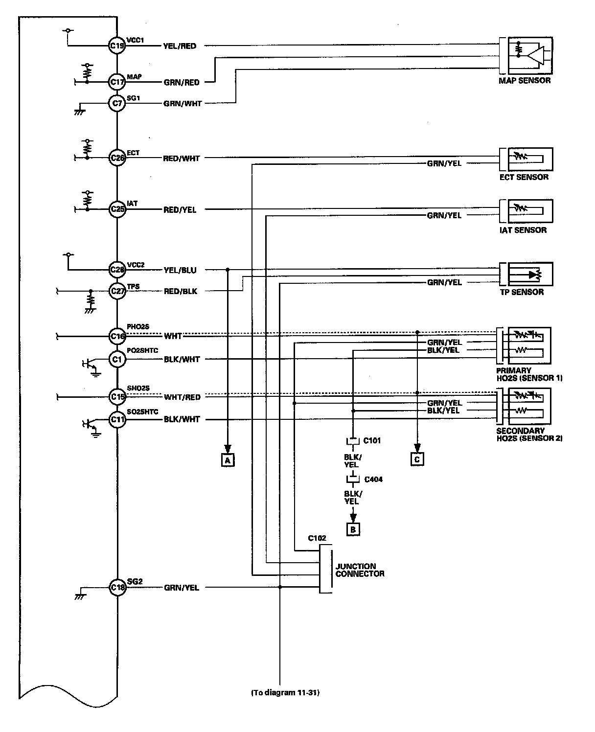
ECM Circuit Diagrams
ECM Circuit Diagram 11-30:
ECM Circuit Diagram 11-31:
ECM Circuit Diagram 11-32:
ECM Circuit Diagram 11-33:
ECM Circuit Diagram 11-34:
ECM Circuit Diagram 11-35:
ECM Circuit Diagram 11-36:
ECM Circuit Diagram 11-37: