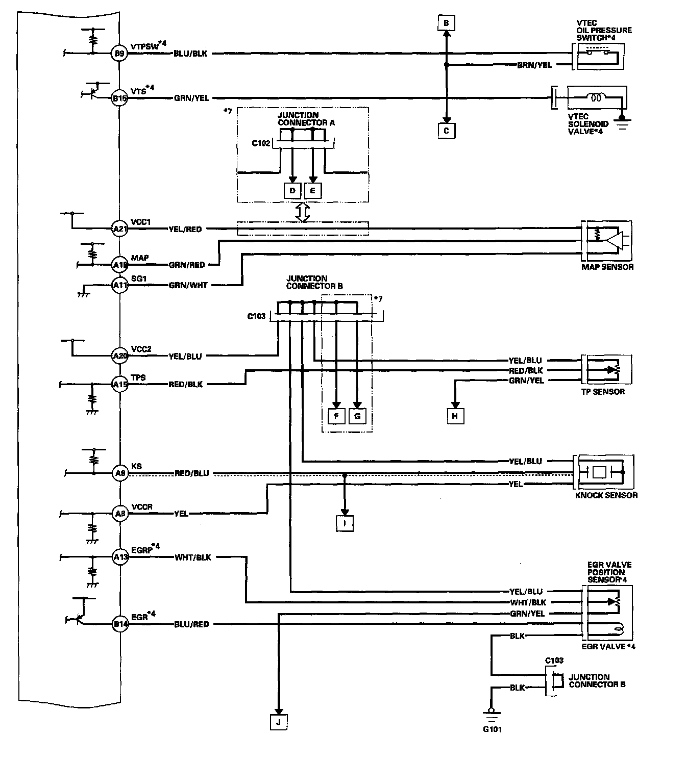
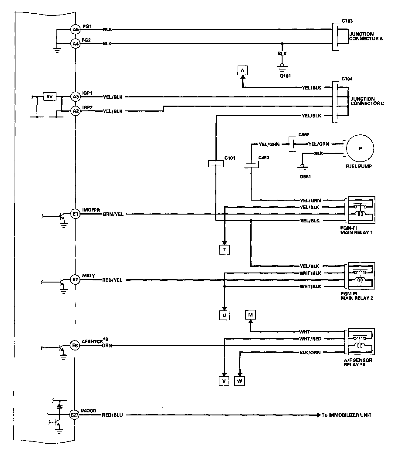
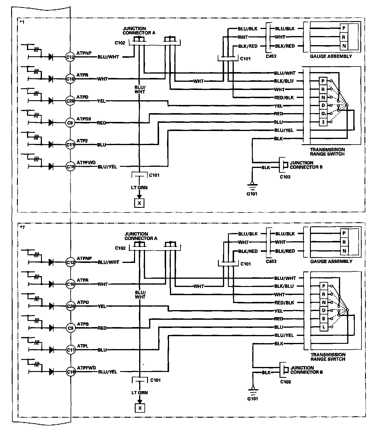
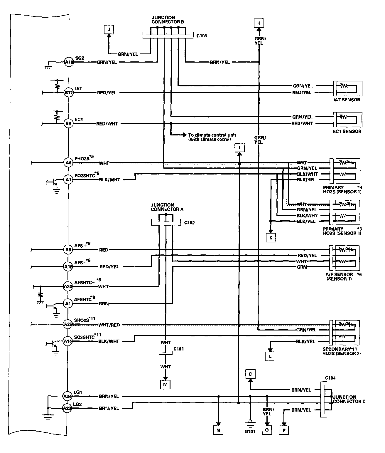
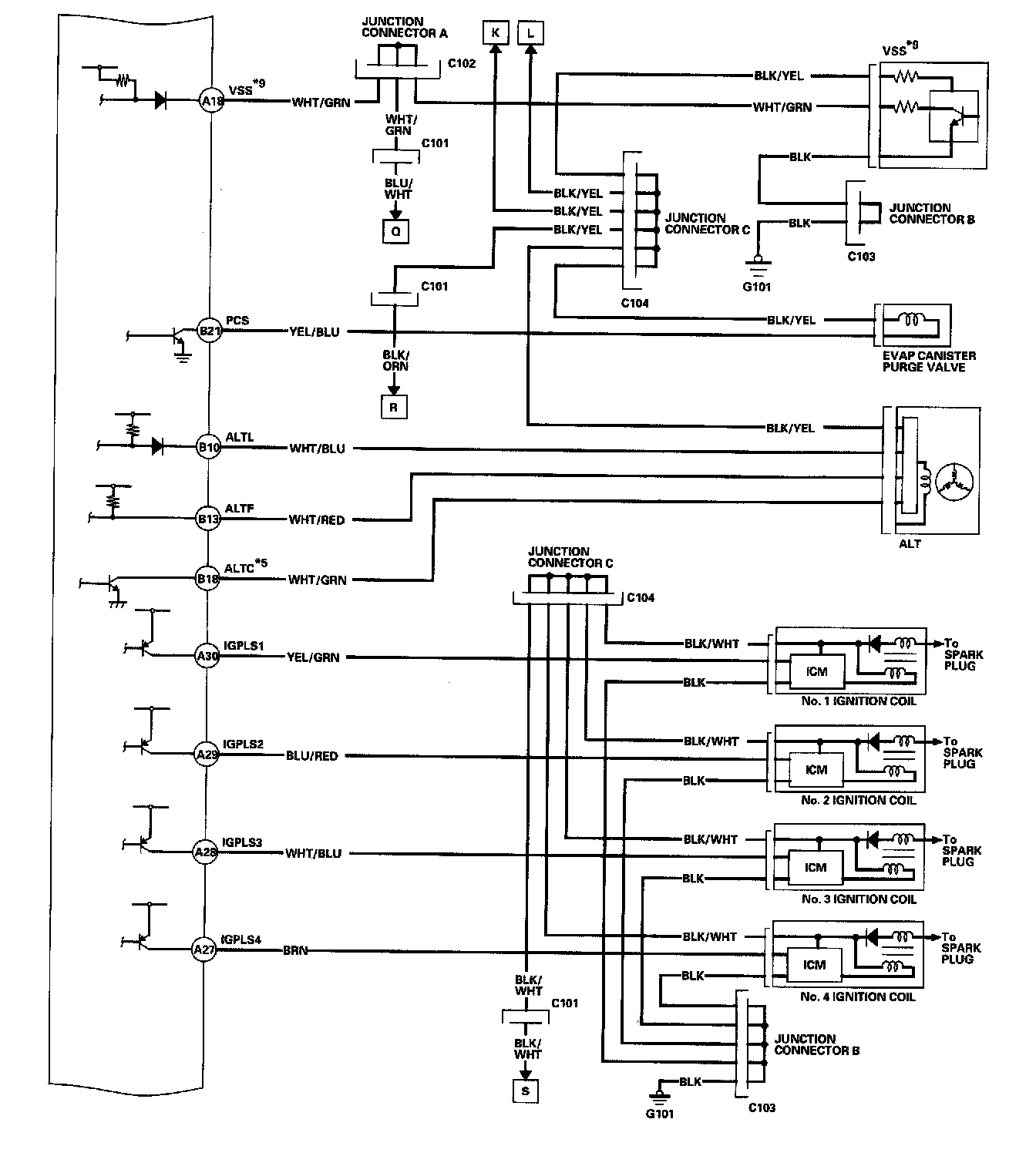
ECM/PCM Circuit Diagrams
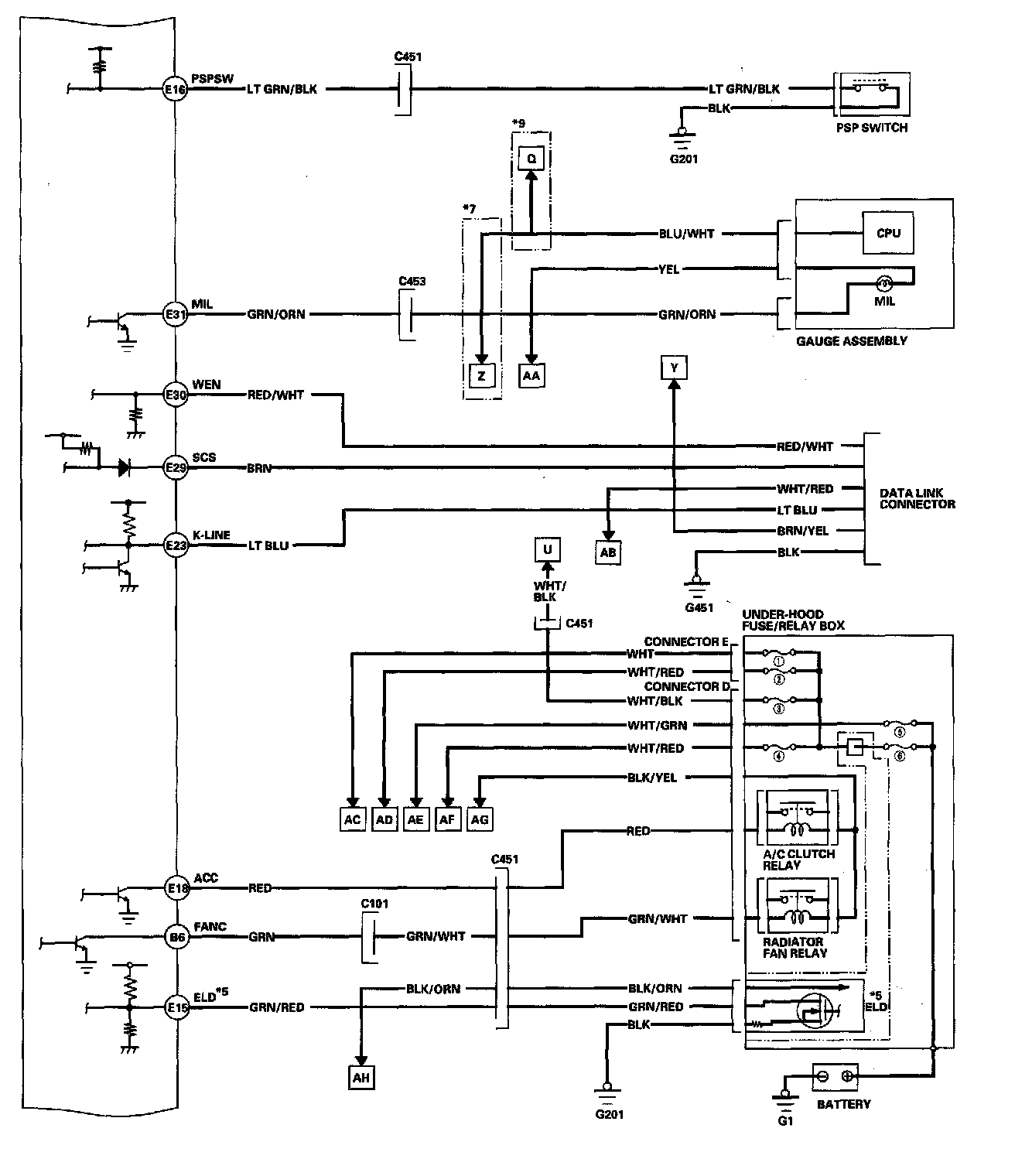
ECM/PCM Circuit Diagram 11-42:
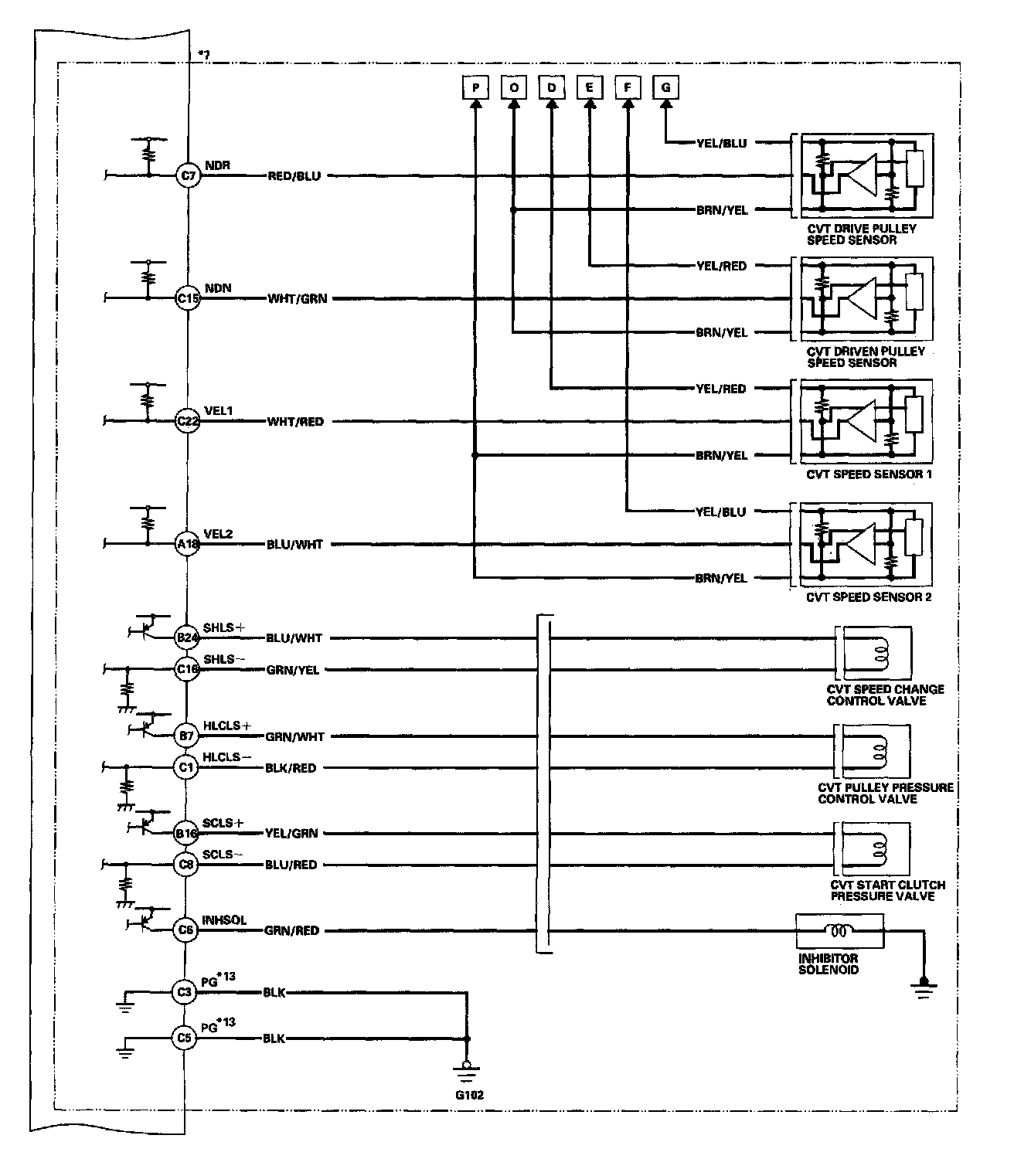
ECM/PCM Circuit Diagram 11-43:
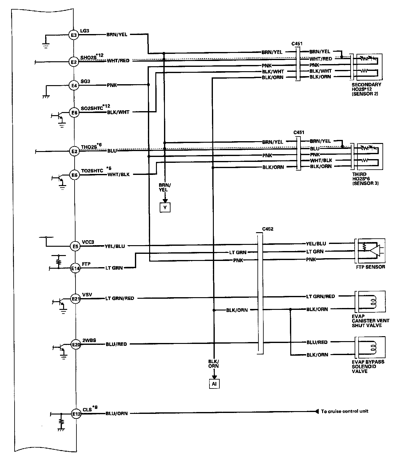
ECM/PCM Circuit Diagram 11-44:
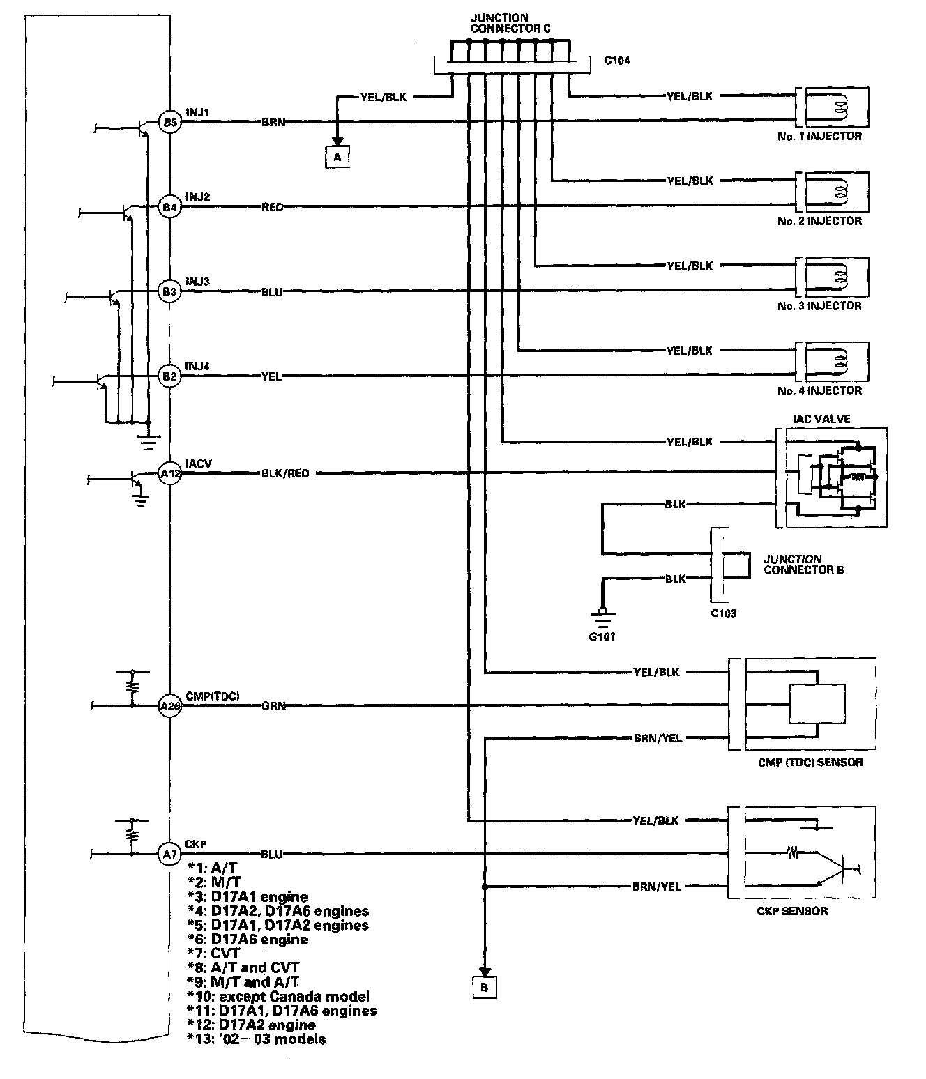
ECM/PCM Circuit Diagram 11-45:
ECM/PCM Circuit Diagram 11-46:
ECM/PCM Circuit Diagram 11-47:
ECM/PCM Circuit Diagram 11-48:
ECM/PCM Circuit Diagram 11-49:
ECM/PCM Circuit Diagram 11-50:
ECM/PCM Circuit Diagram 11-51:
ECM/PCM Circuit Diagram 11-52: