Curiosii for ever!
: Car repair manuals for everyone.
Home
>>
Honda
>>
2003
>>
Civic L4-1668cc 1.7L SOHC MFI
>>
Repair and Diagnosis
>>
Diagrams
>>
Electrical Diagrams
>>
Powertrain Management
>>
System Diagram
>>
Control Module Circuit Diagrams
>>
ECM/PCM Electrical Connections
ECM/PCM Electrical Connections
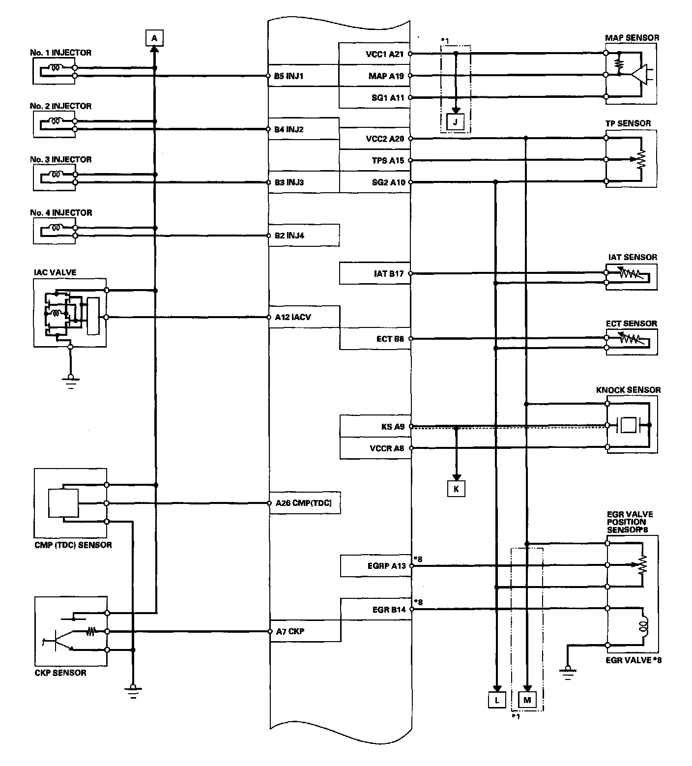
Diagram 11-16:
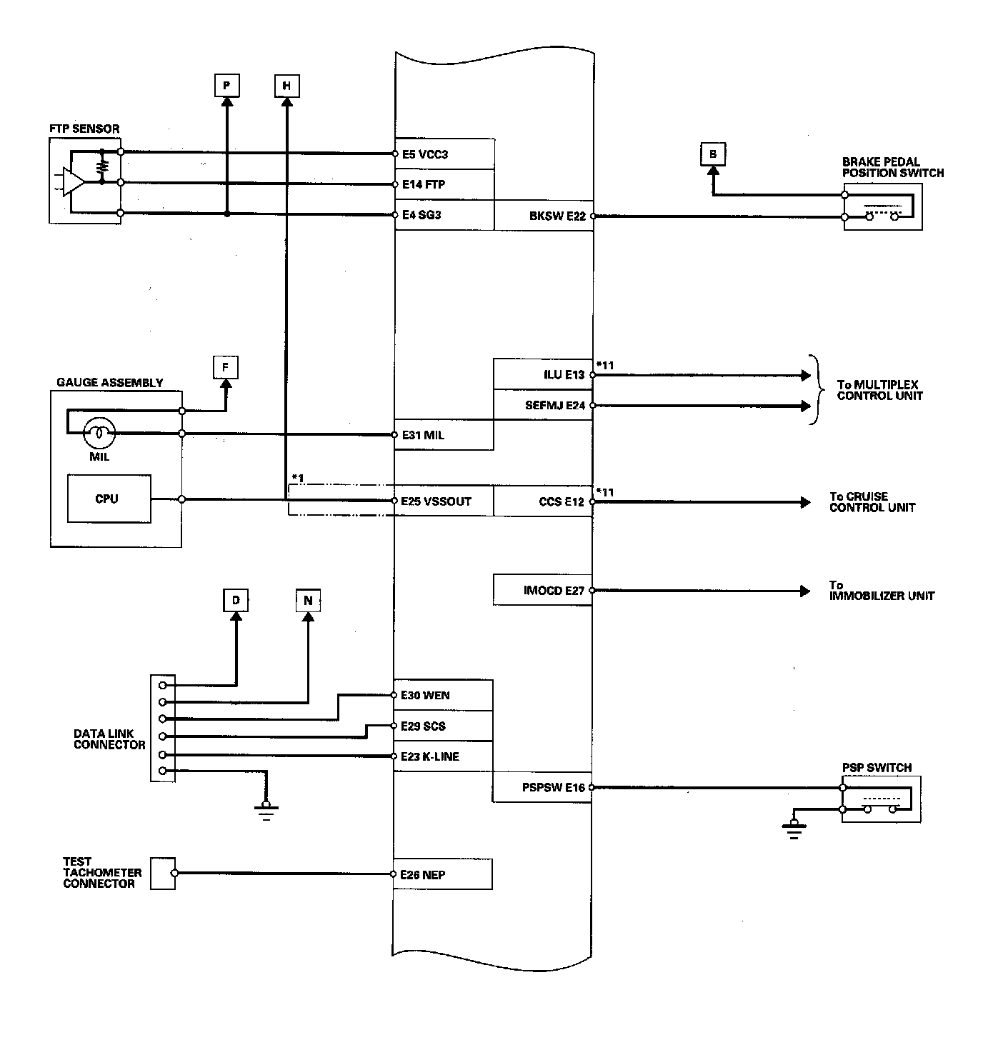
Diagram 11-17:
Diagram 11-18:
Diagram 11-19:
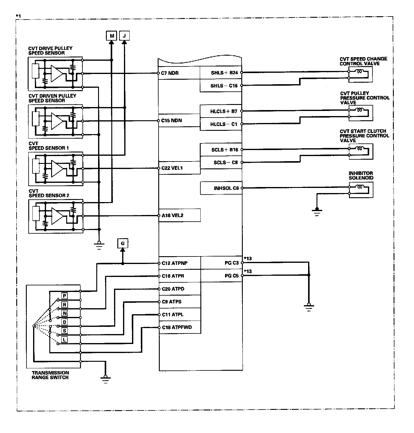
Diagram 11-20 (with CVT):
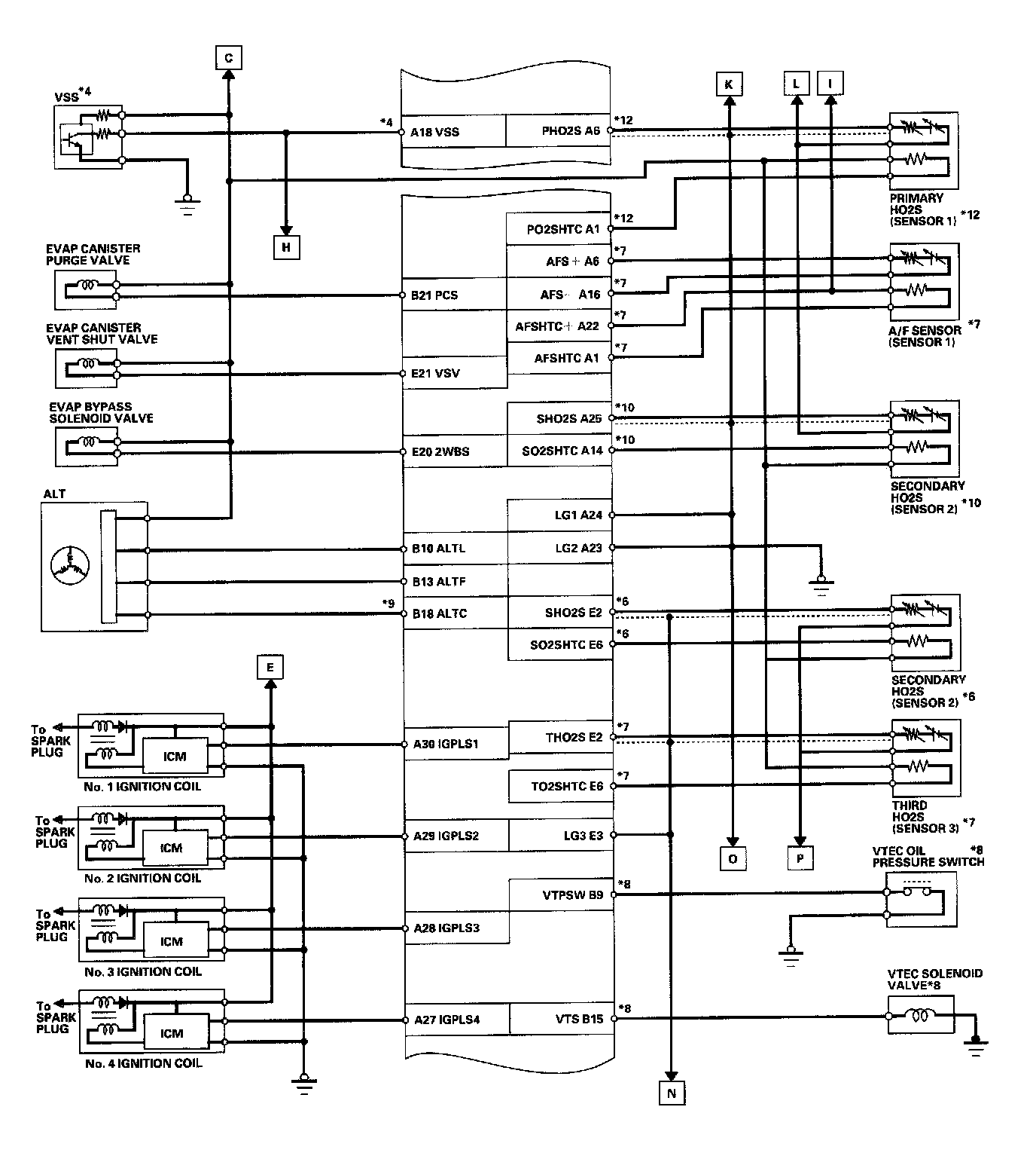
Diagram 11-21 (with A/T):