Curiosii for ever!: Car repair manuals for everyone.

Voltage Inverter: Service and Repair

MPI Module Replacement

NOTE: Put on gloves to protect your hands.

IMA components are located in this area. The IMA is a high-voltage system. You must be familiar with the IMA system before working on or around it. Make sure you have read the IMA information before performing repairs or service.
1. Remove the IPU lid.
2. Disconnect the negative cable from the 12 V battery.
3. Remove the PDU capacitor assembly.
4. Remove the motor current sensors.





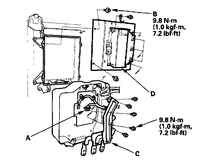
5. Disconnect the connector (A).
6. Remove the bolts (B), busbar (C), and MPI module (D).
7. Install the parts in the reverse order of removal.