Curiosii for ever!: Car repair manuals for everyone.

Shift Interlock Switch: Service and Repair

Park Pin Switch Replacement

NOTE: The park pin switch replacement is applied for the 2003-2005-model type A shift lever and 2006-2007-model shift lever, the 2003-2005-model type B shift lever park pin switch is not available separately.

1. Remove the center console.





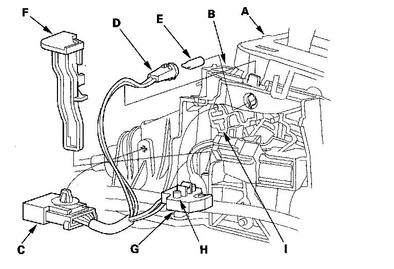
2. Remove the A/T gear position indicator panel (A) from the shift lever bracket base (B).
3. Disconnect the park pin switch connector (C), then remove it from the bracket base.
4. Remove the A/T gear position indicator panel light bulb socket (D), then remove the bulb (E) from the socket.
5. Remove the shift lock release lever (F).
6. Remove the park pin switch, and install the new switch (G) by aligning the tabs (H) with the slots (I).
7. Install the shift lock release lever.
8. Install the bulb in the socket, then install the socket in the bracket base.
9. Install the indicator panel on the bracket base.
10. Install the park pin switch connector on the bracket base, then connect the connector.
11. Install the center console.