Curiosii for ever!
: Car repair manuals for everyone.
Home
>>
Honda
>>
2002
>>
S2000 L4-1997cc 2.0L DOHC (VTEC) MFI
>>
Repair and Diagnosis
>>
Cruise Control
>>
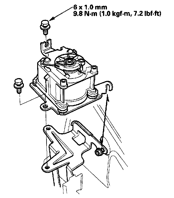
Cruise Control Servo
>>
Specifications
Cruise Control Servo: Specifications