Curiosii for ever!
: Car repair manuals for everyone.
Home
>>
Honda
>>
2002
>>
Civic GX Sedan L4-1.7L CNG
>>
Repair and Diagnosis
>>
Specifications
>>
Mechanical Specifications
>>
Engine
>>
System Specifications
>>
Torque Specifications
>>
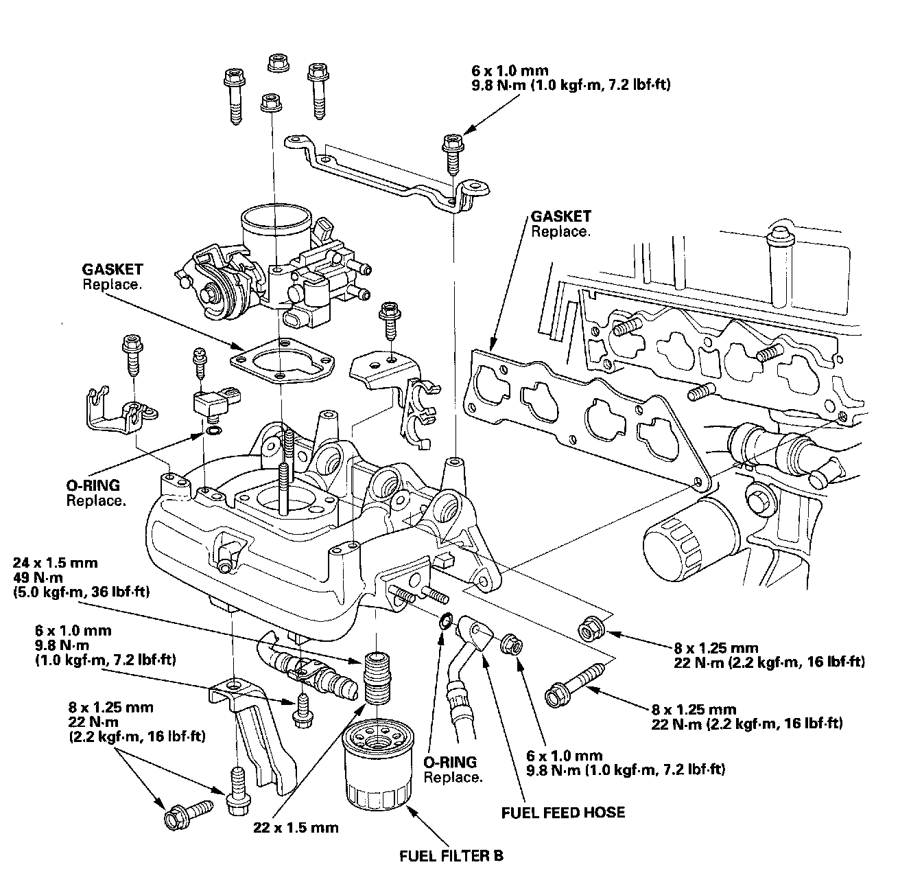
Intake Manifold
Intake Manifold