Curiosii for ever!
: Car repair manuals for everyone.
Home
>>
Honda
>>
2002
>>
Civic GX Sedan L4-1.7L CNG
>>
Repair and Diagnosis
>>
Diagrams
>>
Exploded Views
>>
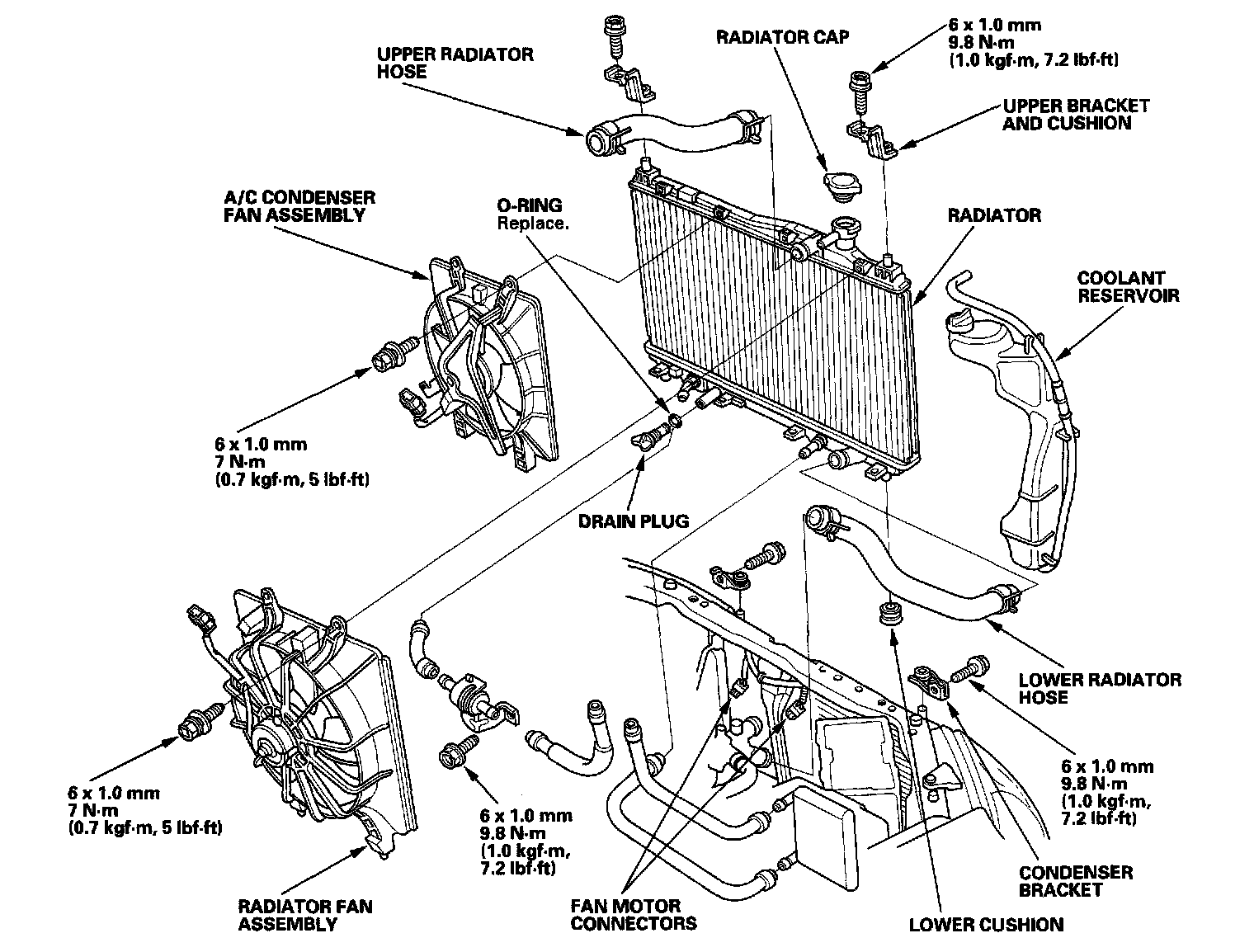
Radiator
Radiator