Curiosii for ever!
: Car repair manuals for everyone.
Home
>>
Honda
>>
2002
>>
Civic GX Sedan L4-1.7L CNG
>>
Repair and Diagnosis
>>
Diagrams
>>
Electrical Diagrams
>>
Powertrain Management
>>
System Diagram
>>
Control Module Circuit Diagrams
>>
ECM/PCM Electrical Connections
ECM/PCM Electrical Connections
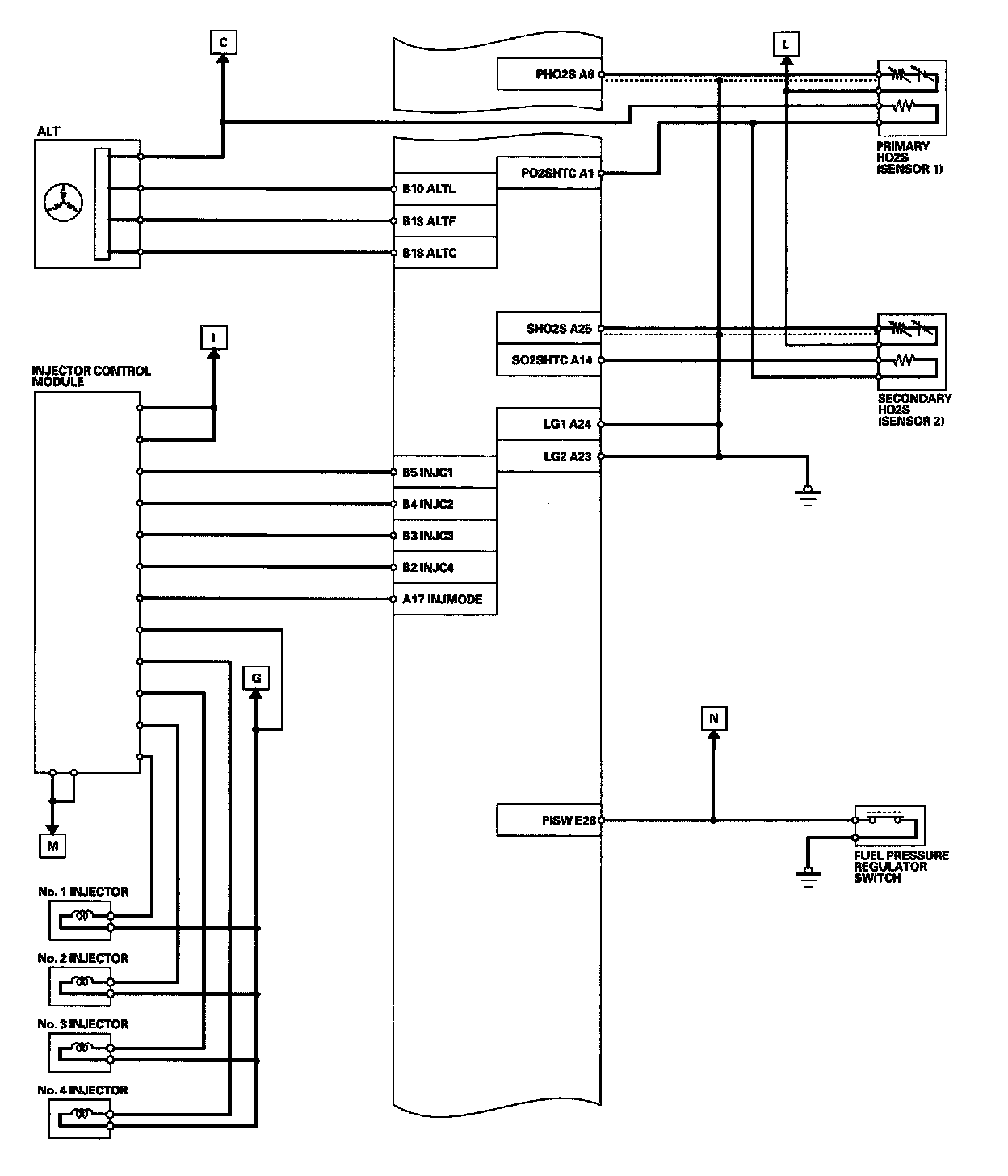
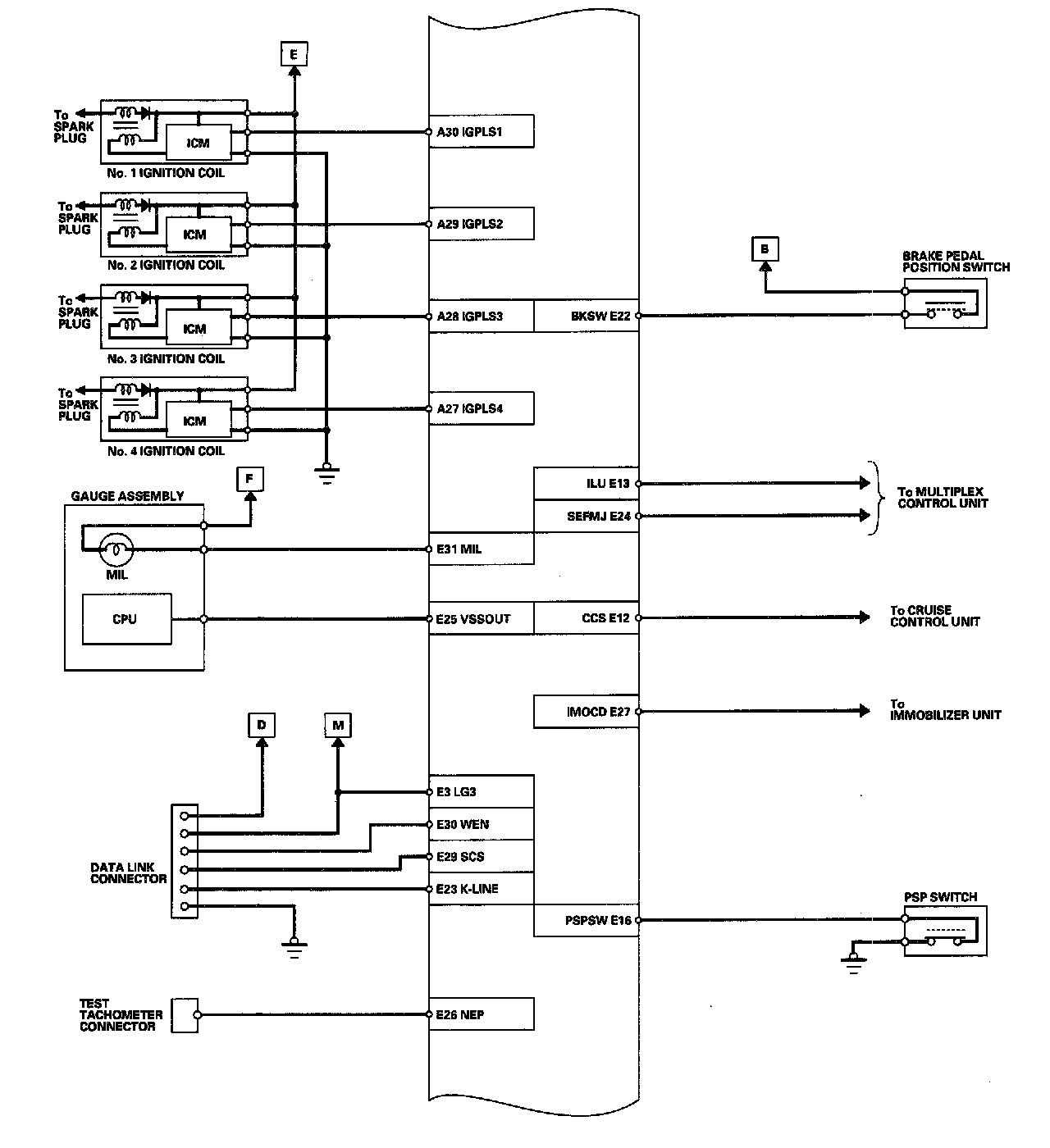
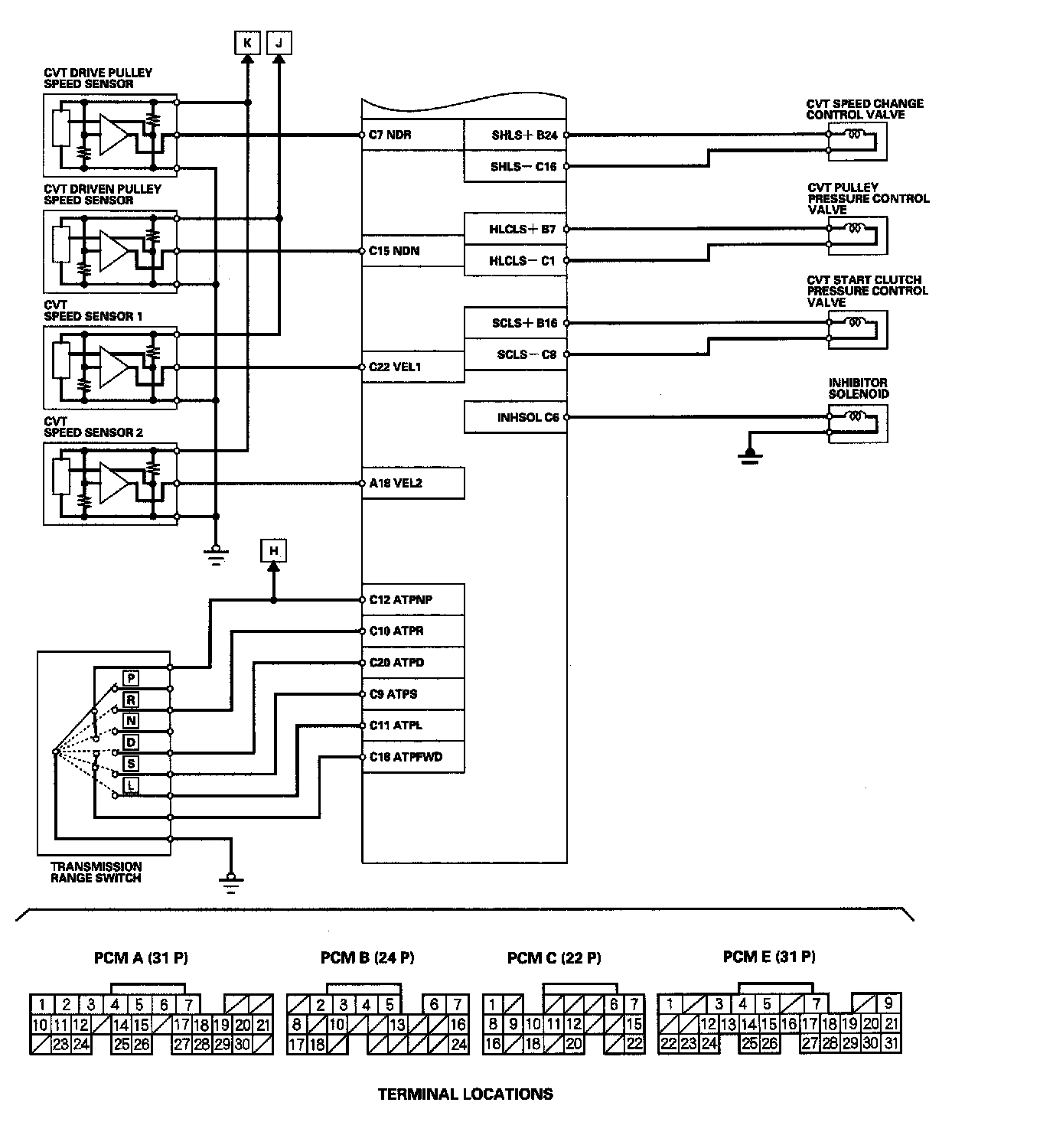
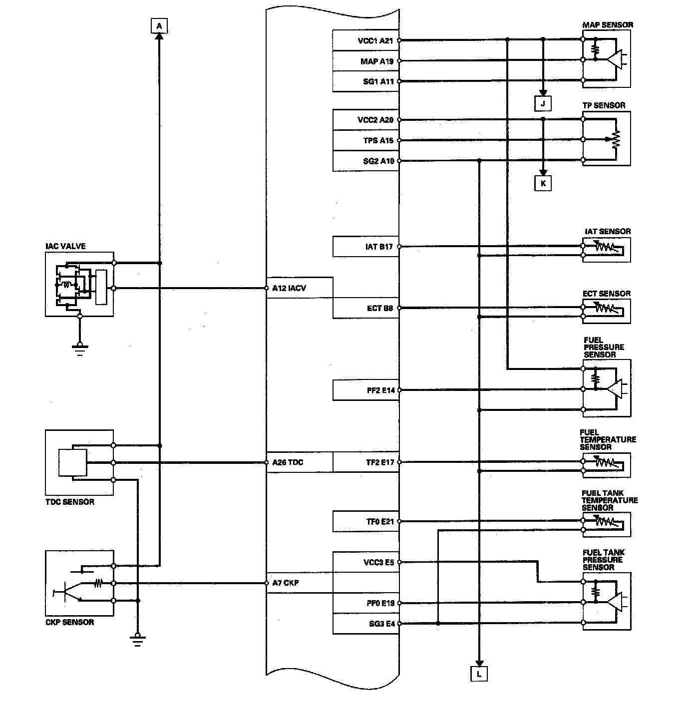
PCM Electrical Connections Image 11-15:
PCM Electrical Connections Image 11-16:
PCM Electrical Connections Image 11-17:
PCM Electrical Connections Image 11-18:
PCM Electrical Connections Image 11-19: