Curiosii for ever!: Car repair manuals for everyone.

ECM/PCM Circuit Diagrams

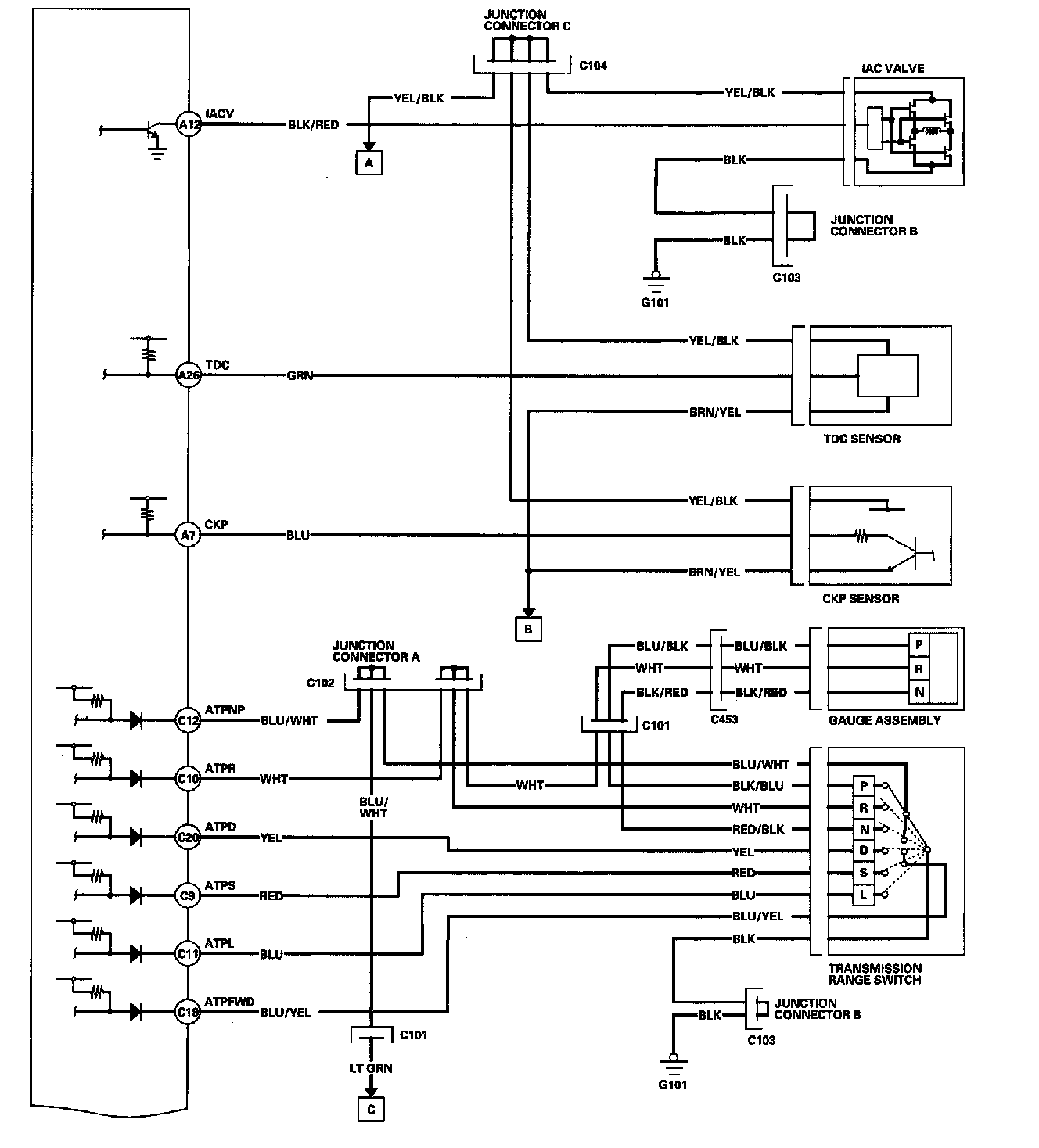
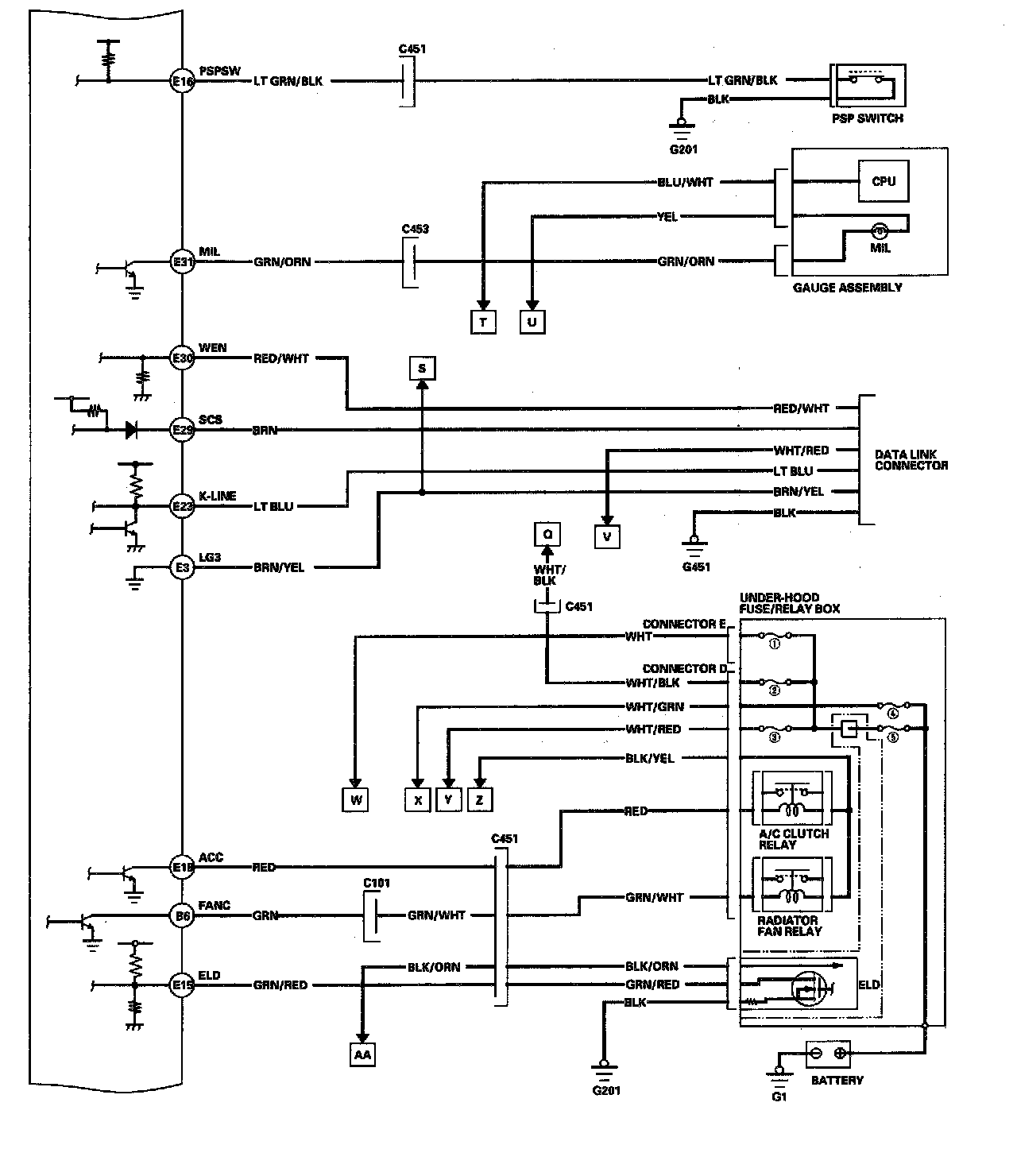
PCM Circuit Diagram Image 11-39:



PCM Circuit Diagram Image 11-40:



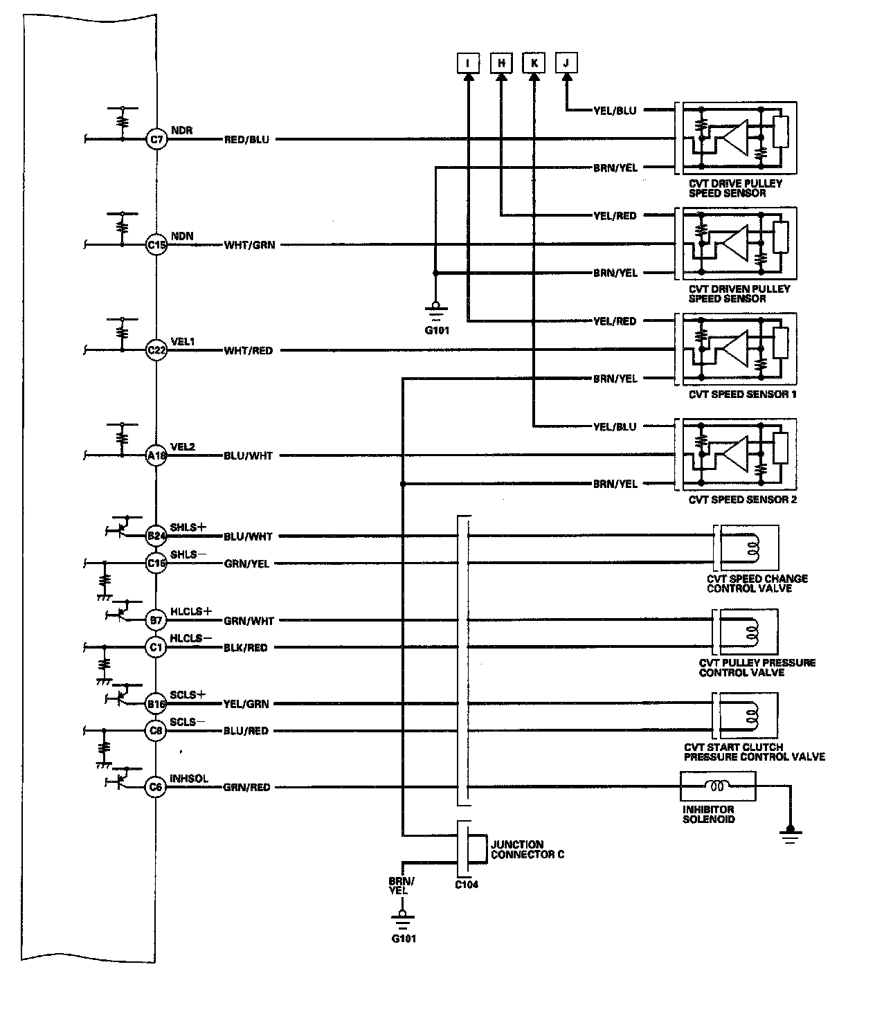
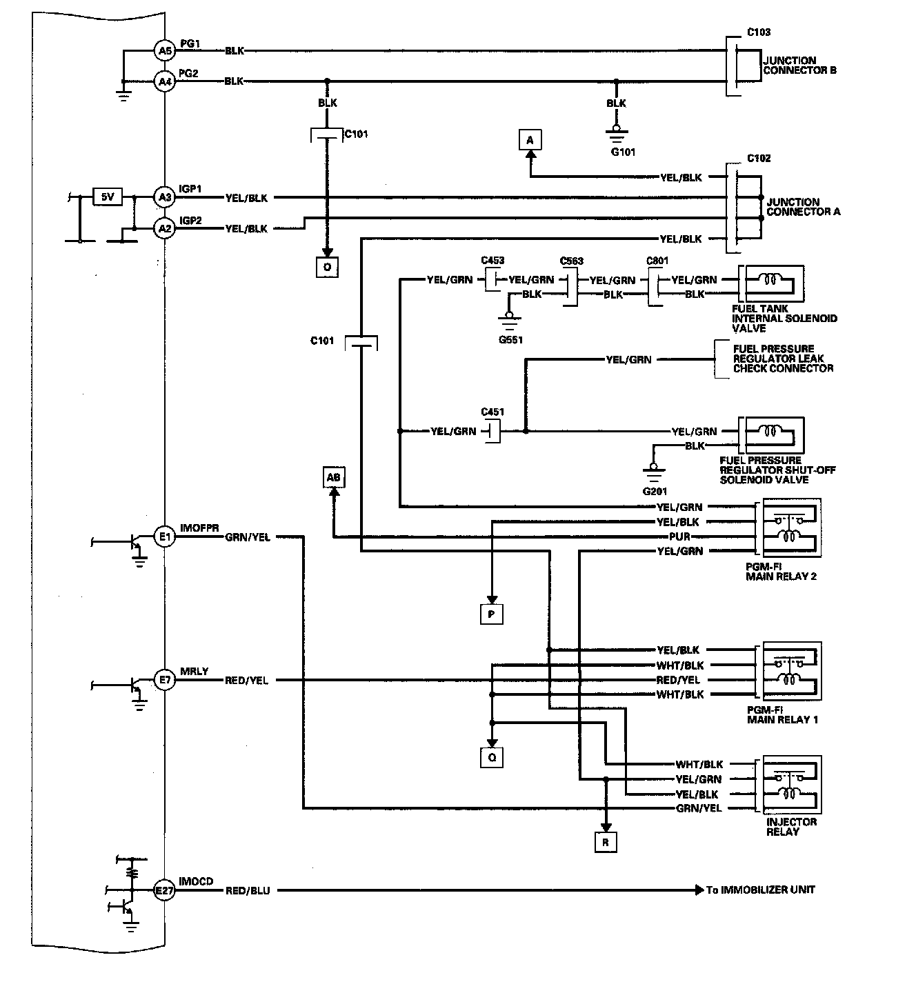
PCM Circuit Diagram Image 11-41:



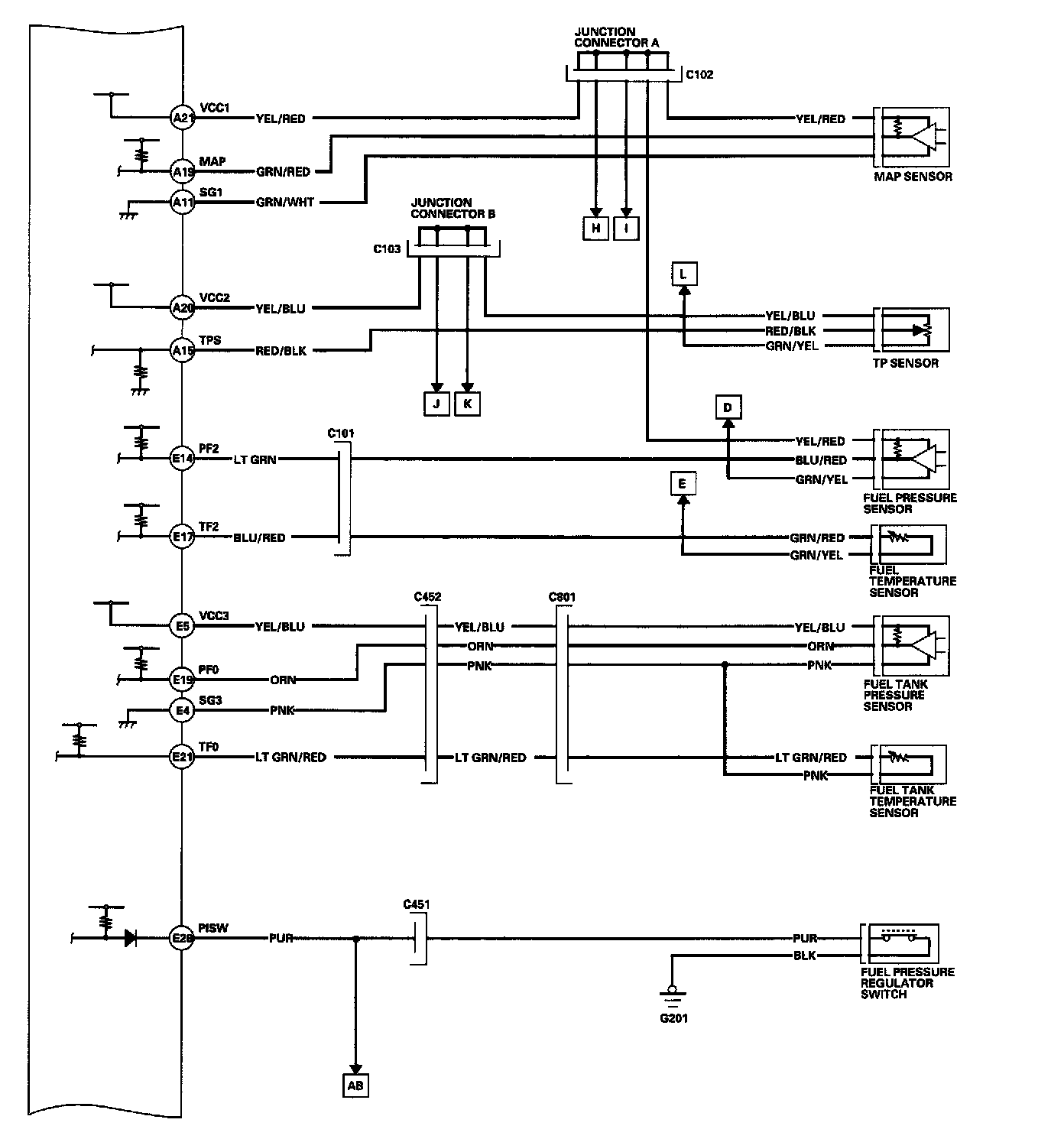
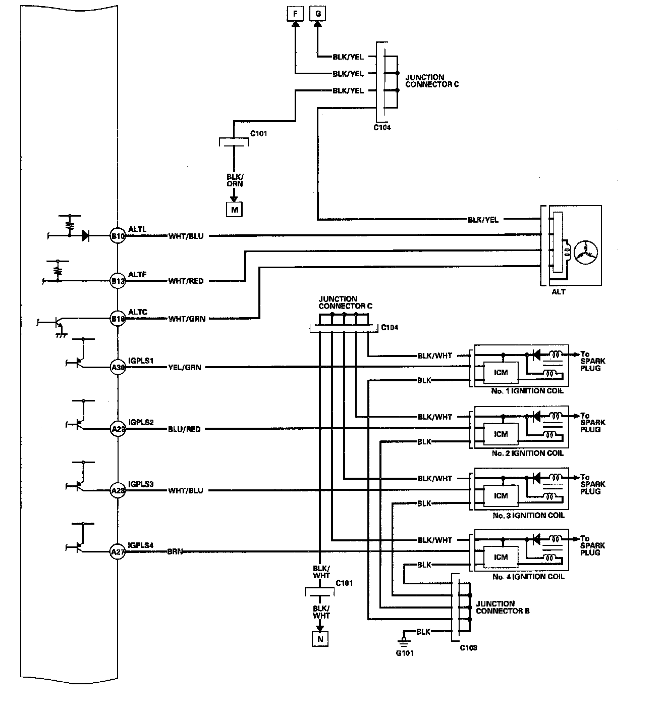
PCM Circuit Diagram Image 11-42:



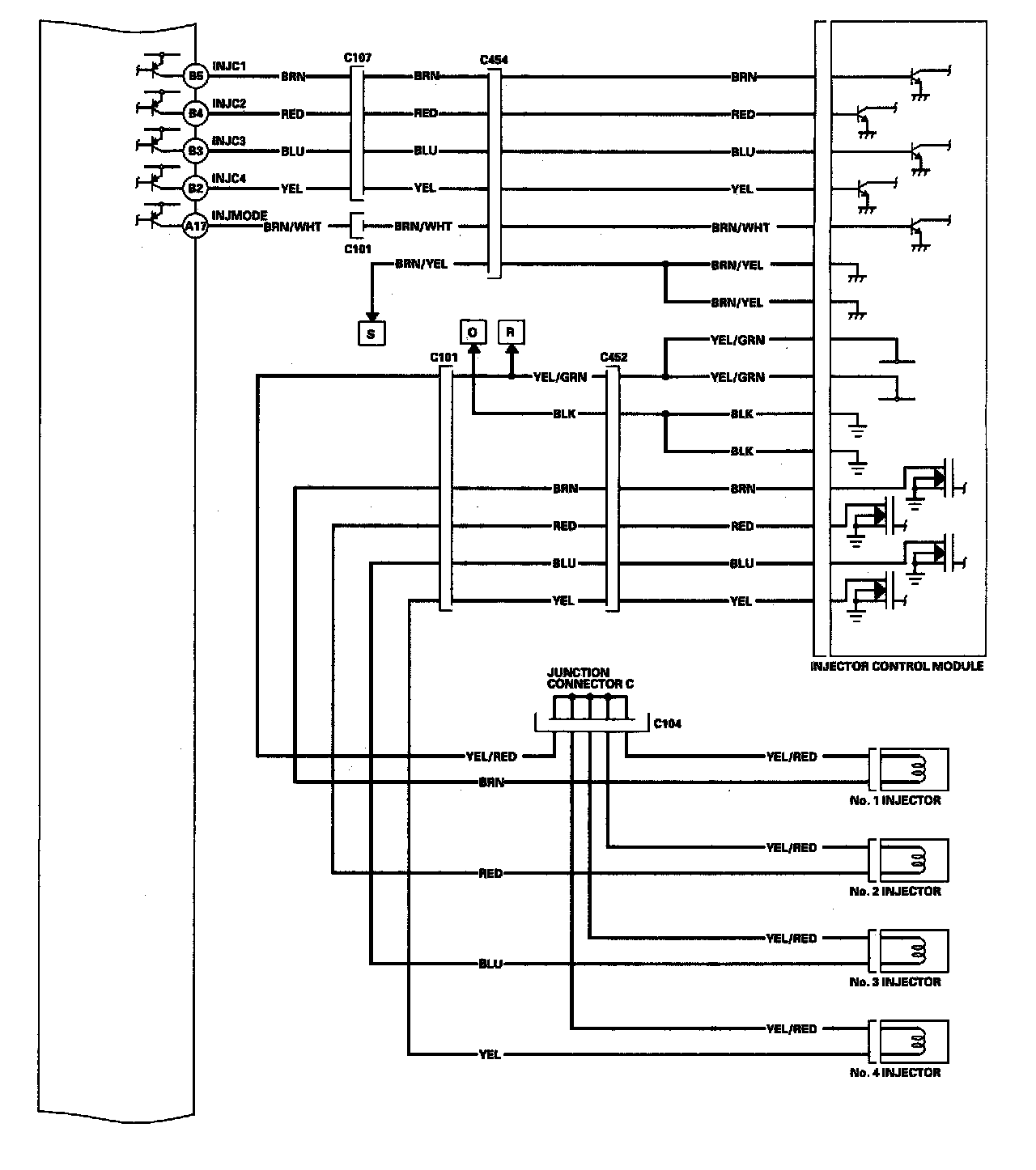
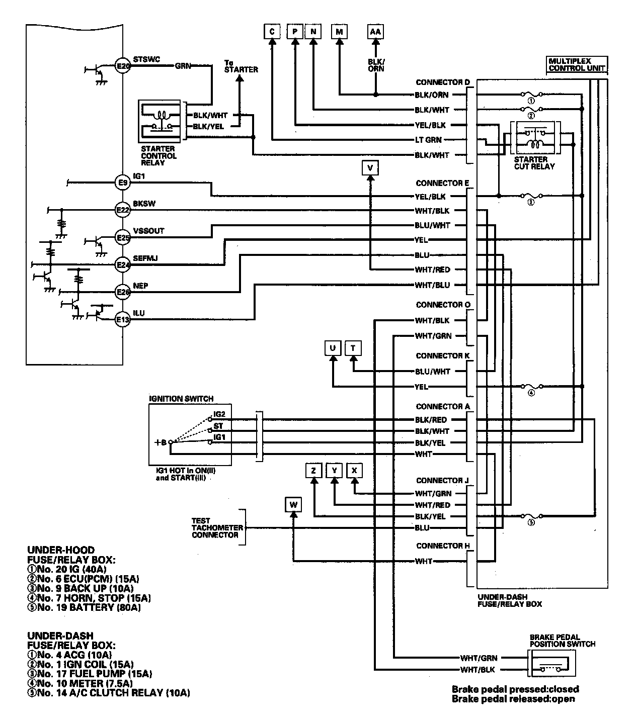
PCM Circuit Diagram Image 11-43:



PCM Circuit Diagram Image 11-44:



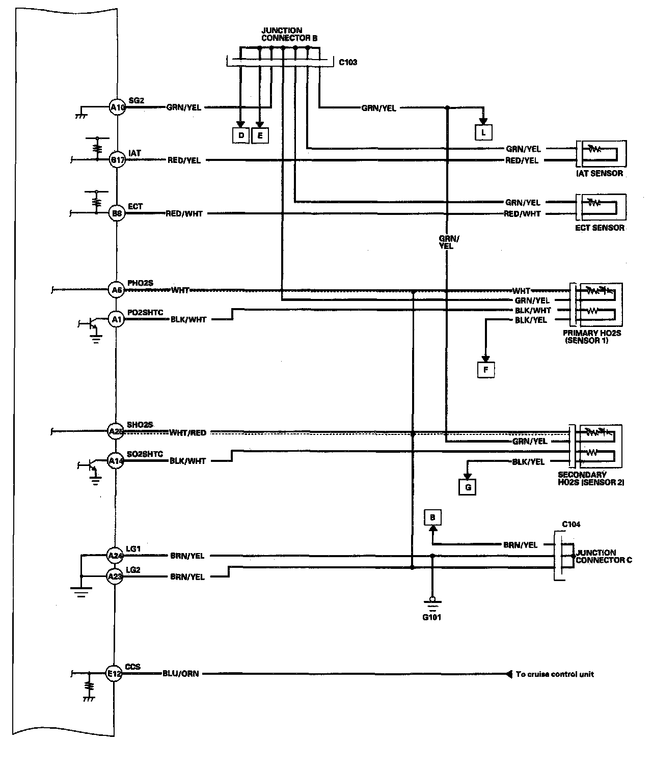
PCM Circuit Diagram Image 11-45:



PCM Circuit Diagram Image 11-46:



PCM Circuit Diagram Image 11-47: