Curiosii for ever!
: Car repair manuals for everyone.
Home
>>
Honda
>>
2001
>>
S2000 L4-1997cc 2.0L DOHC (VTEC) MFI
>>
Repair and Diagnosis
>>
Specifications
>>
Mechanical Specifications
>>
Cooling System
>>
System Specifications
>>
Torque Specifications
Torque Specifications
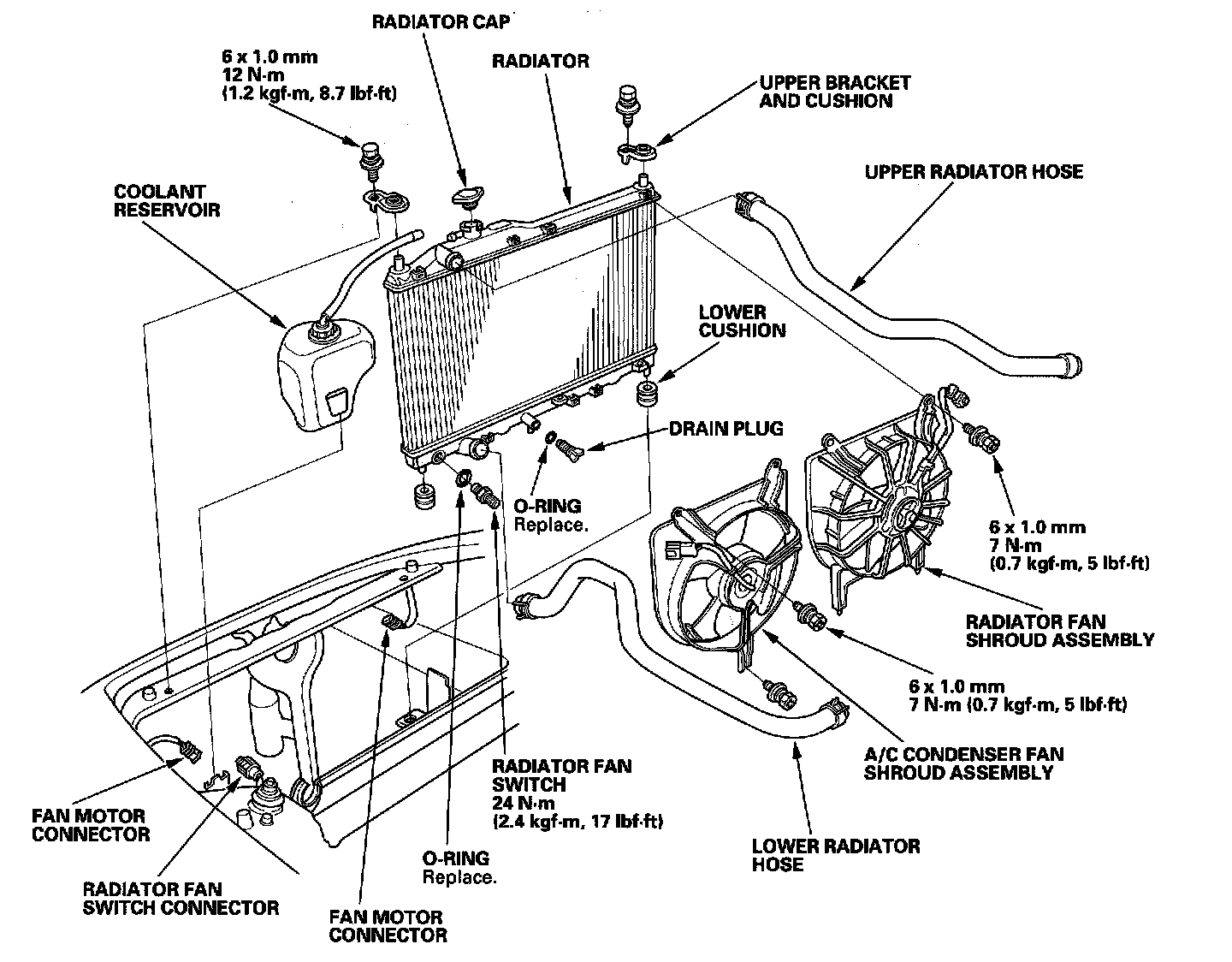
Radiator and Fans Replacement