Curiosii for ever!
: Car repair manuals for everyone.
Home
>>
Honda
>>
2001
>>
Civic GX Sedan L4-1.7L CNG
>>
Repair and Diagnosis
>>
Diagrams
>>
Electrical Diagrams
>>
Powertrain Management
>>
System Diagram
>>
Control Module Circuit Diagrams
>>
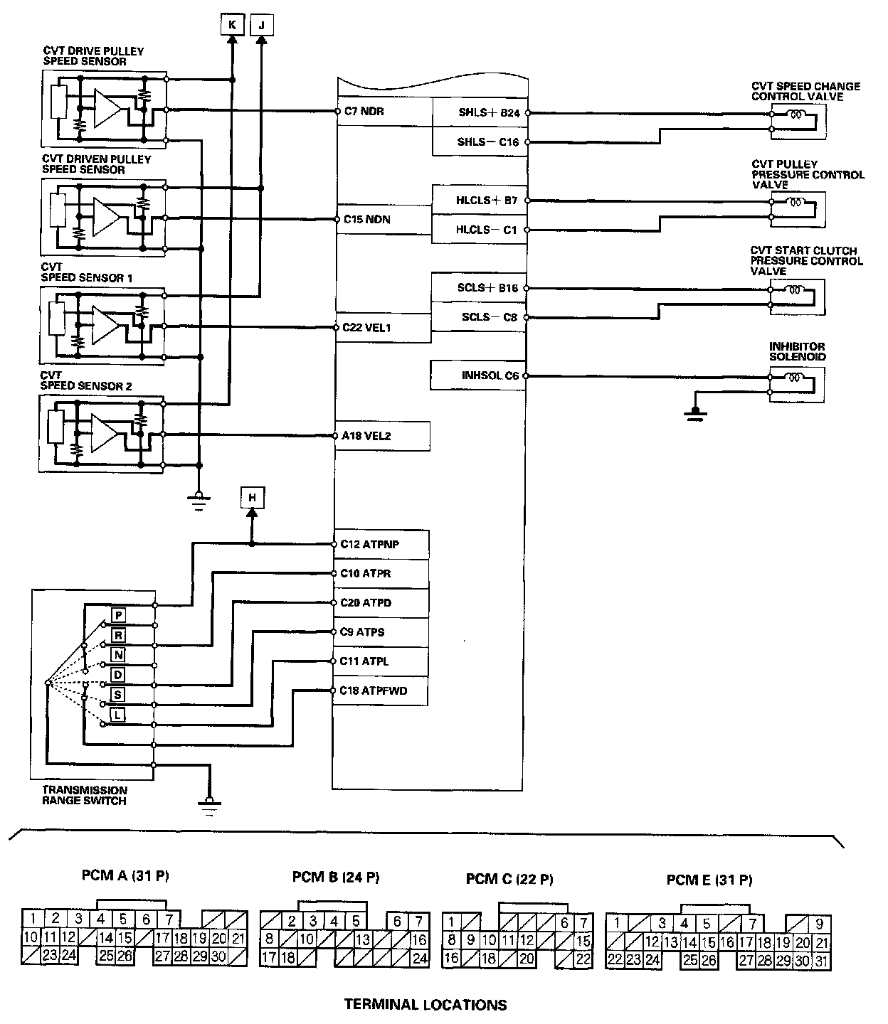
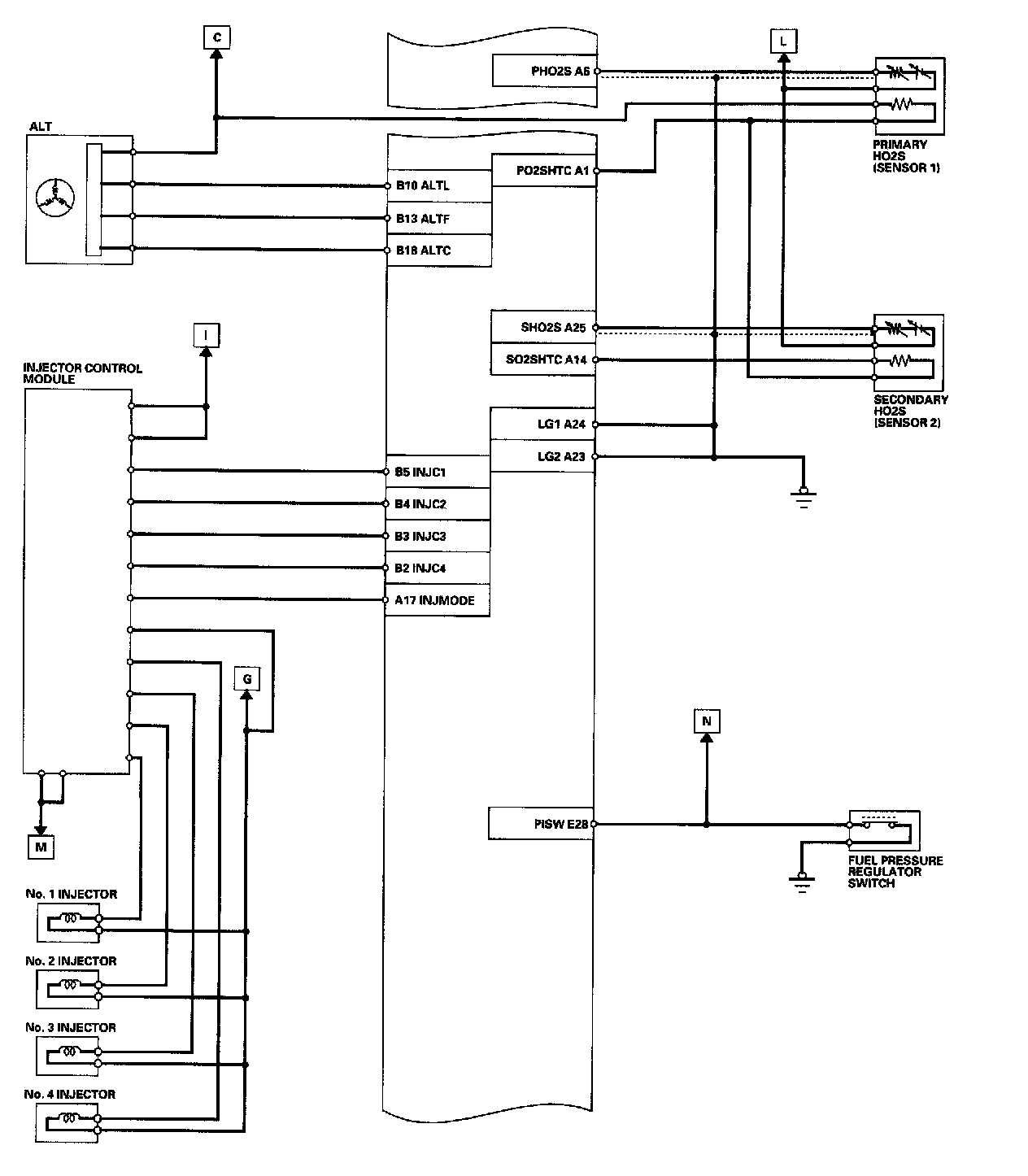
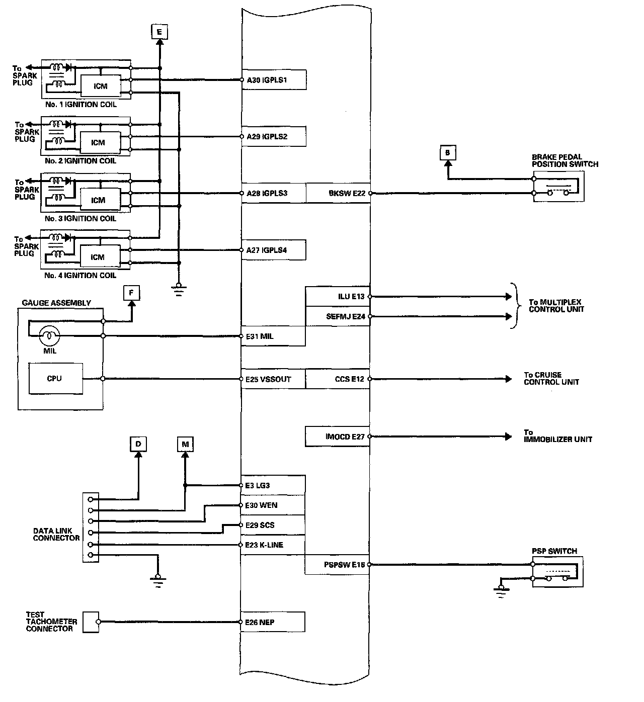
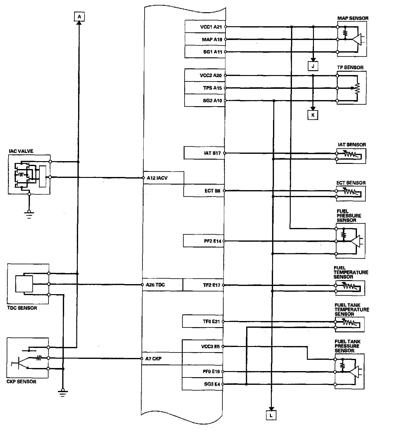
ECM/PCM Electrical Connections
ECM/PCM Electrical Connections
Part 1:
Part 2:
Part 3:
Part 4:
Part 5: