Curiosii for ever!
: Car repair manuals for everyone.
Home
>>
Honda
>>
2001
>>
Accord EX Sedan V6-3.0L
>>
Repair and Diagnosis
>>
Diagrams
>>
Connector Views
>>
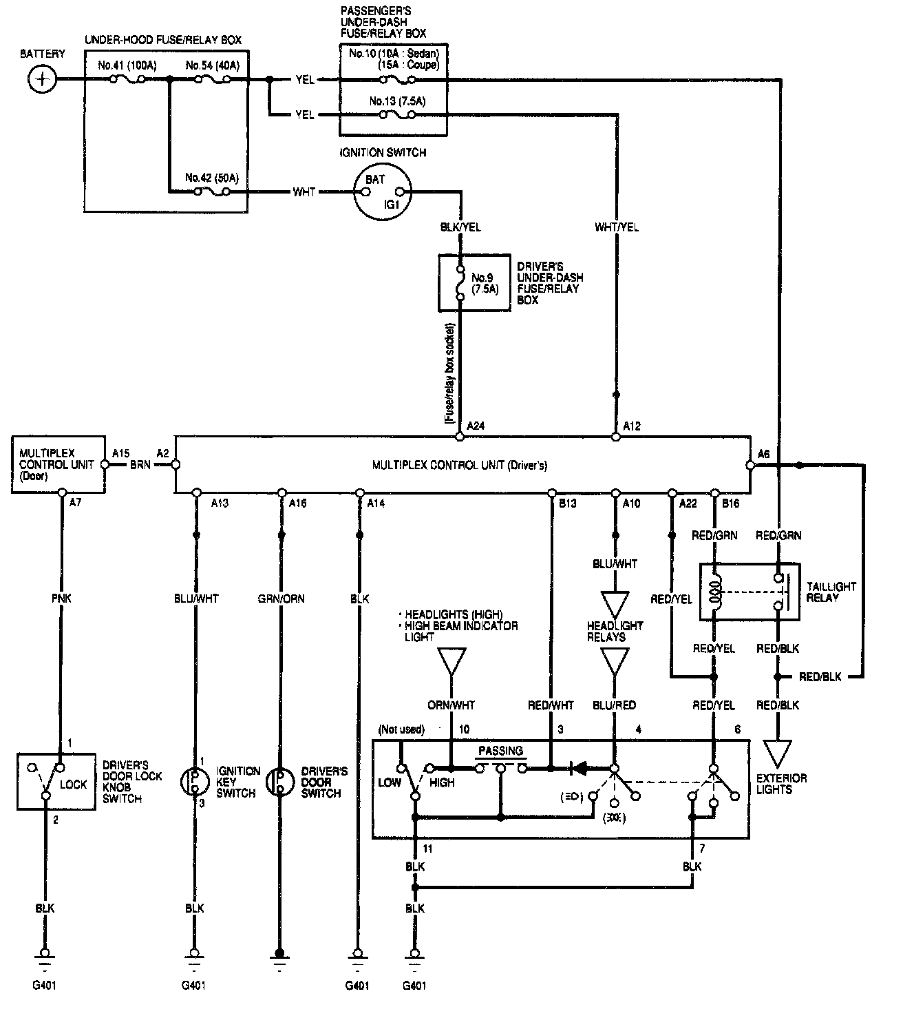
Headlamp Control Module
Headlamp Control Module
Exterior Lights - Auto-off Headlights (Automatic Light Off Feature) - Circuit Diagram: