Curiosii for ever!
: Car repair manuals for everyone.
Home
>>
Honda
>>
2000
>>
S2000 L4-1997cc 2.0L DOHC (VTEC) MFI
>>
Repair and Diagnosis
>>
Diagrams
>>
Exploded Views
>>
Cooling System
>>
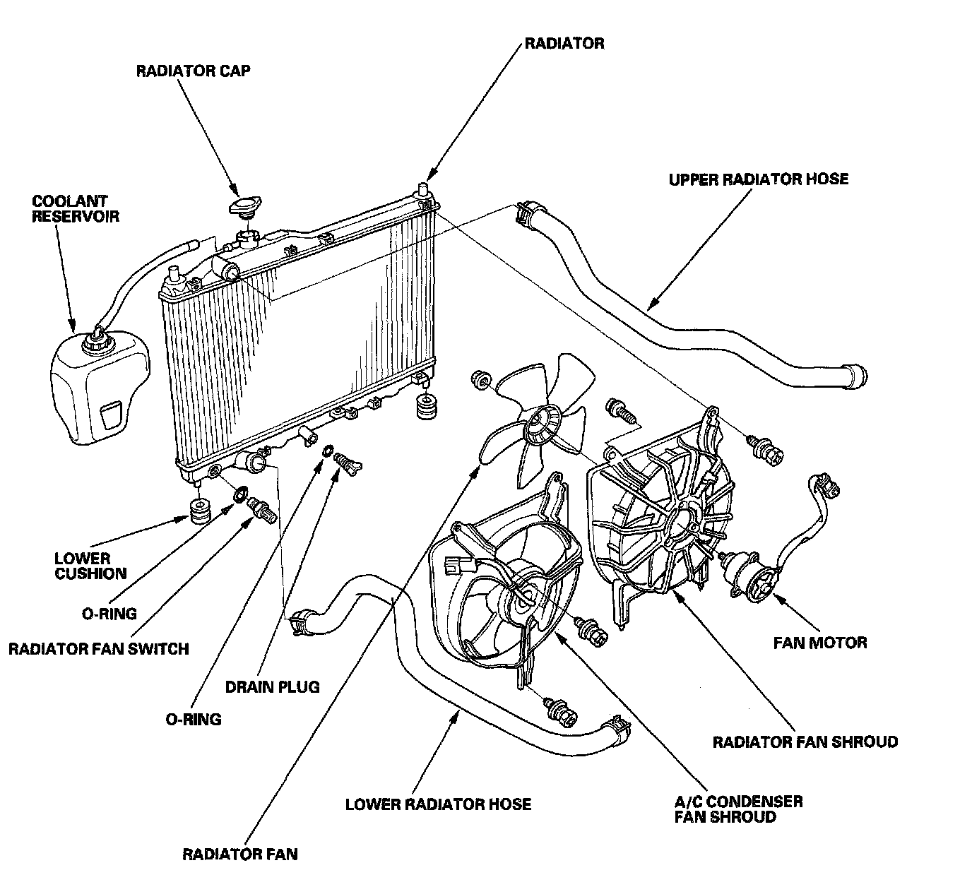
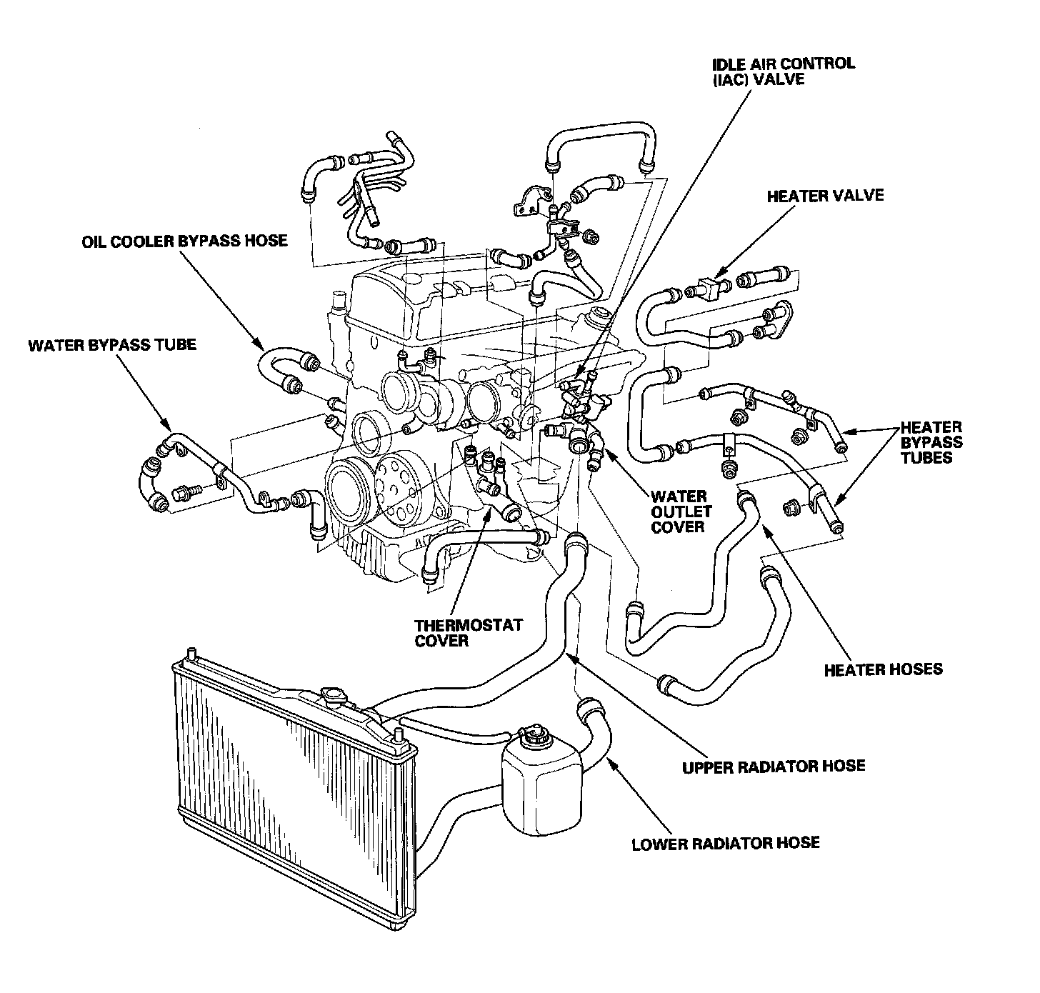
System Diagram
System Diagram
Component Location Index
Part 1 of 3
Part 2 of 3
Part 3 of 3