Curiosii for ever!: Car repair manuals for everyone.

Shift Interlock Switch: Service and Repair

Park Pin Switch Replacement
1. Remove the front console.





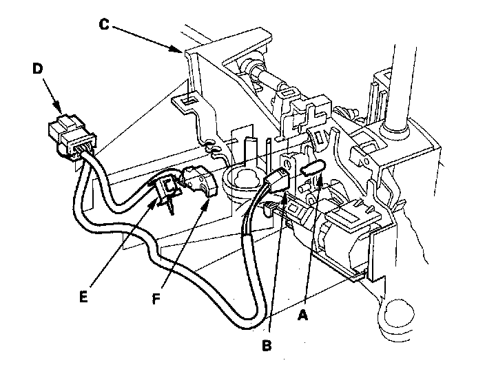
2. Remove the A/T gear position indicator panel light, and remove the bulb (A) from the socket (B).
3. Separate the A/T gear position indicator panel from the shift lever bracket base (C).
4. Disconnect the park pin switch connector (D), and remove it from the bracket base.
5. Remove the park pin switch clamp (E) and the park pin switch (F).
6. Install the new park pin switch in the shift lever bracket base, and install the park pin switch clamp to secure it.
7. Install the removed parts in the reverse order of removal.