Curiosii for ever!: Car repair manuals for everyone.

Replacement

Starter Replacement

1. Write down the frequencies for the radio's preset buttons.
2. Disconnect the negative cable from the battery first, then disconnect the positive cable.
3. Remove the breather pipe (A) and brake booster vacuum hose bracket (B) from the air cleaner housing, then remove the air cleaner housing/intake air duct assembly.




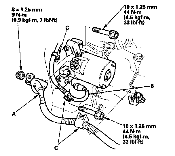
4. Disconnect the starter cable (A) and BLK/WHT wire (B), then remove the wire harness clamps (C).




5. Remove the two bolts holding the starter, then remove the starter.
6. Install the starter in the reverse order of removal. Make sure the crimped side of the ring terminal is facing out.




7. Connect the positive cable and negative cable to the battery.
8. Start the engine to make sure the starter works properly.
9. Hold the engine at 3,500 rpm with no load for 10 minutes.
10. The IMA Battery Level indicator should read full.
11. Perform the engine control module (ECM) idle learn procedure.
12. Enter the customer's radio station preset.
13. Set the clock.