Curiosii for ever!: Car repair manuals for everyone.

Heater Core: Service and Repair

Heater Unit/Core Replacement

SRS components are located in this area. Review the SRS component locations, precautions, and procedures before performing repair or service.

1. Disconnect the negative cable from the battery.




2. From under the hood, open the cable clamp (A), then disconnect the heater valve cable (B) from the heater valve arm (C). Turn the heater valve arm to the fully opened position as shown.
3. When the engine is cool, drain the engine coolant from the radiator.




4. Remove the mounting bolt from the heater valve. Slide the hose clamps (A) back, then disconnect the inlet heater hose (B) and the outlet heater hose (C) from the heater unit. Engine coolant will run out when the hoses are disconnected; drain it into a clean drip pan. Be sure not to let coolant spill on the electrical parts or the painted surfaces. If any coolant spills, rinse it off immediately.




5. Remove the mounting nut from the heater unit. Take care not to damage or bend the fuel lines, the brake lines, etc.
6. Remove the dashboard.
7. With air conditioning remove the evaporator. Without air conditioning remove the heater duct.




8. Remove the mounting bolts in the following sequence, then remove the center bracket (A), knee bolster (B), and the hanger beam (C).




9. Disconnect the connectors (A) from the mode control motor and the air mix control motor, then remove the wire harness clips (B). Remove the mounting bolt and the heater unit (C).




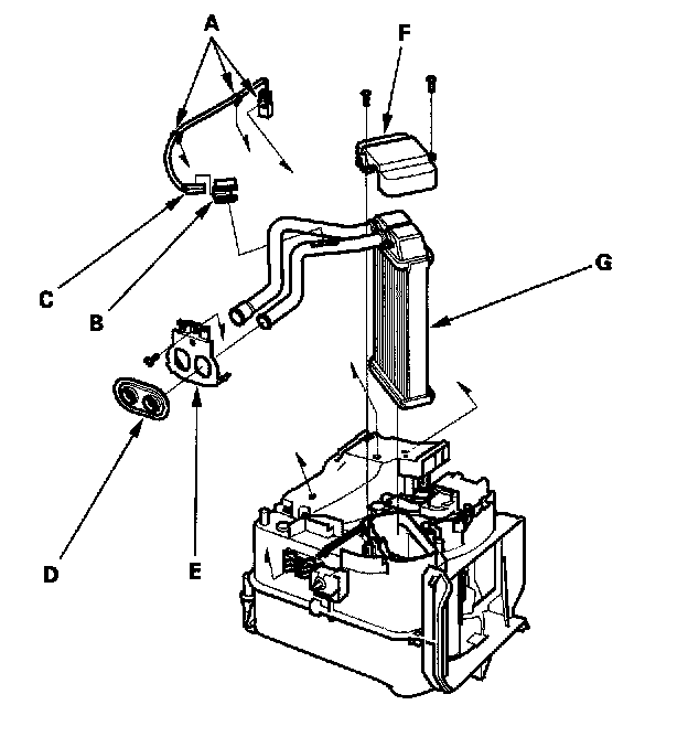
10. Remove the clips (A), the sensor clamp (B), and the heater core temperature sensor (C). Remove the grommet (D), then remove the self-tapping screw and the pipe bracket (E). Remove the self-tapping screws and the core cover (F). While being careful not to bend the inlet and outlet pipes. Pull out the heater core (G).
11. Install the heater core in the reverse order of removal. Install the heater core temperature sensor directly against the inlet pipe, and install the sensor clamp securely.
12. Install the heater unit in the reverse order of removal, and note these items.
- Install the grommets of the heater core and the heater valve cable securely.
- Do not interchange the inlet and outlet heater hoses, and install the hose clamps securely.
- Refill the cooling system with engine coolant.
- Adjust the heater valve cable.
- Make sure that there is no coolant leakage.
- Make sure that there is no air leakage.
- For evaporator and A/C-related information, refer to evaporator removal and installation.
- Do the ECM idle learn procedure.