Curiosii for ever!: Car repair manuals for everyone.

Components Replacement

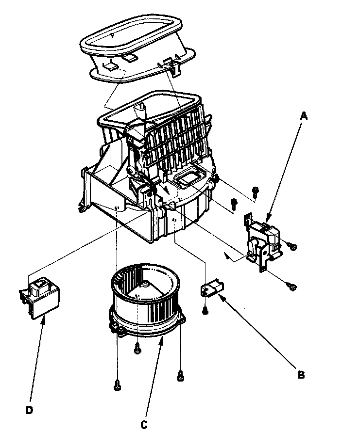
Blower Unit Components Replacement




Note these items when overhauling the blower unit:
- The recirculation control motor (A), the blower motor high relay (B), and the blower motor (C) can be replaced without removing the blower unit.
- Before reassembly, make sure that the recirculation control linkage and door move smoothly.
- After reassembly, make sure the recirculation control motor runs smoothly