Curiosii for ever!: Car repair manuals for everyone.

Transmission Control Systems: Description and Operation




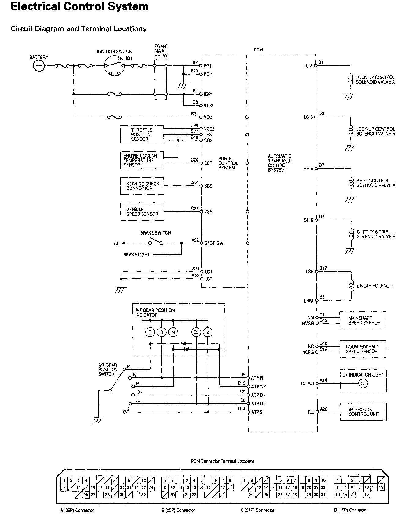
DESCRIPTION AND OPERATION
The electronic control system consists of a Powertrain Control Module (PCM), sensors, a linear solenoid and four solenoid valves. Shifting and lock-up are electronically controlled for comfortable driving under all conditions. The PCM is located below the dashboard, under the front lower panel on the passenger's side.




Shift Control:
The PCM instantaneously determines which gear should be selected by various signals sent from sensors, and actuates the shift control_solenoid valves A and B to control shifting. Also, a Grade Logic Control System has been adopted to control shifting in D4 position while the vehicle is ascending or descending a slope, or reducing speed.




Lock-up Control:
From sensor input signals, the PCM determines whether to turn the lock-up ON or OFF, and activates lock-up control solenoid valve A and/or B accordingly. The combination of driving signals to lock-up control solenoid valves A and B and the linear solenoid pressure is shown in the table below.




GRADE LOGIC CONTROL SYSTEM

How it works:
The PCM compares actual driving conditions with driving conditions memorized in the PCM, based on the input from the vehicle speed sensor, the throttle position sensor, the barometric pressure sensor, the engine coolant temperature sensor, the brake switch signal and the shift lever position signal, to control shifting while a vehicle is ascending or descending a slope, or reducing speed.




Ascending Control:
When the PCM determines that the vehicle is climbing a hill in position, the system extends the engagement area of 2nd gear and 3rd gear to prevent the transmission from frequently shifting between 2nd and 3rd gears, and between 3rd and 4th gears, so the vehicle can run smooth and have more power when needed. There are two ascending modes with different 3rd gear driving areas according to the magnitude of a gradient stored in the PCM.

NOTE:
- The PCM memory contains shift schedules between 2nd and 3rd gears, and between 3rd and 4th gears that enable the PCM's fuzzy logic to automatically select the most suitable gear according to the magnitude of a gradient.
- Fuzzy logic is a form of artificial intelligence that lets computers respond to changing conditions much like a human mind would.




Descending Control:
When the PCM determines that the vehicle is going down a hill in position, the shift-up speed from 3rd to 4th gear when the throttle is closed becomes faster than the set speed for flat road driving to widen the 3rd gear driving area. This, in combination with engine braking from the deceleration lock-up, achieves smooth driving when the vehicle is descending. There are two descending modes with different downshift (4 - 3) schedules according to the magnitude of a gradient stored in the PCM. When the vehicle is in 4th gear, and you are decelerating on a gradual hill, or when you are applying the brakes on a steep hill, the transmission will downshift to 3rd gear. When you accelerate, the transmission will then return to 4th gear.

Deceleration Control:
When the vehicle goes around a corner, and needs to first decelerate and then accelerate, the PCM sets the data for deceleration control to reduce the number of times the transmission shifts. When the vehicle is decelerating from speeds above 26 mph (41 km/h), the PCM shifts the transmission from 4th to 2nd earlier than normal to cope with upcoming acceleration.

Electrical Control System - Circuit Diagram And Terminal Locations: