Curiosii for ever!: Car repair manuals for everyone.

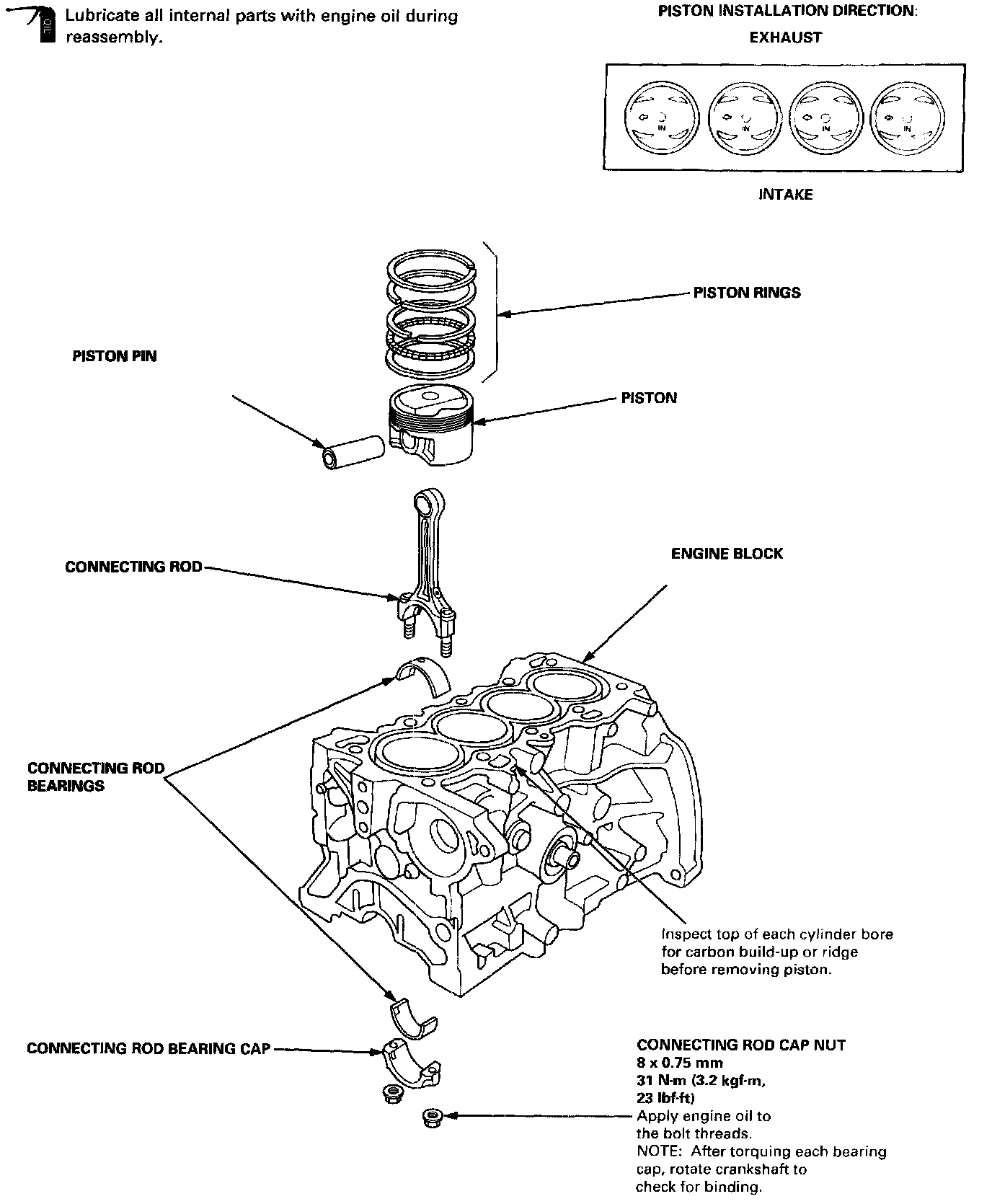
Cylinder Block Assembly

Engine Block - Illustrated Index Part 1:




Engine Block - Illustrated Index Part 2:




Illustrated Index

Lubricate all internal parts with engine oil during reassembly.

NOTE:
- Apply liquid gasket to the mating surfaces of the right side cover and oil pump case before installing them.
- Use liquid gasket, part No. 08718 - 0001 or 08718 - 0003.
- Clean the oil pan gasket mating surfaces before installing it.

NOTE: New rod bearings must be selected by matching connecting rod assembly and crankshaft identification markings.