Curiosii for ever!
: Car repair manuals for everyone.
Home
>>
Honda
>>
2000
>>
Accord EX Sedan V6-3.0L
>>
Repair and Diagnosis
>>
Specifications
>>
Mechanical Specifications
>>
Engine
>>
Cylinder Block Assembly
>>
System Specifications
>>
Torque Specifications
Torque Specifications
Intake Manifold:
Cylinder Head Torque:
Cylinder Head Assembly:
Exhaust Manifold:
Timing Components:
Lower Block:
Main Caps:
Connecting Rods:
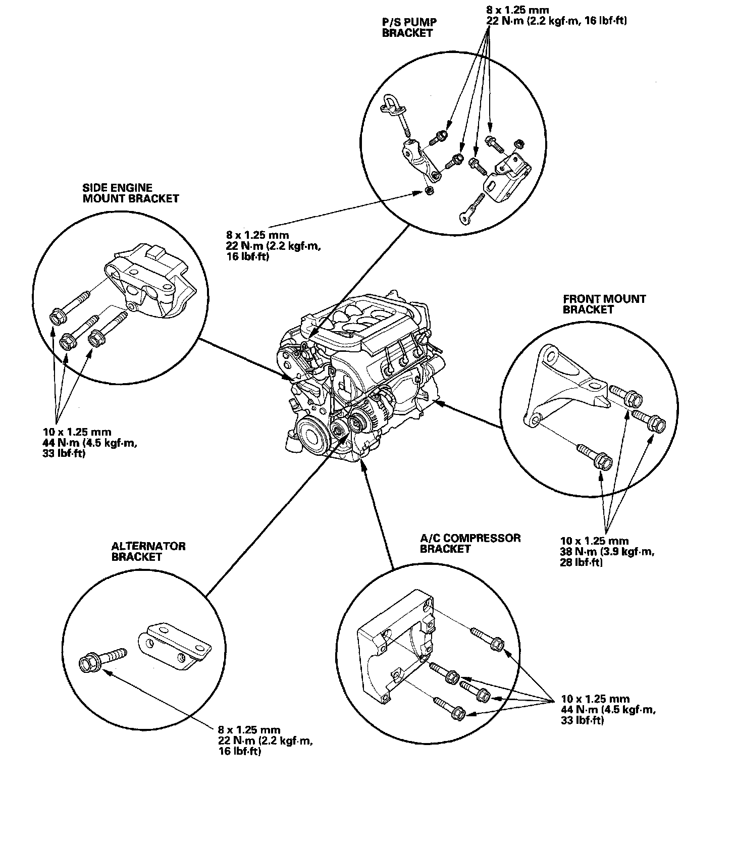
Engine Installation