Curiosii for ever!
: Car repair manuals for everyone.
Home
>>
Honda
>>
2000
>>
Accord EX Sedan V6-3.0L
>>
Repair and Diagnosis
>>
Diagrams
>>
Exploded Views
>>
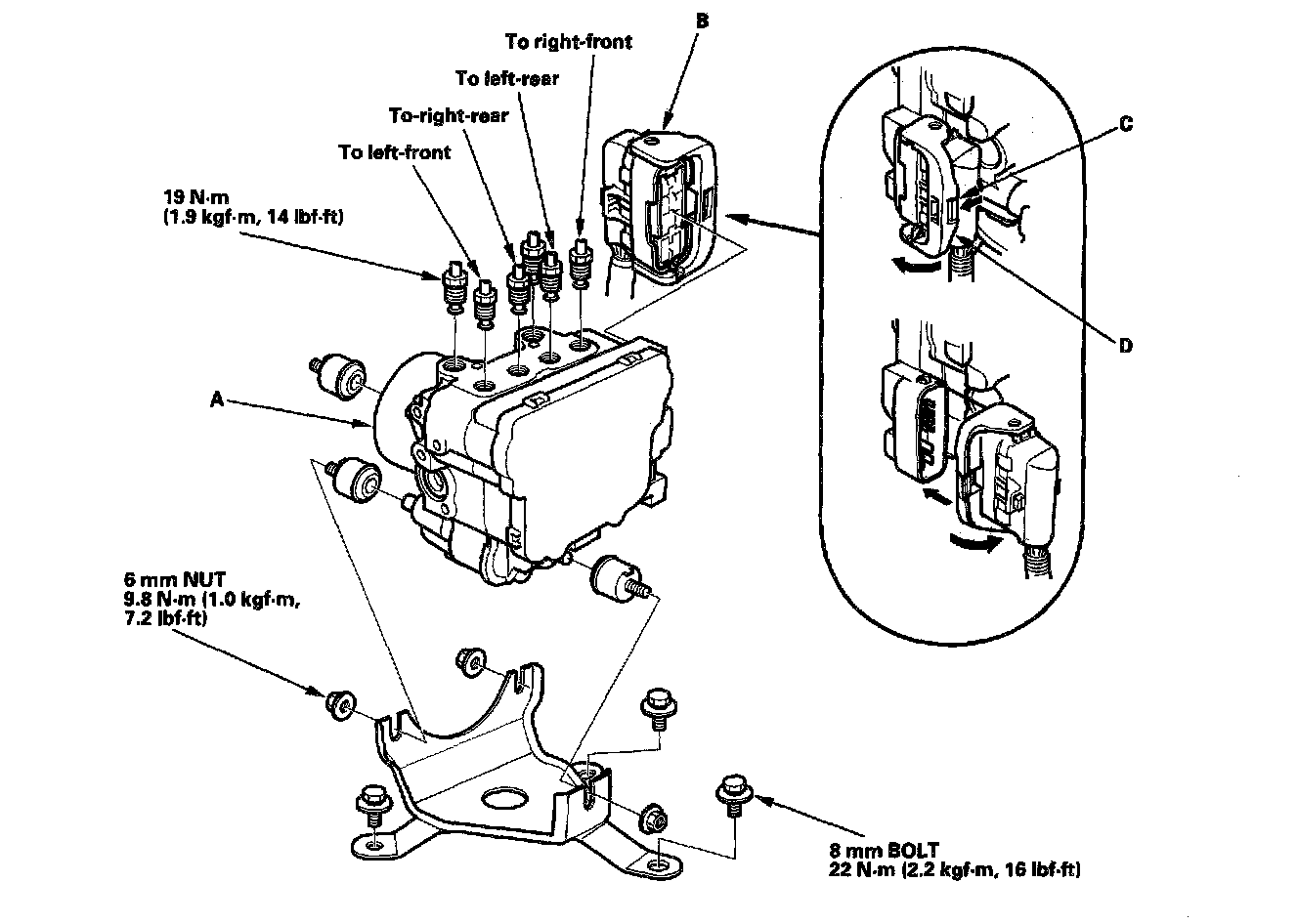
Electronic Brake Control Module
>>
ABS/TCS Components
ABS/TCS Components