Curiosii for ever!: Car repair manuals for everyone.

System Specifications


DIMENSIONS
Warpage 0.05 mm (0.002 inch)
Height 146.95 - 147.05 mm (5.785 - 5.789 inch)

Head Bolt Torque Sequence:





TIGHTENING SPECIFICATIONS
Tighten Bolts In 3 Steps And In Sequence Shown.
1st Step 39 Nm (29 ft. lbs.)
2nd Step 69 Nm (51 ft. lbs.)
3rd Step 98.1 Nm (72.3 ft. lbs.)

Cylinder Head:





Cylinder Head Cont.:





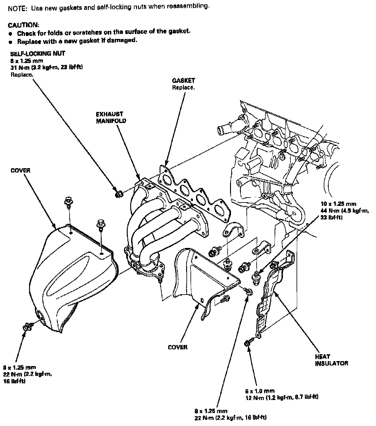
Exhaust Manifold:





Intake: