Curiosii for ever!
: Car repair manuals for everyone.
Home
>>
Honda
>>
1999
>>
Accord LX Sedan V6-3.0L
>>
Repair and Diagnosis
>>
Diagrams
>>
Exploded Views
>>
Cooling System
>>
System Diagram
System Diagram
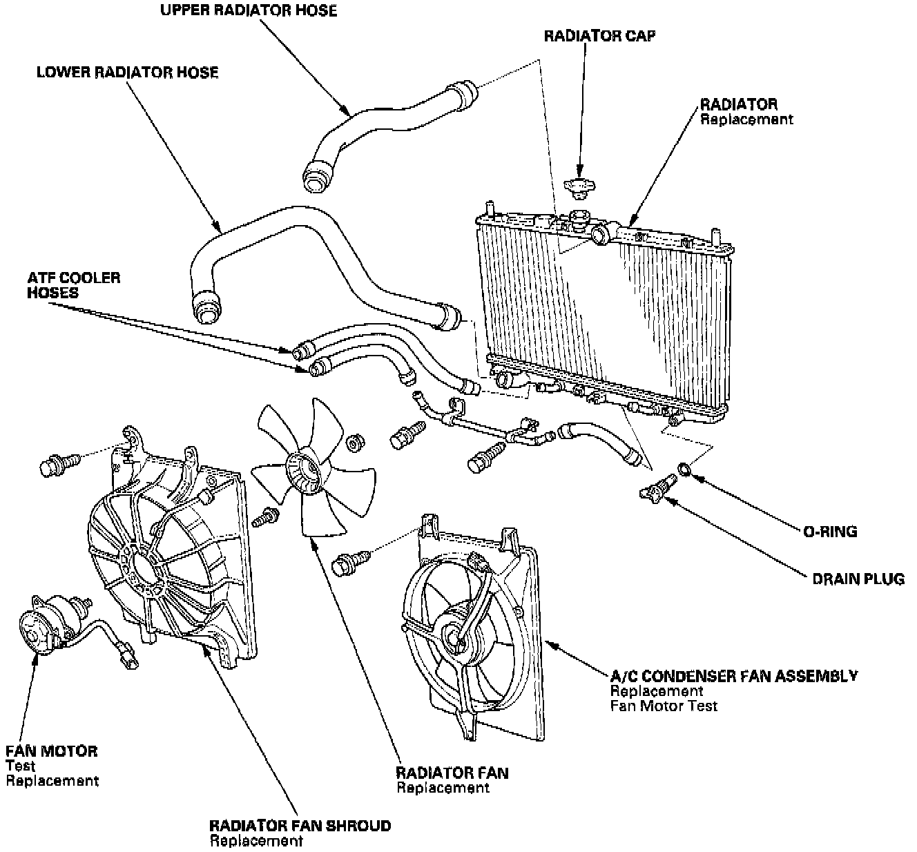
Radiator and Fan
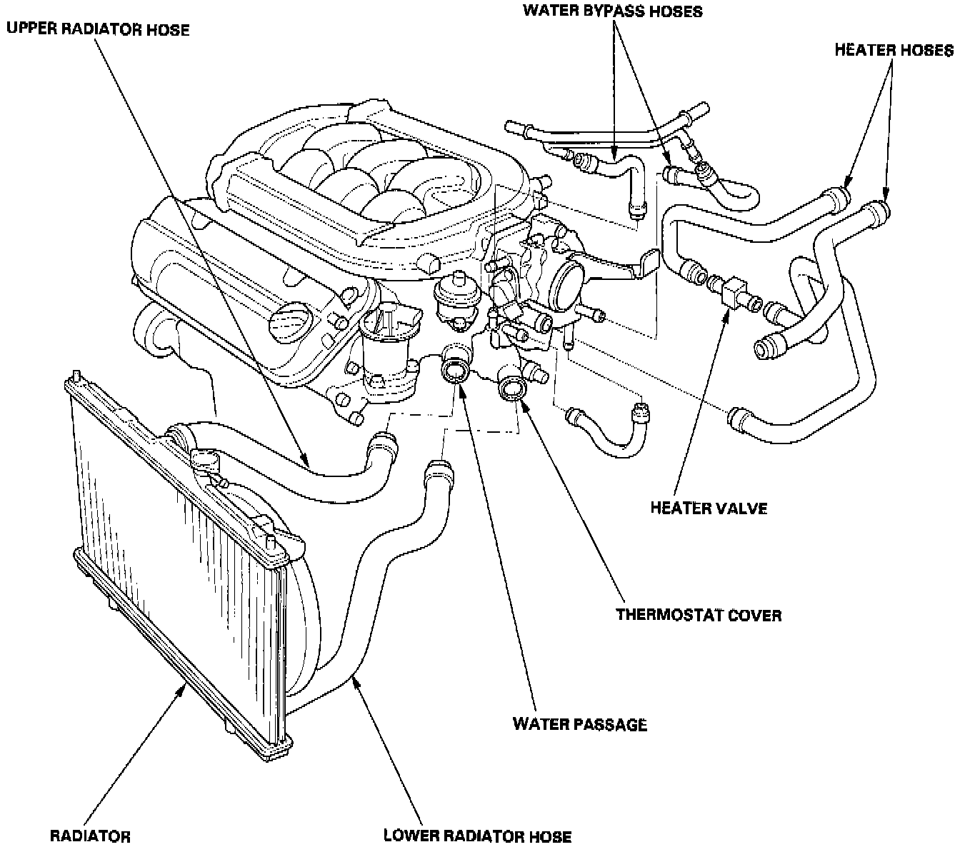
Heater and Bypass Hoses
Water Pump and Temperature Sensor