Curiosii for ever!: Car repair manuals for everyone.

Cruise Control Servo: Service and Repair

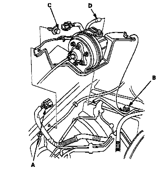
Removal/Installation




1. Disconnect the 4P connector (A) from the actuator.
2. Loosen the mounting bolt (B), and remove the mounting bolt (C), then remove the actuator with the bracket.
3. Disconnect the vacuum hose (D).




4. Remove the three nuts (A).
5. Disconnect the actuator cable (B) from the actuator rod (C) by releasing the clip (D) from the rod with a screwdriver.




6. Loosen the locknut (A), then disconnect the actuator cable (B) from the throttle linkage (C).
7. Install in the reverse order of removal, and adjust the free play at the throttle linkage after connecting the actuator cable.




Disassembly/Reassembly