Curiosii for ever!
: Car repair manuals for everyone.
Home
>>
Honda
>>
1996
>>
Del Sol L4-1.6L SOHC (VTEC)
>>
Repair and Diagnosis
>>
Heating and Air Conditioning
>>
Specifications
>>
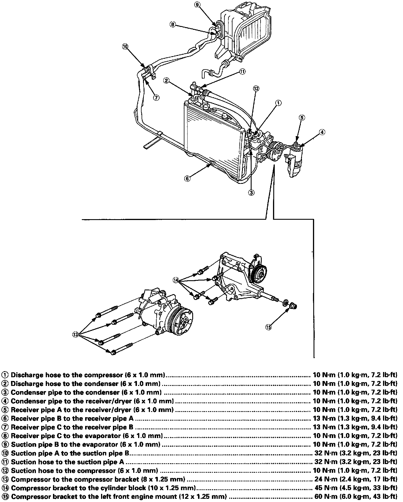
A/C System Torque Specification
A/C System Torque Specification
A/C System Torque Specification: