Curiosii for ever!
: Car repair manuals for everyone.
Home
>>
Honda
>>
1996
>>
Del Sol L4-1.6L DOHC (VTEC)
>>
Repair and Diagnosis
>>
Specifications
>>
Mechanical Specifications
>>
Engine
>>
Cylinder Block Assembly
>>
System Specifications
>>
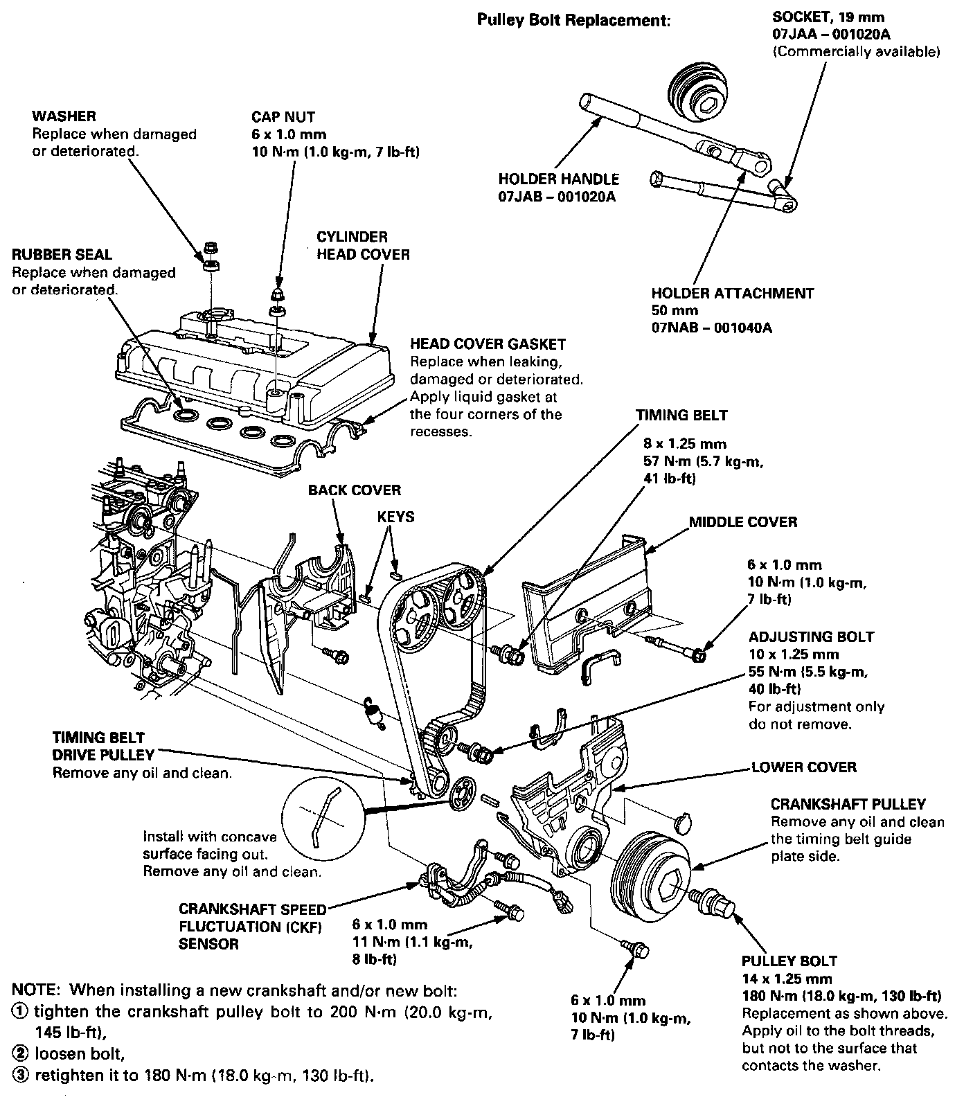
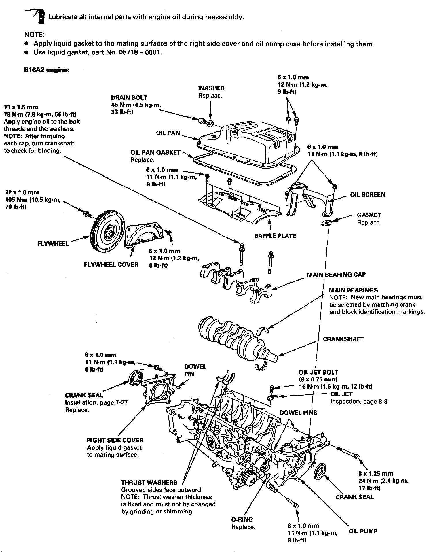
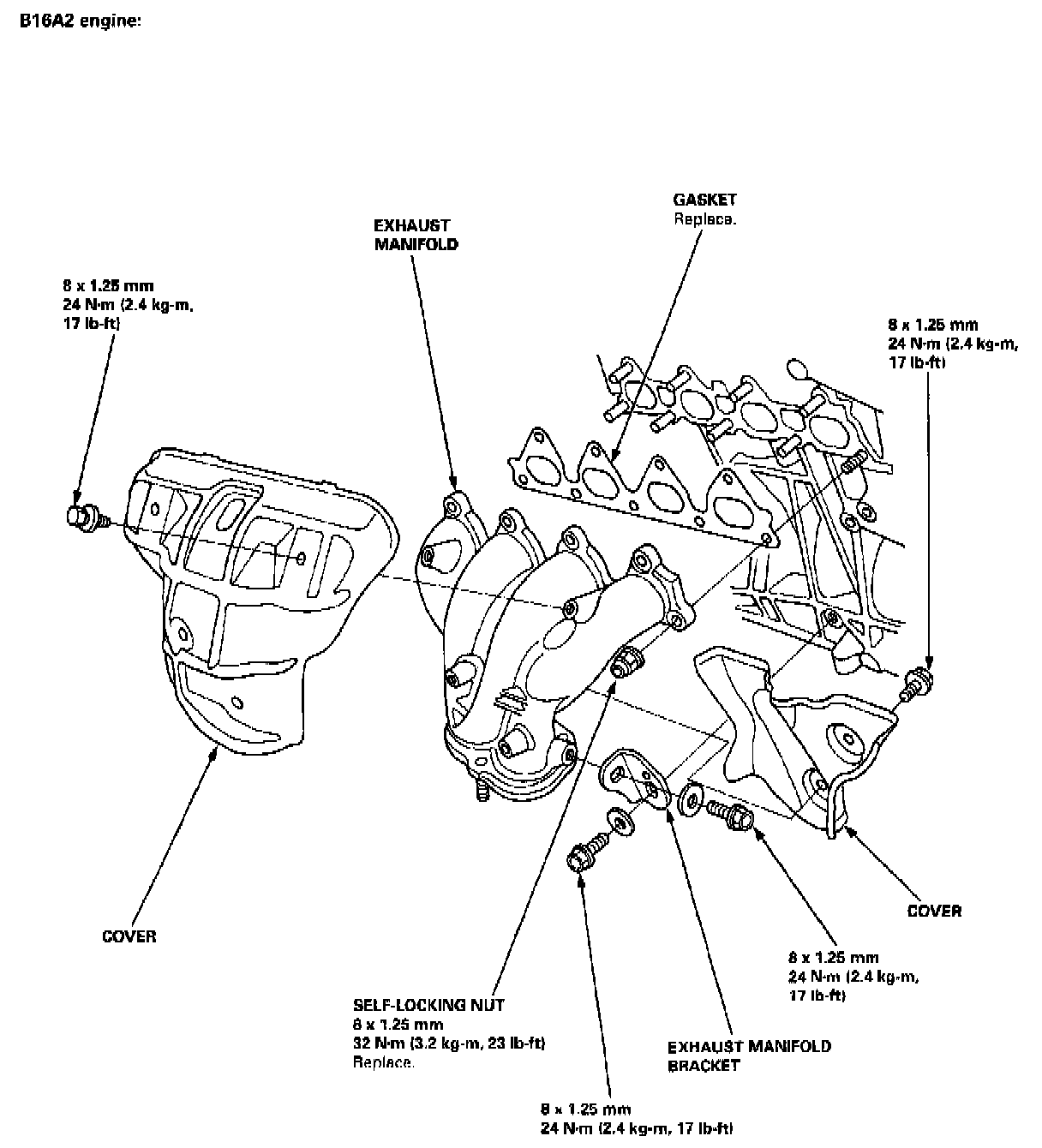
Torque Specifications
Torque Specifications
Intake:
Torque Sequence:
Exhaust Manifold:
Timing Components:
Lower Engine:
Flywheel Torque/sequence: