Curiosii for ever!: Car repair manuals for everyone.

Torque Specifications

Intake:






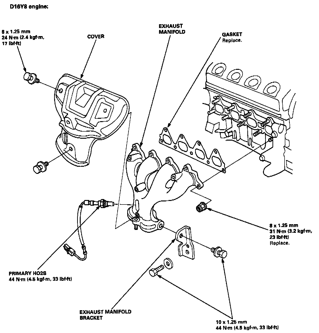
Exhaust Manifold:






Upper Engine:











Cam Holder Torque Sequence:






Cylinder Head Torque/Sequence:






Timing Components:






Lower Engine:






Piston:






Main Bolt Torque Sequence:






Rear Main:






Oil Pump:






Engine Lubrication:






Flywheel (M/T) Torque:






Driveplate (A/T) Torque: