Curiosii for ever!: Car repair manuals for everyone.

System Diagram





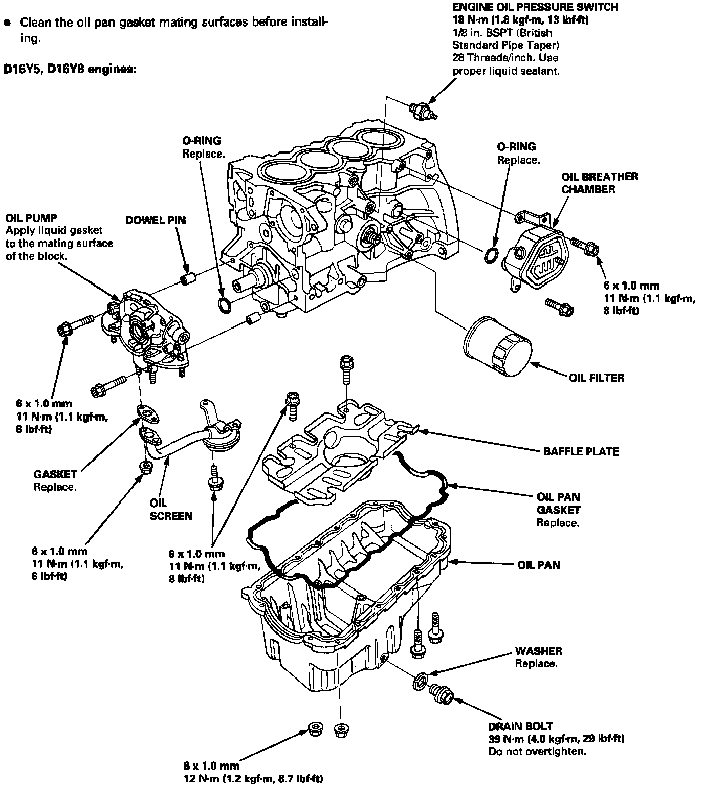
NOTE:
- Use new O-rings when reassembling.
- Apply oil to O-rings before installation.
- Use liquid gasket, Part No. 08718-0001 or 08718-0003.
- Clean the oil pan gasket mating surfaces before installing.

CAUTION: Do not overtighten the drain bolt.